Thermex Grizzly 5-12 - Инструкция по эксплуатации

Thermex Grizzly 5-12

Котел Thermex Grizzly 5-12 - инструкция пользователя по применению, эксплуатации и установке на русском языке. Мы надеемся, она поможет вам решить возникшие у вас вопросы при эксплуатации техники.

Если остались дополнительные вопросы — свяжитесь с нами через контактную форму.

1 Страница 1
2 Страница 2
3 Страница 3
4 Страница 4
5 Страница 5
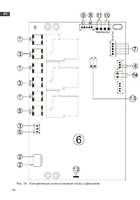
6 Страница 6
7 Страница 7
8 Страница 8
9 Страница 9
10 Страница 10
11 Страница 11
12 Страница 12
13 Страница 13
14 Страница 14
15 Страница 15
16 Страница 16
17 Страница 17
18 Страница 18
19 Страница 19
20 Страница 20
21 Страница 21
22 Страница 22
23 Страница 23
24 Страница 24
25 Страница 25
26 Страница 26
27 Страница 27
28 Страница 28
29 Страница 29
30 Страница 30
31 Страница 31
32 Страница 32
33 Страница 33
34 Страница 34
35 Страница 35
36 Страница 36
37 Страница 37
38 Страница 38
39 Страница 39
40 Страница 40
Страница: / 40
Загрузка инструкции

ПЕРЕД ПЕРВЫМ ИСПОЛЬЗОВАНИЕМ ЭЛЕКТРИЧЕСКОГО
КОТЛА ВНИМАТЕЛЬНО ПРОЧИТАЙТЕ НАСТОЯЩЕЕ РУКО-
ВОДСТВО ПО ЭКСПЛУАТАЦИИ

УВАЖАЕМЫЙ ПОКУПАТЕЛЬ!

Поздравляем вас с приобретением электрического котла Thermex.

Настоящее Руководство распространяется на электрические котлы

THERMEX модели Grizzly 5-12 Wi-Fi (далее по тексту котел, прибор, устрой-
ство, оборудование). Полное наименование приобретенного вами прибора ука-
зано в идентификационной табличке на корпусе прибора, а также на коробке.

1.

НАЗНАЧЕНИЕ

Электрический котел Thermex предназначен для нагрева теплоносителя в

целях обеспечения отопления бытовых объектов.

2.

КОМПЛЕКТ ПОСТАВКИ

Котел электрический

- 1 шт.

Руководство по эксплуатации

- 1 шт.

Упаковка

- 1 шт.

Монтажный набор

- 1 шт.

ы

RU

"Загрузка инструкции" означает, что нужно подождать пока файл загрузится и можно будет его читать онлайн. Некоторые инструкции очень большие и время их появления зависит от вашей скорости интернета.

Характеристики

Другие модели - Котлы Thermex