Страница 3 - Технология беспроводной; юща я стабильную многопользователь-; Другие товары с удаленным; Отопление; Водоснабжение
Управляй своим комфортом в любой точке мира Технология беспроводной связи Wi-Fi Motion Wi-Fi Motion — технология, обеспечива- юща я стабильную многопользователь- скую беспроводную связь с устройствами Thermex. Подключение оборудования, как ясно из названия, происходит по Wi-Fi, что предполагает широ...
Страница 5 - УКАЗАНИЕ МЕР БЕЗОПАСНОСТИ
2 3. УКАЗАНИЕ МЕР БЕЗОПАСНОСТИ Чтобы обеспечить безопасность работы оборудования, исключить получе- ние травм и предотвратить порчу имущества, соблюдайте нижеуказанные меры безопасности . Электропроводка, предохранительные и коммутационные устройства должны соответствовать мощности подключаемого при...
Страница 7 - мм
4 теплоноситель при возникновении угрозы замерзания и обратиться в сертифицированный сервисный центр. 4. ОСНОВНЫЕ ТЕХНИЧЕСКИЕ ХАРАКТЕРИСТИКИ Таблица 1 Модель Tesla 6 - 12 Wi - Fi Артикул 511 4 01 Мощность* 6000 Вт 9000 Вт 12000 Вт Фаза 1~ / 3~ 3~ Напряжение 230 В ~ / 400 В ~ 400 В ~ Частота 50 Гц Но...
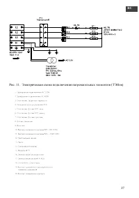
Страница 9 - КОНСТРУКЦИЯ ИЗДЕЛИЯ
6 5. КОНСТРУКЦИЯ ИЗДЕЛИЯ Рис. 1. Конструкция изделия ① Манометр ② Кнопка «Включения/отключения» ③ Кнопка «Выбор режима» ④ Кнопка «Вверх» ⑤ Кнопка «Вниз» ⑥ Дисплей ⑦ Клеммная колодка ⑧ Трансформатор ⑨ Циркуляционный насос ⑩ Узел подпитки ⑪ Обратная линия системы отопления ⑫ Основная плата управления ...
Страница 15 - Примечание
12 управления, Таймер отключен) . • Для сохранения установок и выхода из меню нажмите кнопку «Выбор режима» , либо нажмите кнопку «Включения/отключения» для выхода без сохранения настроек. Примечание : Если активирована функция Таймер, возможна регулировка температуры в ручном режиме при помощи кноп...
Страница 18 - Таблица 3. Система кодов и расшифровка
15 6.4. Настройки работы через систему кодирования Для настройки работы котла предусмотрена система кодов, с помощью которых можно задать текущее время, день недели, выбрать тип отопления, активиро- вать или отключить контур ГВС и защиту от замерзания, а также выбрать режим работы оборудования – авт...
Страница 20 - Thermex
17 Пояснение: Режим работы 1 : автоматический режим работы по предустановленному графику работы, время старта и завершения работы котла в автоматическом режиме работы приведено в Таблице 4. В автоматическом режиме работы настраивается только желаемая температура нагрева. Таблица 4 . Настройки режима...
Страница 21 - . Блокировка панели управления: «Защита от детей»
18 в приложении. Приложение Thermex Home доступно для скачивания на Google Play и AppStore. Перед подключением электрического котла к мобильному устройству необходимо убедиться, что котел подключен к электросети и находится в зоне действия беспроводной сети Wi - Fi. Электрический котел подключается ...
Страница 22 - водстве необходимо заполнить отметку об установке; Внимание!: При выборе максимальной мощности; регулярно проверять и чистить.
7 . УСТАНОВКА И ПОДКЛЮЧЕНИЕ 7.1 Правила безопасности при установке Установка оборудования должна производиться только квалифицирован- ными специалистами сервисных центров. После завершения установки в Руко- водстве необходимо заполнить отметку об установке . Подключение прибора к системе отопления и...
Страница 24 - Подключение к системе отопления без использования трехходо-
21 Рис. 4. Минимальные расстояния от электрического котла до поверхностей. Прибор должен быть установлен в вертикальном положении без наклона. Про- сверлите установочные отверстия на стене, вставьте анкер в верхнее установоч- ное отверстие для крепления, вставьте пластиковые дюбели в нижние устано- ...
Страница 25 - Подключение к электросети
22 Рис. 5. Схема подключения труб На обратной линии системы отопления должен быть установлен косой фильтр механической очистки ( Y- образный). После фильтра должен быть установлен шаровой кран. Диаметр отопительной трубы должен быть не менее 20 мм. Трубы системы отоп- ления, соединенные с прибором, ...
Страница 35 - ший авторизованный сервисный центр.; ВЫБЕГ НАСОСА; Выбег насоса; ХАРАКТЕРИСТИКИ ДАВЛЕНИЯ НАСОСА; Рис. 14. Кривая характеристик давления насоса; ТЕХНИЧЕСКОЕ ОБСЛУЖИВАНИЕ И УХОД
32 бильном приложении, сохраняются. Если после возобновления подачи электро- энергии котел не начнет работать, пожалуйста, обратитесь за помощью в ближай- ший авторизованный сервисный центр. 11. ВЫБЕГ НАСОСА Выбег насоса – параметр, который определяет периодичность циркуляции теплоносителя с помощью...
Страница 40 - ратитесь в авторизованный сервисный центр.; ВНИМАНИЕ: не разбирайте и не ремонтируйте прибор самостоятельно,
37 E05 Ошибка температурного датчика на выходе контуров отопления и ГВС . не исчезнет, замените температурный датчик. E06 В контурах отопления и ГВС не- правильно подсоединены темпе- ратурные датчики на входе и вы- ходе (обратное подсоединение) Замените один из датчиков темпера- туры на входе или вы...
Страница 42 - СВЕДЕНИЯ ОБ ИЗГОТОВИТЕЛЕ
39 фирмы - продавца, заполненной отметкой об установке и идентификационной таб- лички на корпусе электрического котла . Гарантия распространяется только на электрический котел, используемый ис- ключительно для нужд, не связанных с осуществлением коммерческой деятель- ности. Ответственность за соблюд...
Страница 43 - Все модели прошли обязательную сертификацию и соответствуют
40 Изготовитель: THERMEX heating Technology ( Jiangmen) CO ., Ltd ТЕРМЕКС хитинг Технолоджи (Цзянмынь) Ко., Лимитед # 51, Jianshedonglu, Taoyuan town, Heshan city, PRC # 51, Цзяньшедунлу, Таоюань, г. Хэшань, КНР Все модели прошли обязательную сертификацию и соответствуют требованиям Технического рег...
Страница 44 - Tel; Представник виробника в Украiнi:
41 Наименование и местонахождение импортера и торгующей организации, принимающей претензии по качеству в Республике Беларусь: Торговое унитарное предприятие «АКВАТЕРМЕКС» 220029, г. Минск, ул. Куйбышева, д. 22, к 6, к.202Б Телефоны: +375 17 3 800 200, +375 44 739 -23- 55 minsk@thermex.by www.thermex...
Страница 45 - ОТМЕТКА О ПРОДАЖЕ; Фирма; ОТМЕТКА ОБ УСТАНОВКЕ
42 ОТМЕТКА О ПРОДАЖЕ Модель ____________________ Серийный № _______________________ Дата продажи «_____» ___________________________ 20 ___ г. Фирма - продавец: _________________________________________________________________ Подпись представителя фирмы - продавца____________________________ М. П. ...
Страница 46 - ГАРАНТИЙНЫЙ ТАЛОН 1
43 ГАРАНТИЙНЫЙ ТАЛОН 1 Модель Печать фирмы продавца Серийный номер Дата продажи Фирма продавец Заполняется фирмой продавцом ГАРАНТИЙНЫЙ ТАЛОН 2 Модель Печать фирмы продавца Серийный номер Дата продажи Фирма продавец Заполняется фирмой продавцом ГАРАНТИЙНЫЙ ТАЛОН 3 Модель Печать фирмы продавца Серийн...
Страница 47 - аполняется сервисным центром
44 Дата приема Печать сервис- ного центра Дата выдачи Дефект Выполненная работа Мастер (Ф.И.О) Заполняется сервисным центром Дата приема Печать сервис- ного центра Дата выдачи Дефект Выполненная работа Мастер (Ф.И.О) Заполняется сервисным центром Дата приема Печать сервис- ного центра Дата выдачи Де...