Страница 3 - Технология беспроводной; юща я стабильную многопользователь-; Другие товары с удаленным; Отопление; Водоснабжение
Управляй своим комфортом влюбой точке мира Технология беспроводной связи Wi-Fi Motion Wi-Fi Motion — технология, обеспечива- юща я стабильную многопользователь- скую беспроводную связь с устройствами Thermex. Подключение оборудования, как ясно из названия, происходит по Wi-Fi, что предполагает широ...
Страница 5 - УКАЗАНИЕ МЕР БЕЗОПАСНОСТИ
2 3. УКАЗАНИЕ МЕР БЕЗОПАСНОСТИ Чтобы обеспечить безопасность работы оборудования, исключить получе- ние травм и предотвратить порчу имущества, соблюдайте нижеуказанные меры безопасности . Электропроводка, предохранительные и коммутационные устройства должны соответствовать мощности подключаемого при...
Страница 7 - мм
4 теплоноситель при возникновении угрозы замерзания и обратиться в сертифицированный сервисный центр. 4. ОСНОВНЫЕ ТЕХНИЧЕСКИЕ ХАРАКТЕРИСТИКИ Таблица 1 Модель Tesla 12 - 24 Wi - Fi Артикул 511 4 0 2 Фаза 3~ Напряжение 400 В ~ Частота 50 Гц Мощность* 12 кВт 15 кВт 18 кВт 21 кВт 24 кВт Ном. ток нагрузк...
Страница 9 - КОНСТРУКЦИЯ ИЗДЕЛИЯ
6 5. КОНСТРУКЦИЯ ИЗДЕЛИЯ Рис. 1. Конструкция изделия 1. Манометр 2. Кнопка Включения/отключения 3. Кнопка «Выбор режима» 4. Кнопка «Вверх» 5. Кнопка «Вниз» 6. Дисплей 7. Трансформатор 8. Клеммная колодка 9. Плата управления системы отопления 10. Теплообменник системы ГВС 11. Термопредохранитель тепл...
Страница 17 - Сброс настроек
14 (Индикатор типа отопления «Теплый пол»), и в зоне показателя температуры - значения температурных показателей в °C. По умолчанию - 65 °C . • Нажмите кнопку «Выбор режима» для выбора настройки. Значение температуры перейдет в мигающий режим. Используя кнопки регулировки «Вверх» △ или «Вниз» ▽ , вв...
Страница 21 - Thermex
18 Сб d: 12 ,d: 13 d: 14 ,d:15 d:24 d:21 Вс d: 16 ,d: 17 d:18,d: 19 d:25 d:22 6.5 . Производительность ГВС Рис. 4 . График производительности системы ГВС 6.6 . Беспроводное управление электрическим котлом: Электрический котел Thermex Tesla 12-24 Wi-Fi оборудован возможностью подключения к сети Wi -F...
Страница 22 - Блокировка панели управления: «Защита от детей»
19 действия беспроводной сети Wi - Fi. Электрический котел подключается только к роутеру с частотой 2.4 гГц, подключение проводится при выключенном приборе (в режиме ожидания) . Нажмите и удерживайте кнопки регулировки «Вверх» △ или «Вниз» ▽ одновременно, пока на диплее не появится мигающий символ б...
Страница 26 - разъемом
23 7.3.2. Подсоединение труб Рис. 6. Подключение к системам ГВС и отопления Пояснение к Рис.6. • Соедините линию подачи контура системы отопления с разъемом 1 электрического котла. • Соедините трубку подачи теплоносителя с разъемом 2 электрического котла • Включите электропитание котла и переключите...
Страница 30 - Внимание! Каждый провод и клемма должны быть плотно затя-
27 С) Приготовьте кабель 380V~ без вилки. • Схема подключения сетевого кабеля к клеммной колодке указана в Рис. 9 . • Клеммы L1, L2, L3 должны быть разомкнуты. • Подключение L1 - L2 - L 3-N- G сверху «Вниз», согласно Рис. 9 . • Минимальное сечение кабеля и номинальный ток нагрузки ука- заны в Таблиц...
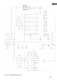
Страница 31 - ЭЛЕКТРИЧЕСКАЯ СХЕМА; PCB
28 D ) Установка лицевой панели Подключите соединительный провод между панелью управления на лицевой панели и главной платой управления. Установите лицевую панель, поместив крепежные выступы в пазы и затянув 2 винта на нижней стенке прибора. 8. ЭЛЕКТРИЧЕСКАЯ СХЕМА 1. Трехфазное подключение AC 400V 2...
Страница 38 - дования; Отключите подачу электропитания и слейте теплоноситель из си-
35 13.6 . Введение в эксплуатацию после длительного неиспользования обору- дования После длительного периода неиспользования котла необходимо проверить чи- стоту системы отопления и системы ГВС перед подключением прибора. Все со- единения должны быть герметичны. Рекомендуется обратиться к сертифицир...
Страница 39 - ПОИСК И УСТРАНЕНИЕ НЕИСПРАВНОСТЕЙ; . Коды ошибок, расшифровки и рекомендации по устранению
36 15. ПОИСК И УСТРАНЕНИЕ НЕИСПРАВНОСТЕЙ Внимание! При возникновении неисправности в работе необходимо отключить при- бор от источника питания, а также слить теплоноситель из прибора и контуров отопления, а также отключить подачу ГВС, если существует угроза замерзания системы. Таблица 6 . Коды ошибо...
Страница 43 - СВЕДЕНИЯ ОБ ИЗГОТОВИТЕЛЕ; THERMEX; Все модели прошли обязательную сертификацию и соответствуют
40 19. СВЕДЕНИЯ ОБ ИЗГОТОВИТЕЛЕ Изготовитель: THERMEX heating Technology ( Jiangmen) CO ., Ltd ТЕРМЕКС хитинг Технолоджи (Цзянмынь) Ко., Лимитед # 51, Jianshedonglu, Taoyuan town, Heshan city, PRC # 51, Цзяньшедунлу, Таоюань, г. Хэшань, КНР Все модели прошли обязательную сертификацию и соответствуют...
Страница 44 - Tel
41 Наименование и местонахождение импортера и торгующей организации, принимающей претензии по качеству в Республике Беларусь: Торговое унитарное предприятие «АКВАТЕРМЕКС» 220029, г. Минск, ул. Куйбышева, д. 22, к 6, к.202Б Телефоны: +375 17 3 800 200, +375 44 739 -23- 55 minsk@thermex.by www.thermex...
Страница 45 - ОТМЕТКА О ПРОДАЖЕ; Фирма; ОТМЕТКА ОБ УСТАНОВКЕ
42 ОТМЕТКА О ПРОДАЖЕ Модель ____________________ Серийный № _______________________ Дата продажи «_____» ___________________________ 20 ___ г. Фирма - продавец: _________________________________________________________________ Подпись представителя фирмы - продавца____________________________ М. П. ...