Тепломаш КЭВ-20Т20Е - Инструкция по эксплуатации

Тепломаш КЭВ-20Т20Е

Тепловая пушка Тепломаш КЭВ-20Т20Е - инструкция пользователя по применению, эксплуатации и установке на русском языке. Мы надеемся, она поможет вам решить возникшие у вас вопросы при эксплуатации техники.

Если остались дополнительные вопросы — свяжитесь с нами через контактную форму.

1 Страница 1
2 Страница 2
3 Страница 3
4 Страница 4
5 Страница 5
6 Страница 6
7 Страница 7
8 Страница 8
9 Страница 9
10 Страница 10
11 Страница 11
12 Страница 12
13 Страница 13
14 Страница 14
15 Страница 15
16 Страница 16
Страница: / 16

Содержание:

  • Страница 2 – СОДЕРЖАНИЕ
  • Страница 3 – *допускается кратковременное понижение температуры до минус 25; ТЕХНИЧЕСКИЕ ХАРАКТЕРИСТИКИ
  • Страница 4 – УСТРОЙСТВО И ПОРЯДОК РАБОТЫ; Ручка терморегулятора; ВНИМАНИЕ: Включение клавиш производить
  • Страница 5 – УКАЗАНИЕ МЕР БЕЗОПАСНОСТИ
  • Страница 6 – Примечание - использовать кабели с многопроволочными жилами.
  • Страница 9 – 2 ГАРАНТИЙНЫЕ ОБЯЗАТЕЛЬСТВА
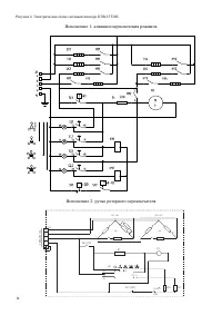
  • Страница 11 – Рисунок 3. Электрическая схема тепловентилятора КЭВ-20Т20Е; Схема эл. принципиальная; Исполнение 1: клавиши переключения режимов
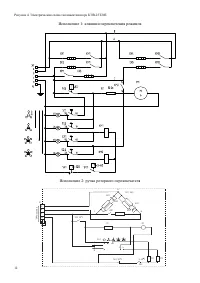
  • Страница 12 – Рисунок 4. Электрическая схема тепловентилятора КЭВ-25Т20Е
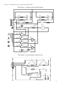
  • Страница 13 – Рисунок 5. Электрическая схема тепловентилятора КЭВ-30Т20Е
  • Страница 14 – Рисунок 6. Электрическая схема тепловентилятора КЭВ-35Т20Е
  • Страница 15 – ДЛЯ ЗАМЕТОК
  • Страница 16 – 3 СВИДЕТЕЛЬСТВО О ПРИЕМКЕ; Дата изготовления; 4 СВИДЕТЕЛЬСТВО О ПОДКЛЮЧЕНИИ; Подключен к сети в соответствии с п.7 Паспорта; СБ
Загрузка инструкции

ПАСПОРТ

ТУ 4864-036-54365100-2015

г. Санкт-Петербург

Серия ТЕ

ТЕПЛОВЕНТИЛЯТОРЫ

ELECTRIC

Версия: RUS-E02ТE

Дата: 11-2016

С ЭЛЕКТРИЧЕСКИМ
ИСТОЧНИКОМ ТЕПЛА

ЙС

И

К

С

О

С

Й

О

Р

Ф

Е

В

Д

О

Е

Н

РА

А Л

Ц

Е

И

Д

И

С

КЭВ-20Т20Е

КЭВ-25Т20Е

КЭВ-30Т20Е

КЭВ-35Т20Е

IP

21

"Загрузка инструкции" означает, что нужно подождать пока файл загрузится и можно будет его читать онлайн. Некоторые инструкции очень большие и время их появления зависит от вашей скорости интернета.

Краткое содержание

Страница 2 - СОДЕРЖАНИЕ

2 КЭВ - 25 T 2 0 Е Аббревиатура, означающая, что изделие выпущено НПО «Тепломаш» Функциональное назначение: С - тепловентилятор общего назначения (офисный) T - тепловентилятор общего назначения (промышленный) Номер модели ( 1, 2, 3...9 ) Источник тепла: Е - электрические нагревательные элементы Уста...

Страница 3 - *допускается кратковременное понижение температуры до минус 25; ТЕХНИЧЕСКИЕ ХАРАКТЕРИСТИКИ

3 1 НАЗНАЧЕНИЕ 1.1 Напольные тепловентиляторы конвекционного типа КЭВ-20Т20Е, КЭВ-25Т20Е, КЭВ-30Т20Е и КЭВ-35Т20Е, именуемые в дальнейшем «тепловентиляторы», имеют электрический источник тепла. Предназначены для рециркуляционного отопления помещений большого объема: производственных цехов, складов, ...

Страница 4 - УСТРОЙСТВО И ПОРЯДОК РАБОТЫ; Ручка терморегулятора; ВНИМАНИЕ: Включение клавиш производить

4 4 УСТРОЙСТВО И ПОРЯДОК РАБОТЫ 4.1 Тепловентилятор осуществляет рециркуляционное отопление, всасывая воздух из помещения, нагревая его ТЭНами и возвращая назад в помещение. 4.2 Тепловентилятор имеет прочный корпус, изготовленный из оцинкованной стали покрытой высококачественным полимерным покрытием...

Характеристики

Другие модели - Тепловые пушки Тепломаш

Все тепловые пушки Тепломаш