Тепломаш КЭВ-12С40E - Инструкция по эксплуатации

Тепломаш КЭВ-12С40E

Тепловая пушка Тепломаш КЭВ-12С40E - инструкция пользователя по применению, эксплуатации и установке на русском языке. Мы надеемся, она поможет вам решить возникшие у вас вопросы при эксплуатации техники.

Если остались дополнительные вопросы — свяжитесь с нами через контактную форму.

1 Страница 1
2 Страница 2
3 Страница 3
4 Страница 4
5 Страница 5
6 Страница 6
7 Страница 7
8 Страница 8
9 Страница 9
10 Страница 10
11 Страница 11
12 Страница 12
13 Страница 13
14 Страница 14
15 Страница 15
16 Страница 16
Страница: / 16

Содержание:

  • Страница 2 – КЭВ – ХХХ Х Х Х Х; Ваши замечания и предложения присылайте по адресу
  • Страница 3 – УСЛОВИЯ ЭКСПЛУАТАЦИИ; С не более, % 80; ТЕХНИЧЕСКИЕ ХАРАКТЕРИСТИКИ
  • Страница 5 – Внимание! Не прикладывать чрезмерных усилий при вращении ручек.
  • Страница 7 – Внимание! Для увеличения эксплуатационного срока службы
  • Страница 8 – установке
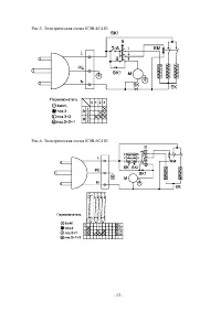
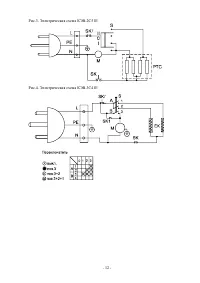
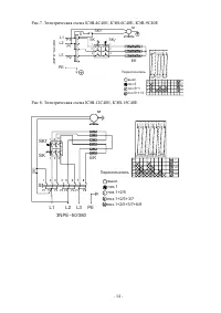
  • Страница 9 – Использовать нулевой провод в качестве заземления запрещается!; После транспортирования или хранения тепловентилятора при; Таблица 2. Сечения подводящих проводов; КОНТРОЛЬ ЗА РАБОТОЙ ТЕПЛОВЕНТИЛЯТОРА; осматривать тепловентилятор и нагреватели
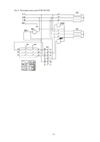
  • Страница 14 – EK
  • Страница 16 – СВИДЕТЕЛЬСТВО О ПРИЕМКЕ; CВИДЕТЕЛЬСТВО О ПОДКЛЮЧЕНИИ
Загрузка инструкции






П А С П О Р Т



ТЕПЛОВЕНТИЛЯТОРЫ

КЭВ-СЕ





ТУ 4864-037-54365100-2015

Санкт-Петербург

12.2014

"Загрузка инструкции" означает, что нужно подождать пока файл загрузится и можно будет его читать онлайн. Некоторые инструкции очень большие и время их появления зависит от вашей скорости интернета.

Краткое содержание

Страница 2 - КЭВ – ХХХ Х Х Х Х; Ваши замечания и предложения присылайте по адресу

- 2 - Убедительно просим Вас перед вводом изделия в эксплуатацию внимательно изучить данный паспорт ! КЭВ – ХХХ Х Х Х Х Е – электрический источник тепла Напряжение питания 0 – 380В, 1 – 220В Номер модели (1, 2, 3, … 9) Индекс функционального назначения: С – тепловентилятор серии С Установленная элек...

Страница 3 - УСЛОВИЯ ЭКСПЛУАТАЦИИ; С не более, % 80; ТЕХНИЧЕСКИЕ ХАРАКТЕРИСТИКИ

- 3 - 1. НАЗНАЧЕНИЕ Электротепловентиляторы КЭВ-2С41Е, КЭВ-2С51Е, КЭВ-3С41Е, КЭВ-4С41Е, КЭВ-4С40Е, КЭВ-6С41Е, КЭВ-6С40Е, КЭВ-9С40Е, КЭВ-12С40Е, КЭВ-15С40Е, КЭВ-18С40Е (далее - тепловентилятор ) предназначены для обогрева офисных, торговых, производственных, складских и других помещений. 2.УСЛОВИЯ ЭК...

Страница 5 - Внимание! Не прикладывать чрезмерных усилий при вращении ручек.

- 5 - Модель тепловентилятора КЭВ- 6С41Е КЭВ- 6С40Е КЭВ- 9С40Е КЭВ- 12С40Е КЭВ- 15С40Е КЭВ- 18С40Е Параметры питающей сети, В/Гц 220/50 380/50 380/50 380/50 380/50 380/50 Режимы мощности**, кВт */3/6 */3/6 */4,5/9 */4/8/12 */5/10/15 */9/18 Расход воздуха, м 3 /час 560 560 560 980 870 980 Подогрев во...

Характеристики

Другие модели - Тепловые пушки Тепломаш

Все тепловые пушки Тепломаш