Тепломаш КЭВ-4С41Е - инструкции и руководства

model-name

Тепловая пушка Тепломаш КЭВ-4С41Е - инструкции пользователя по применению, эксплуатации и установке на русском языке читайте онлайн в формате pdf

1 Page 1
2 Page 2
3 Page 3
4 Page 4
5 Page 5
6 Page 6
7 Page 7
8 Page 8
9 Page 9
10 Page 10
11 Page 11
12 Page 12
13 Page 13
14 Page 14
15 Page 15
16 Page 16

Краткое содержание

Страница 2 - СОДЕРЖАНИЕ; Ваши замечания и предложения присылайте по адресу

2 КЭВ - 25 T 2 0 Е Идентификатор продукции АО "НПО"Тепломаш " . Является зарегестрированным товарным знаком Функциональное назначение: С - тепловентилятор общего назначения (до 18 кВт) T - тепловентилятор общего назначения (до 100 кВт) Номер модели ( 1, 2, 3...9 ) Источник тепла: Е - эле...

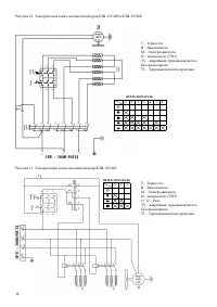
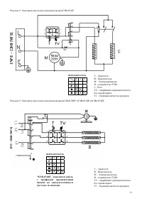
Страница 4 - УСТРОЙСТВО И ПОРЯДОК РАБОТЫ; его ТЭНами и возвращая назад в помещение.; II; Одноклавишный переключатель:; Панель управления КЭВ-2С51Е; Ручка терморегулятора:

4 4 УСТРОЙСТВО И ПОРЯДОК РАБОТЫ 4.1 Тепловентилятор осуществляет рециркуляционное отопление, всасывая воздух из помещения, нагревая его ТЭНами и возвращая назад в помещение. 4.2 Тепловентилятор имеет прочный корпус, изготовленный из оцинкованной стали, покрытой высококачественным полимерным покрытие...

Страница 5 - нагреватели включаются.

5 4.5.2 Управление тепловентиляторами осуществляется ручками роторного переключателя и терморегулятора, установленными на корпусе тепловентилятора. Они позволяют регулировать тепловую мощность и поддерживать необходимую температуру воздуха (показаны на рисунке ниже). Ручкой терморегулятора устанавли...

Тепломаш Тепловые пушки Инструкции