Страница 2 - КЭВ – ХХХ Х Х Х Х; Ваши замечания и предложения присылайте по адресу
- 2 - Убедительно просим Вас перед вводом изделия в эксплуатацию внимательно изучить данный паспорт ! КЭВ – ХХХ Х Х Х Х Е – электрический источник тепла Напряжение питания 0 – 380В, 1 – 220В Номер модели (1, 2, 3, … 9) Индекс функционального назначения: С – тепловентилятор серии С Установленная элек...
Страница 3 - УСЛОВИЯ ЭКСПЛУАТАЦИИ; С не более, % 80; ТЕХНИЧЕСКИЕ ХАРАКТЕРИСТИКИ
- 3 - 1. НАЗНАЧЕНИЕ Электротепловентиляторы КЭВ-2С41Е, КЭВ-2С51Е, КЭВ-3С41Е, КЭВ-4С41Е, КЭВ-4С40Е, КЭВ-6С41Е, КЭВ-6С40Е, КЭВ-9С40Е, КЭВ-12С40Е, КЭВ-15С40Е, КЭВ-18С40Е (далее - тепловентилятор ) предназначены для обогрева офисных, торговых, производственных, складских и других помещений. 2.УСЛОВИЯ ЭК...
Страница 5 - Внимание! Не прикладывать чрезмерных усилий при вращении ручек.
- 5 - Модель тепловентилятора КЭВ- 6С41Е КЭВ- 6С40Е КЭВ- 9С40Е КЭВ- 12С40Е КЭВ- 15С40Е КЭВ- 18С40Е Параметры питающей сети, В/Гц 220/50 380/50 380/50 380/50 380/50 380/50 Режимы мощности**, кВт */3/6 */3/6 */4,5/9 */4/8/12 */5/10/15 */9/18 Расход воздуха, м 3 /час 560 560 560 980 870 980 Подогрев во...
Страница 7 - Внимание! Для увеличения эксплуатационного срока службы
- 7 - тепловентилятора. Аварийное отключение требует выяснения и устранения причины, вызвавшей срабатывание аварийного датчика.Биметаллический датчик аварийного термовыключателя тепловентиляторов КЭВ-4С40Е, КЭВ-6С40Е, КЭВ-6С41Е, КЭВ-9С40Е, КЭВ-12С40Е, КЭВ-15С40Е, КЭВ-18С40Е самостоятельно не возвращ...
Страница 8 - установке
- 8 - 5.4 Запрещается эксплуатация тепловентилятора без заземления. Внутренней коммутацией корпус соединен с защитным проводником РЕ сети через вилку. Подсоединение защитного проводника к питающей розетке обязательно. Использовать нулевой провод в качестве заземления запрещается. 5.5 Запрещается про...
Страница 9 - Использовать нулевой провод в качестве заземления запрещается!; После транспортирования или хранения тепловентилятора при; Таблица 2. Сечения подводящих проводов; КОНТРОЛЬ ЗА РАБОТОЙ ТЕПЛОВЕНТИЛЯТОРА; осматривать тепловентилятор и нагреватели
- 9 - 7.5 Использовать нулевой провод в качестве заземления запрещается! 7.6 Внимание! После транспортирования или хранения тепловентилятора при отрицательных температурах, следует выдержать тепловентилятор в помещении, где предполагается его эксплуатация, без включения в сеть не менее 2 часов. Табл...
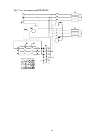
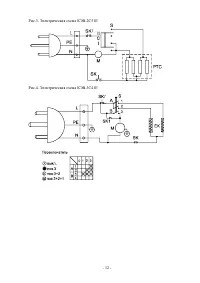
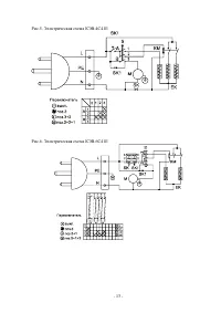
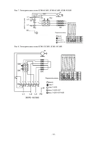
Страница 14 - EK
- 14 - Рис.7. Электрическая схема КЭВ-4С40Е, КЭВ-6С40Е, КЭВ-9С40Е Рис 8. Электрическая схема КЭВ-12С40Е, КЭВ-15С40Е SK S SK EK SK1 M Р3 Р2 Р1 L1 L2 L3 PE 3 2 1 3 2 1 3 N P E ~ 5 0 /3 8 0 Переключатель выкл.поз.5 поз.5+1 поз.5+1+3 0 0 1 23 0 90 180 270 0 0 0 0 5 2 1 3 4 Р3 Р1 Р2 Переключатель Р1 L1 L...
Страница 16 - СВИДЕТЕЛЬСТВО О ПРИЕМКЕ; CВИДЕТЕЛЬСТВО О ПОДКЛЮЧЕНИИ
- 16 - 13. СВИДЕТЕЛЬСТВО О ПРИЕМКЕ Тепловентилятор КЭВ-____________С___________ Е заводской номер №________________ изготовлен и принят в соответствии с требованиями ТУ 4864-037-54365100-2015 и признан годным к эксплуатации. Декларация о соответствии ТС №RU Д-RU.АУ04.В.26272 от 24.09.2015 выдана исп...