Тепломаш КЭВ-18С40E 221013 - Инструкция по эксплуатации

Тепломаш КЭВ-18С40E 221013

Обогреватель Тепломаш КЭВ-18С40E 221013 - инструкция пользователя по применению, эксплуатации и установке на русском языке. Мы надеемся, она поможет вам решить возникшие у вас вопросы при эксплуатации техники.

Если остались дополнительные вопросы — свяжитесь с нами через контактную форму.

1 Страница 1
2 Страница 2
3 Страница 3
4 Страница 4
5 Страница 5
6 Страница 6
7 Страница 7
8 Страница 8
9 Страница 9
10 Страница 10
11 Страница 11
12 Страница 12
13 Страница 13
14 Страница 14
15 Страница 15
16 Страница 16
Страница: / 16

Содержание:

  • Страница 2 – СОДЕРЖАНИЕ; Ваши замечания и предложения присылайте по адресу
  • Страница 4 – УСТРОЙСТВО И ПОРЯДОК РАБОТЫ; его ТЭНами и возвращая назад в помещение.; II; Одноклавишный переключатель:; Панель управления КЭВ-2С51Е; Ручка терморегулятора:
  • Страница 5 – нагреватели включаются.
  • Страница 6 – УКАЗАНИЕ МЕР БЕЗОПАСНОСТИ
  • Страница 8 – ТЕХНИЧЕСКОЕ ОБСЛУЖИВАНИЕ
  • Страница 10 – Рисунок 1. Габаритные и присоединительные размеры
  • Страница 11 – ON
  • Страница 15 – Для заметок
  • Страница 16 – Печатное издание доступно в электронном формате PDF.; Импортёр: АО «НПО «Тепломаш»
Загрузка инструкции

РУКОВОДСТВО ПО ЭКСПЛУАТАЦИИ И МОНТАЖУ
ТЕХНИЧЕСКИЙ ПАСПОРТ

СЕРИЯ СЕ

ТЕПЛОВЕНТИЛЯТОРЫ

Версия: RUS-E08CE

Дата: 02-2020

КЭВ-4С40Е

КЭВ-6С40Е

КЭВ-9С40Е

КЭВ-12С40Е

КЭВ-15С40Е

КЭВ-18С40Е

КЭВ-2С41Е

КЭВ-3С41Е

КЭВ-4С41Е

КЭВ-6С41Е

IP 21

КЭВ-2С31Е

КЭВ-3С31Е

КЭВ-2С51Е

AC

ALLIANCE CERTIFICATION

ГОСТ Р ИСО 9001-2015 (ISO 9001:2015)

"Загрузка инструкции" означает, что нужно подождать пока файл загрузится и можно будет его читать онлайн. Некоторые инструкции очень большие и время их появления зависит от вашей скорости интернета.

Краткое содержание

Страница 2 - СОДЕРЖАНИЕ; Ваши замечания и предложения присылайте по адресу

2 КЭВ - 25 T 2 0 Е Идентификатор продукции АО "НПО"Тепломаш " . Является зарегестрированным товарным знаком Функциональное назначение: С - тепловентилятор общего назначения (до 18 кВт) T - тепловентилятор общего назначения (до 100 кВт) Номер модели ( 1, 2, 3...9 ) Источник тепла: Е - эле...

Страница 4 - УСТРОЙСТВО И ПОРЯДОК РАБОТЫ; его ТЭНами и возвращая назад в помещение.; II; Одноклавишный переключатель:; Панель управления КЭВ-2С51Е; Ручка терморегулятора:

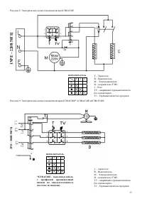
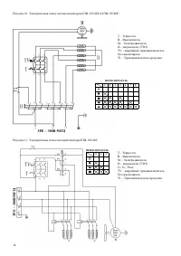
4 4 УСТРОЙСТВО И ПОРЯДОК РАБОТЫ 4.1 Тепловентилятор осуществляет рециркуляционное отопление, всасывая воздух из помещения, нагревая его ТЭНами и возвращая назад в помещение. 4.2 Тепловентилятор имеет прочный корпус, изготовленный из оцинкованной стали, покрытой высококачественным полимерным покрытие...

Страница 5 - нагреватели включаются.

5 4.5.2 Управление тепловентиляторами осуществляется ручками роторного переключателя и терморегулятора, установленными на корпусе тепловентилятора. Они позволяют регулировать тепловую мощность и поддерживать необходимую температуру воздуха (показаны на рисунке ниже). Ручкой терморегулятора устанавли...

Характеристики

Другие модели - Обогреватели Тепломаш

Все обогреватели Тепломаш