Тепломаш КЭВ-П7020A 117003u - Инструкция по эксплуатации

Тепломаш КЭВ-П7020A 117003u

Обогреватель Тепломаш КЭВ-П7020A 117003u - инструкция пользователя по применению, эксплуатации и установке на русском языке. Мы надеемся, она поможет вам решить возникшие у вас вопросы при эксплуатации техники.

Если остались дополнительные вопросы — свяжитесь с нами через контактную форму.

1 Страница 1
2 Страница 2
3 Страница 3
4 Страница 4
5 Страница 5
6 Страница 6
7 Страница 7
8 Страница 8
9 Страница 9
10 Страница 10
11 Страница 11
12 Страница 12
13 Страница 13
14 Страница 14
15 Страница 15
16 Страница 16
Страница: / 16

Содержание:

  • Страница 2 – Ваши замечания и предложения присылайте по адресу; СОДЕРЖАНИЕ
  • Страница 4 – Вид А
  • Страница 7 – ТРЕБОВАНИЯ К УСТАНОВКЕ И ПОДКЛЮЧЕНИЮ; Примечание – использовать кабели с многопроволочными жилами
  • Страница 10 – СВЕДЕНИЯ ОБ УТИЛИЗАЦИИ; Использование непригодной завесы ЗАПРЕЩЕНО!; ВОЗМОЖНЫЕ НЕИСПРАВНОСТИ И СПОСОБЫ ИХ УСТРАНЕНИЯ
  • Страница 11 – ГАРАНТИЙНЫЕ ОБЯЗАТЕЛЬСТВА
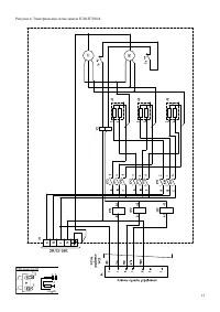
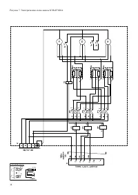
  • Страница 12 – Рисунок 5. Габаритные и присоединительные размеры
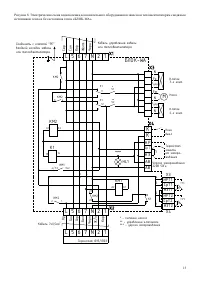
  • Страница 15 – Ñõåìà ýë. ïðèíöèïèàëüíàÿ; Ëèòåðà; ÍÏÎ «Òåïëîìàø»; Fê; Ñîåäèíèòü ñ êëåììîé; ÀÂ; источником тепла и без источника тепла «БЛОК-WA».
  • Страница 16 – СВИДЕТЕЛЬСТВО О ПРИЕМКЕ; Дата изготовления; СВИДЕТЕЛЬСТВО О ПОДКЛЮЧЕНИИ; Подключена к сети в соответствии с п.7 Паспорта; СБ
Загрузка инструкции

ПАСПОРТ

ТУ 4864-037-54365100-2015

г. Санкт-Петербург

Серия 700

ВОЗДУШНАЯ ЗАВЕСА

КЭВ-П7020А

КЭВ-П7010А

AMBIENT

IP 21

БЕЗ ИСТОЧНИКА ТЕПЛА

Паспорт: PS700IP21

Версия: RUS-A7.01IP21

Дата: 10-2015

ЙС

И

К

С

О

С

Й

О

Р

Ф

Е

В

Д

О

Е

Н

РА

А Л

Ц

Е

И

Д

И

С

"Загрузка инструкции" означает, что нужно подождать пока файл загрузится и можно будет его читать онлайн. Некоторые инструкции очень большие и время их появления зависит от вашей скорости интернета.

Краткое содержание

Страница 2 - Ваши замечания и предложения присылайте по адресу; СОДЕРЖАНИЕ

2 Источник тепла: электрические нагревательные элементы (ТЭНы) E - W - водяной воздухонагреватель (теплообменник) газовый воздухонагреватель G - A - без источника тепла Для исполнения : W Условная тепловая мощность при температуре подаваемойводы 150°С ее охлаждении до 130°С и температуреокружающего ...

Страница 4 - Вид А

4 Рисунок 1. Воздушная завеса Выносной пульт управления IR03 Дистанционный пульт управления Светодиоды режимов нагрева Светодиоды режимов расхода воздуха Приемное устройство инфракрасного сигнала Кнопка выбора режима нагрева Кнопки установки требуемой температуры Кнопка выбора режима расхода воздуха...

Страница 7 - ТРЕБОВАНИЯ К УСТАНОВКЕ И ПОДКЛЮЧЕНИЮ; Примечание – использовать кабели с многопроволочными жилами

7 7 ТРЕБОВАНИЯ К УСТАНОВКЕ И ПОДКЛЮЧЕНИЮ 7.1 При установке, монтаже и запуске в эксплуатацию необходимо соблюдать меры безопасности указанные в разделе 5. 7.2 У с т а н о в к а з а в е с 7.2.1 Завесы устанавливаются как горизонтально над проемом (как можно ближе к верхнему краю проема), так и вертик...

Характеристики

Другие модели - Обогреватели Тепломаш

Все обогреватели Тепломаш