Тепломаш КЭВ-125П5051W (IP54) 135002 - Инструкция по эксплуатации

Тепломаш КЭВ-125П5051W (IP54) 135002

Обогреватель Тепломаш КЭВ-125П5051W (IP54) 135002 - инструкция пользователя по применению, эксплуатации и установке на русском языке. Мы надеемся, она поможет вам решить возникшие у вас вопросы при эксплуатации техники.

Если остались дополнительные вопросы — свяжитесь с нами через контактную форму.

1 Страница 1
2 Страница 2
3 Страница 3
4 Страница 4
5 Страница 5
6 Страница 6
7 Страница 7
8 Страница 8
9 Страница 9
10 Страница 10
11 Страница 11
12 Страница 12
13 Страница 13
14 Страница 14
15 Страница 15
16 Страница 16
Страница: / 16

Содержание:

  • Страница 2 – Ваши замечания и предложения присылайте по адресу; СОДЕРЖАНИЕ
  • Страница 4 – УСТРОЙСТВО И ПОРЯДОК РАБОТЫ
  • Страница 5 – Вид А
  • Страница 6 – приобретаются отдельно согласно проекта защиты проема.; УКАЗАНИЕ МЕР БЕЗОПАСНОСТИ
  • Страница 7 – КОМПЛЕКТНОСТЬ; ТРЕБОВАНИЯ К УСТАНОВКЕ И ПОДКЛЮЧЕНИЮ
  • Страница 8 – Зав
  • Страница 10 – СВЕДЕНИЯ ОБ УТИЛИЗАЦИИ; Использование непригодной завесы ЗАПРЕЩЕНО!; ВОЗМОЖНЫЕ НЕИСПРАВНОСТИ И СПОСОБЫ ИХ УСТРАНЕНИЯ
  • Страница 11 – ГАРАНТИЙНЫЕ ОБЯЗАТЕЛЬСТВА
  • Страница 12 – Рисунок 6. Габаритные и присоединительные размеры
  • Страница 15 – ДЛЯ ЗАМЕТОК
  • Страница 16 – СВИДЕТЕЛЬСТВО О ПРИЕМКЕ; Дата изготовления; СВИДЕТЕЛЬСТВО О ПУСКОНАЛАДОЧНЫХ ИСПЫТАНИЯХ; Дата испытания; СБ
Загрузка инструкции

ПАСПОРТ

ТУ 4864-037-54365100-2015

г. Санкт-Петербург

Серия 500 IP54

ВОЗДУШНО-ТЕПЛОВАЯ ЗАВЕСА

КЭВ-175П5061W

КЭВ-125П5051W

WATER

С ВОДЯНЫМ

ИСТОЧНИКОМ ТЕПЛА

Версия: RUS-W5.03IP54

Дата: 02-2018

ЙС

И

К

С

О

С

Й

О

Р

Ф

Е

В

Д

О

Е

Н

РА

А Л

Ц

Е

И

Д

И

С

IP

54

"Загрузка инструкции" означает, что нужно подождать пока файл загрузится и можно будет его читать онлайн. Некоторые инструкции очень большие и время их появления зависит от вашей скорости интернета.

Краткое содержание

Страница 2 - Ваши замечания и предложения присылайте по адресу; СОДЕРЖАНИЕ

2 Источник тепла: электрические нагревательные элементы (ТЭНы) E - W - водяной воздухонагреватель (теплообменник) газовый воздухонагреватель G - A - без источника тепла Для исполнения : W Условная тепловая мощность при температуре подаваемойводы 150°С ее охлаждении до 130°С и температуреокружающего ...

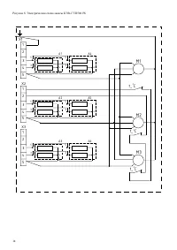
Страница 4 - УСТРОЙСТВО И ПОРЯДОК РАБОТЫ

4 4 УСТРОЙСТВО И ПОРЯДОК РАБОТЫ 4.1 С помощью вентиляторов воздух всасывается из помещения, подогревается, проходя через теплообменник и выбрасывается через сопло в виде направленной струи. 4.2 Завеса состоит из прочного корпуса, изготовленного из оцинкованной стали, стандартный угол сопла – 0°, по ...

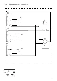
Страница 5 - Вид А

5 Рисунок 2. Воздушно-тепловая завеса 4.6 Отводы с резьбовыми заглушками служат как для гарантированного выпуска воздуха при заполнении системы теплоносителем (см. п.7.4.6), так и для слива воды из теплообменника при его вертикальной ориентации патрубками вверх. При противоположенной ориентации слив...

Характеристики

Другие модели - Обогреватели Тепломаш

Все обогреватели Тепломаш