Проигрыватели BBK DW9938S - инструкция пользователя по применению, эксплуатации и установке на русском языке. Мы надеемся, она поможет вам решить возникшие у вас вопросы при эксплуатации техники.
Если остались вопросы, задайте их в комментариях после инструкции.
"Загружаем инструкцию", означает, что нужно подождать пока файл загрузится и можно будет его читать онлайн. Некоторые инструкции очень большие и время их появления зависит от вашей скорости интернета.

11
ПОДКЛЮЧЕНИЕ
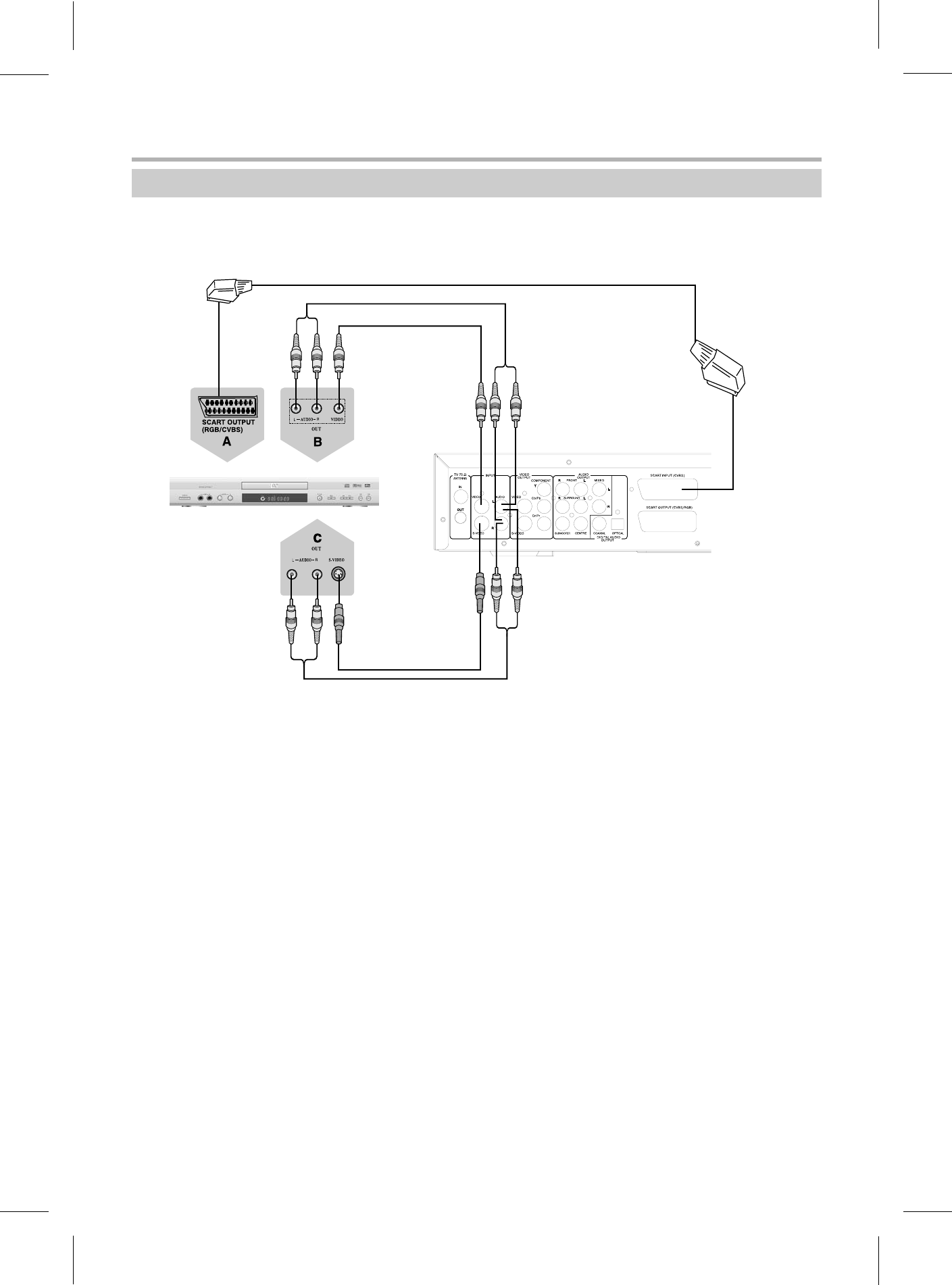
A. Подключение к универсальному входу SCART
Если источник сигнала оснащен видеовыходом RGB/SCART, то его следует подключить к аппарату, используя вход
SCART. Это обеспечит наиболее высокое качество записываемого сигнала. Поскольку передача аудиосигнала
предусмотрена интерфейсом SCART, то дополнительные аудиокабели не требуются. После подключения источника
сигнала выберите вход SCART при помощи клавиши SOURCE на передней панели аппарата или пульте ДУ.
B. Подключение к композитному видеовходу
Источник сигнала может быть подключен к композитному видеовходу на задней панели аппарата. При этом сигнал
аудиосопровождения необходимо подключить к стереофоническому аудиовходу на задней панели аппарата
(см. рис.). После подключения источника сигнала выберите вход Тыл. VIDEO при помощи клавиши SOURCE
на передней панели аппарата или пульте ДУ.
C. Подключение к видеовходу S−Video
Если источник сигнала оснащен видеовыходом S−Video, то подключение можно выполнить к видеовходу S−Video.
Аудиовыход источника следует подключить к стереофоническому аудиовходу на задней панели рекордера (см. рис.).
После подключения источника сигнала выберите вход Тыл. S−VIDEO при помощи клавиши SOURCE на передней
панели аппарата или пульте ДУ.
ПРИМЕЧАНИЯ
• Вы можете записывать видеосигнал с различных внешних источников (видеомагнитофон, видеокамера,
DVD−плеер и др.).
• Перед выполнением подключений обязательно перечитайте инструкции к подключаемому оборудованию.
• Из−за общего аудиовхода одновременное использование композитного и S−Video видеовходов на задней панели
невозможно.
Подключение к входам на задней панели DVD/VHS−рекордера
Подключение внешних источников сигнала для записи
После подключения к телевизору и аудиосистеме Вы можете подключить внешние источники сигнала для записи.
Источник сигнала
Задняя панель
Содержание
- 3 ИНСТРУКЦИЯ ПО МЕРАМ БЕЗОПАСНОСТИ; Символ Опасности; Напоминание пользователю о высоком напряжении.; Символ Предупреждения; и эксплуатации устройства в условиях высокой влажности.
- 4 ВВЕДЕНИЕ; Особенности; Секция DVD
- 5 Краткое описание формата DVD; ПРИМЕЧАНИЕ; • Множество поддерживаемых языков.; Метод записи
- 6 Расположение и функции органов управления; Общий вид задней панели
- 7 Общий вид пульта дистанционного управления
- 9 Установка батареек в пульт ДУ; Комплектация; Предостережения
- 10 ПОДКЛЮЧЕНИЕ; Подключение к телевизору; Подключение видеосигнала; исключить и громкость телевизора установить на минимум.
- 11 Подключение к стереофонической аудиосистеме
- 12 Подключение к усилителю с декодерами Dolby Digital/DTS
- 13 Подключение к усилителю с входом 5.1CH
- 14 A. Подключение к универсальному входу SCART; Подключение к входам на задней панели DVD/VHS−рекордера; Подключение внешних источников сигнала для записи
- 15 А. Подключение к композитному видеовходу; Подключение к входам на передней панели DVD/VHS−рекордера
- 16 НАЧАЛО РАБОТЫ; Выбор режима работы; Переключение в режим воспроизведения VHS−кассеты:; ПРИМЕЧАНИЯ; воспроизведение данного носителя останавливается.
- 17 Просмотр и запись телепрограмм; панели или пульте ДУ.
- 18 Запись аналоговых источников видеосигнала и телепрограмм
- 19 отключения и выбрать время.; запись текущего видеофрагмента.; управляют воспроизведением VHS−кассеты.
- 20 Выбор качества записи; ЗАПИСЬ НА VHS−КАССЕТУ; отобразится меню Контроль VHS.; Чтобы начать запись сигнала нажмите клавишу RECORD
- 21 Функция автоматического отключения записи; сигнала не прекратится.; Запись и управление источником цифрового сигнала DV; отменена; отключения не активируется.
- 22 воспроизведением лазерного диска.; Запись видеосигнала с лазерного диска на VHS−кассету
- 24 ЗАПИСЬ ПО РАСПИСАНИЮ; Введите дату начала или выберите день недели, в зависимости; он снова переключится в режим ожидания.
- 25 СТРУКТУРА ЗАПИСАННОГО ДИСКА
- 26 РЕДАКТИРОВАНИЕ СОДЕРЖИМОГО ДИСКА; Выбор записи для редактирования
- 27 Скрытие главы
- 28 ОПЕРАЦИИ С ДИСКОМ; Переименование диска; ПРИМЕЧАНИE
- 29 Финализация диска DVD+R; все записи на диске недоступными.; данные с диска будут удалены.
- 30 Установка/снятие блокировки от записи DVD+RW; Это может сделать все записи на диске недоступными.
- 31 ВОСПРОИЗВЕДЕНИЕ ЛАЗЕРНЫХ ДИСКОВ; клавиши происходит переход к следующему кадру видеоряда.; Воспроизведение диска; воспроизведения меняется, как показано на схеме.
- 32 воспроизведение текущей главы.; Выбор языка/аудиоканала; ввести номер желаемой главы или трека.
- 33 к значению по умолчанию.; • Уровень громкости изменяется в диапазоне от 0 до 20.; Выбор ракурса; доступно в режиме остановки или при отсутствии диска.
- 34 Прогрессивная/чересстрочная развертка; развертки возможно воспроизведение диска начнется сначала.
- 35 Меню управления воспроизведением
- 36 Воспроизведение по программе; РЕЖИМ и нажмите клавишу SELECT.; − алгоритм сжатия изображений, широко используемый во всем мире
- 37 Воспроизведение JPEG−файлов; понравившийся способ.; Воспроизведение дисков, содержащих файлы МРЗ и JPEG; и QPEL функций DivX и XviD кодеков.
- 38 ВОСПРОИЗВЕДЕНИЕ VHS−КАССЕТ; Установка источника сигнала по умолчанию; Тип аудиодорожки.; Подстройка положения считывающих головок; к магнитной ленте воспользуйтесь клавишей AUTOTRACKING.; СТЕРЕО СТОП
- 39 Ускоренное воспроизведение; времени воспроизведения VHS−кассеты.; Пауза и покадровое воспроизведение; к преждевременному выходу из строя лентопротяжного механизма.
- 40 Изменение режима аудиосопровождения; было записано стереофоническое аудиосопровождение.; Поиск фрагмента по меткам; Защита VHS−кассеты от перезаписи; лепесток при помощи небольшой отвертки.
- 42 СИСТЕМНЫЕ НАСТРОЙКИ; Переключение прогрессивной и чересстрочной развертки
- 43 Настройки воспроизведения
- 44 Установка режима цифровых аудиовыходов
- 45 Установка источника сигнала для DVD по умолчанию; Установка источника сигнала для VHS по умолчанию
- 46 Установка языка интерфейса аппарата; Установка языка дисковых меню
- 47 Автоматический поиск каналов
- 48 Сортировка списка каналов; Войдите в раздел настроек системных часов и даты меню аппарата.; Номер канала в списке
- 49 ПРОЧЕЕ; Термины
- 50 Множество языков дубляжа
- 53 Поиск неисправностей и способы их устранения; Причина неисправности
- 54 Технические характеристики; DVD секция












