Страница 38 - Содержание
PУCCKИЙ Содержание - Rus-1 - Перед началом эксплуатации Установка и подключение.............................................................................................................................2 Меры безопасности ...............................................................................
Страница 39 - Установка и подключение
PУCCKИЙ Установка и подключение - Rus-2 - Проверка микроволновой печи Распакуйте микроволновую печь и удалите упаковочный материал. Проверьте печь на наличие таких повреждений и дефектов, как вмятины, неисправность запоров дверцы, трещины в дверце. При обнаружении каких-либо неисправностей сразу же ...
Страница 40 - Меры безопасности
PУCCKИЙ Меры безопасности - Rus-3 - Назначение микроволновой печи 1. Не используйте печь ни для каких иных целей, кроме приготовления пищи. Эта печь разработана специально для разогрева и приготовления пищи. Не используйте печь для разогрева каких-либо химических веществ или непищевых продуктов. 2. ...
Страница 41 - Важная информация
PУCCKИЙ Важная информация - Rus-4 - 1) Время приготовления • Время приготовления блюд в сборнике рецептов указано приблизительно. • Время приготовления зависит от состояния продуктов, их температуры, а также от типа используемой посуды. Во избежание переваривания пищи следует сначала устанавливать м...
Страница 42 - Принципиальная схема устройства
PУCCKИЙ Принципиальная схема устройства - Rus-5 - 1 Смотровое окно печи 2 Система блокировки дверцы 3 Ручка открывания дверцы Потяните на себя, чтобы открыть дверцу печи. Если открыть дверцу во время приготовления пищи, процесс готовки временно прекращается, но ранее сделанные установки не отменяютс...
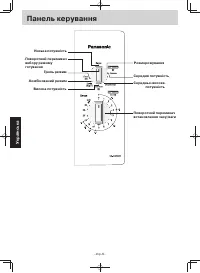
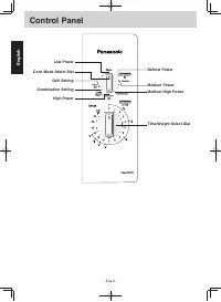
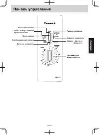
Страница 43 - Панель управления
PУCCKИЙ Панель управления - Rus-6 - Размораживание Ручка выбора режима приготовления Высокая мощность Ручка выбора Времени/Веса Средняя мощность Средне - высокая мощность Низкая мощность Гриль режимКомбинационный режим 1 2 3 4 5 6 7 8 9 0 - = ~ ! @ Комбинационный режим Низкая мощность Высокая мощнос...
Страница 44 - (Установка мощности и времени приготовления); Основные операции
PУCCKИЙ Основные операции (Установка мощности и времени приготовления) - Rus-7 - Примечания: 1. Если Вы хотите проверить состояние блюда во время приготовления, просто откройте дверцу. Печь автоматически остановит процесс приготовления. Для продолжения - закройте дверцу. 2. Чтобы остановить процесс ...
Страница 45 - (Приготовление блюд в режиме Гриль с установкой времени); (Приготовление блюд в режиме Комбинации с установкой времени)
PУCCKИЙ Основные операции (Приготовление блюд в режиме Гриль с установкой времени) - Rus-8 - • Поверните ручку выбора режима приготовления в положение Гриль . • Задайте время приготовления в режиме Гриль повернув ручку выбора Времени/Веса. Если дверца закрыта, то отсчет времени начнется сразу же. • ...
Страница 46 - Перед обращением в сервисный центр
PУCCKИЙ Перед обращением в сервисный центр - Rus-9 - Нормальные явления при работе микроволновой печи: При включении микроволновой При работе микроволновой печи могут возникать помехи в работе радио и печи возникают помехи в работе телевизоров. Подобные помехи возникают при работе небольших телевизо...
Страница 47 - Уход и техническое обслуживание микроволновой печи
PУCCKИЙ Уход и техническое обслуживание микроволновой печи - Rus-10 - 1. Необходимо постоянно чистить данную микроволновую печь и убирать остатки пищи. 2. Перед чисткой печи выключите ее и отсоедините кабель питания от сетевой розетки. 3. Внутренние поверхности микроволновой печи должны быть чистыми...
Страница 48 - Технические характеристики
PУCCKИЙ Технические характеристики - Rus-11 - Источник электропитания:Потребляемая мощность: Микроволновой режим: Гриль: Выходная мощность: Микроволновой режим*:Гриль: Габаритные размеры (Ш х В х Г):Внутренние размеры (Ш х В х Г):Рабочая частота:Вес без упаковки: 220 В 50 Гц 5,3 А 1125 Вт4,8 А 1050 ...
Страница 49 - Введение
PУCCKИЙ Введение - Rus-12 - Приготовление пищи с использованием энергии микроволн Микроволны (СВЧ) - одна из форм высокочастотных электромагнитных колебаний (с длиной волны приблизительно 12 см), сходная с радиоволнами. Электрическая энергия превращается в микроволновую за счет трубки магнетрона. Ми...
Страница 51 - Особенности приготовления пищи в микроволновой печи
PУCCKИЙ Особенности приготовления пищи в микроволновой печи - Rus-14 - Время выдержки перед подачей (устойка) Пища с более плотной структурой, например мясо, картофель в мундире, выпечка требуют некоторого времени после приготовления перед подачей на стол (внутри или вне печи). За это время тепло пр...
Страница 53 - Разогревание пищи с заданием мощности и времени
PУCCKИЙ Разогревание пищи с заданием мощности и времени - Rus-16 - Разогревание пищи с заданием мощности и времени / Готовые к употреблению замороженные продукты Готовый к употреблению Мощность Время (в мин.) Дополнительные указания замороженный продукт Хлеб и хлебобулочные изделия 1 кусок хлеба Выс...
Страница 54 - Размораживание
PУCCKИЙ Размораживание - Rus-17 - Благодаря этой функции можно размораживать продукты, просто предварительно введя их вес. Микроволновая печь сама выберет необходимое время разморозки основных продуктов. Однако не рекомендуется Использовать эту функцию для пористых продуктов, например хлеба, выпечки...
Страница 55 - Технология размораживания и полезные советы
PУCCKИЙ Технология размораживания и полезные советы - Rus-18 - Подготовка к замораживанию продуктов 1. Для заморозки продуктов подходят плотная пластиковая упаковка, специальные мешочки и пленка. 2. Мясо, птицу и рыбу следует замораживать в упаковке в 1-2 слоя, между слоями нужно проложить 2 кусочка...
Страница 56 - Рекомендации
PУCCKИЙ Рекомендации - Rus-19 - Как адаптировать Ваши любимые рецепты к микроволновой печи Чтобы адаптировать обычные рецепты для приготовления в микроволновой печи, сократите обычное время приготовления до четверти или трети. Например, если для приготовления курицы в умеренно горячей духовке требуе...
Страница 58 - Ответы на часто задаваемые вопросы
PУCCKИЙ Ответы на часто задаваемые вопросы - Rus-21 - Пища быстро остывает после разогрева в микроволновом режиме. Суп выкипает из кастрюли при приготовлении в микроволновом или комбинированном режимах. Пища слишком долго готовится в микроволновом режиме. Мясо становится жестким при приготовлении в ...
Страница 59 - Блюда на каждый день
PУCCKИЙ Блюда на каждый день - Rus-22 - Каша «Гранола» Выход: примерно 4 стакана (1 л) Ингредиенты: 500 мл (2 стакана) овсяных хлопьев 165 мл ( 2 / 3 стакана) измельченных орехов 85 мл ( 1 / 3 стакана) пророщенных зёрен пшеницы 60 мл ( 1 / 4 стакана) коричневого сахара 60 мл ( 1 / 4 стакана) мёда 5 ...
Страница 60 - Рыба и морепродукты
PУCCKИЙ Рыба и морепродукты - Rus-23 - Указания по приготовлению рыбы и морепродуктов в микроволновой печи Установка мощности и времени приготовления рыбы и морепродуктов в микроволновой печи Рыба в лимонном соке 2 порции Ингредиенты: 300г рыбного филе(можно с кожей) Лимонный сок от половины лимона ...
Страница 61 - Птица
PУCCKИЙ Птица - Rus-24 - Указания по приготовлению целой птицы в микроволновой печи Специи добавляются по желанию, но соль только после приготовления. Внешний вид блюда можно улучшить, добавив специальный соус для придания золотистого цвета, смешанный с тем же количеством масла. Можно приготовить ка...
Страница 63 - Основные блюда из мяса
PУCCKИЙ Основные блюда из мяса - Rus-26 - Указания по приготовлению мягких частей мяса в микроволновой печи Выбирайте одинаковые по форме куски мяса, чтобы добиться лучшего результата. Положите мясо на решетку для микроволновой печи, которая устанавливается на блюдо. Кусочки говядины с выступающими ...
Страница 65 - Блюда из овощей
PУCCKИЙ Блюда из овощей - Rus-28 - Приготовление свежих овощей в микроволновой печи Положите овощи в емкость. Добавьте 2-3 столовые ложки воды на каждые 500 г овощей. Посолите воду или добавьте соль по окончании готовки. Не солите сами овощи. Накройте емкость стеклянной крышкой или пленкой. Готовьте...
Страница 70 - Десерты
PУCCKИЙ Десерты - Rus-33 - Пудинг с маслом по-шотландски 4-6 порций Ингредиенты: 400 г (1 банка) сладкого сгущённого молока 30 г сливочного масла 5 мл (1 ч. ложка) ванильной эссенции 125 мл ( 1 / 2 стакана) молока 190 мл ( 3 / 4 стакана) просеянной муки 250 мл (1 стакан) коричневого сахара 125 мл ( ...