Страница 2 - PУCCKИЙ; Содержание; Перед началом эксплуатации
PУCCKИЙ Содержание - Rus-1 - Перед началом эксплуатации Установка и подключение.............................................................................................................................2Меры безопасности ................................................................................
Страница 3 - Установка и подключение; Проверка микроволновой печи; Предупреждение
PУCCKИЙ Установка и подключение - Rus-2 - Проверка микроволновой печи Распакуйте микроволновую печь и удалите упаковочныйматериал. Проверьте печь на наличие такихповреждений и дефектов, как вмятины, неисправностьзапоров дверцы, трещины в дверце. При обнаружениикаких-либо неисправностей сразу же обра...
Страница 4 - Меры безопасности
PУCCKИЙ Меры безопасности - Rus-3 - Назначение микроволновой печи 1. Не используйте печь ни для каких иных целей,кроме приготовления пищи. Эта печь разработана специально для разогрева и приготовления пищи. Неиспользуйте печь для разогрева каких-либохимических веществ или непищевых продуктов. 2. Удо...
Страница 5 - Важная информация; ) Время приготовления
PУCCKИЙ Важная информация - Rus-4 - 1) Время приготовления • Время приготовления блюд в сборнике рецептовуказано приблизительно. • Время приготовления зависит от состояния продуктов, их температуры, а также от типаиспользуемой посуды. Во избежание переваривания пищи следует сначалаустанавливать мини...
Страница 6 - Принципиальная схема устройства
PУCCKИЙ Принципиальная схема устройства - Rus-5 - 1 1 Смотровое окно печи 2 2 Система блокировки дверцы 3 3 Кнопка открывания двери Нажмите на клавишу, чтобы открыть дверь. Еслиоткрыть дверцу во время приготовления пищи,процесс приготовления временно остановится, норанее сделанные установки не отмен...
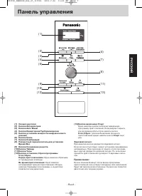
Страница 7 - Панель управления
PУCCKИЙ Панель управления - Rus-6 - (1) Окошко дисплея(2) Кнопка Авторазогрев(3) Кнопка Авто Меню(4) Кнопка Инверторная Турборазморозка(5) Кнопка установки мощности микроволнового режима (6) Кнопка Гриль(7) Кнопка Комбинация(8) Поворотный переключатель для установки Время/Вес (9) Кнопка Сохранение р...
Страница 8 - Основные операции; Поместите пищу в печь
PУCCKИЙ Основные операции - Rus-7 - Установка микроволновой мощности и времениприготовления Примечания: 1. Для 2-й и 3-й стадий приготовления повторите шаги 2 и 3 перед нажатием кнопку Старт . 2. При выборе максимального режима на первой стадии шаг 2 можно опустить.3. В процессе приготовления можно ...
Страница 10 - Использование функции блокировки от детей
PУCCKИЙ Основные операции - Rus-9 - Использование функции блокировки от детей Установка часов Примечания: 1. Для повторной установки времени дня снова выполните операции 1-3. 2. Время будет отображаться на дисплее, пока печь подключена к сети.3. Часы имеют 24-часовую индикацию времени.4. Печь не раб...
Страница 12 - Функция сохранения рецепта
PУCCKИЙ Основные операции - Rus-11 - Примечания: 1. Автоматические программы приготовления не могут быть занесены в память. 2. При программировании новых рецептов приготовления, ранее запрограммированные рецепты будут автоматически стерты. 3. При прерывании питания или отключения печи от сети рецепт...
Страница 13 - Выберите программу Гриль
PУCCKИЙ Основные операции - Rus-12 - Приготовление блюд в режиме Гриль сустановкой времени 1. Поместите пищу в печь 3. Установите время приготовления (до 90 мин ) 4. Нажмите На дисплее начнется обратный отсчет времени. 2. Выберите программу Гриль Рекомендации по приготовлению блюд в режиме Гриль При...
Страница 15 - Программы автоматического разогрева
PУCCKИЙ Основные операции - Rus-14 - Программы автоматического разогрева 1. Поместите пищу в печь 3. Выберите Порции/Вес Выберите количество порций/вес готового блюда с помощьюповоротного переключателя. 4. Нажмите Начнется отсчет времени на дисплее. 2. Выберите номер меню Меню № Категория продукта П...
Страница 16 - Программы автоматического приготовления
PУCCKИЙ Основные операции - Rus-15 - Программы автоматического приготовления 1. Поместите пищу в печь 3. Выберите Порции/Вес Выберите количество порций/вес готового блюда с помощьюповоротного переключателя. 4. Нажмите Начнется отсчет времени на дисплее. 2. Выберите номер меню Меню № Категория продук...
Страница 20 - Перед обращением в сервисный центр; Нормальные явления при работе микроволновой печи:; Проблема
PУCCKИЙ Перед обращением в сервисный центр - Rus-19 - Нормальные явления при работе микроволновой печи: При включении микроволновой При работе микроволновой печи могут возникать помехи в работе радио и печи возникают помехи в работе телевизоров. Подобные помехи возникают при работе небольших электро...
Страница 21 - Уход и техническое обслуживание микроволновой печи
PУCCKИЙ Уход и техническое обслуживание микроволновой печи - Rus-20 - Технические характеристики 1. Необходимо постоянно чистить даннуюмикроволновую печь и убирать остатки пищи. 2. Перед чисткой печи выключите ее и отсоедините кабель питания от сетевой розетки. 3. Внутренние поверхности микроволново...
Страница 22 - Краткое руководство пользователя; Функция
PУCCKИЙ Краткое руководство пользователя - Rus-21 - ИнверторнаяТурборазморозка (см. стр. 8) Активация/отменаблокировки кнопокChild Lock (см. стр. 9) Нажмите 3 раза. Для активации: Индикация на дисплее Нажмите 3 раза. Для отмены: Индикация на дисплее или Автоматическоеприготовление по весу (см. стр. ...
Страница 23 - Введение
PУCCKИЙ Введение - Rus-22 - Приготовление пищи с использованием энергии микроволн Микроволны (СВЧ) - одна из форм высокочастотных электромагнитных колебаний (с длиной волныприблизительно 12 см), сходная с радиоволнами. Электрическая энергия превращается в микроволновую засчет трубки магнетрона. Микр...
Страница 25 - Особенности приготовления пищи в микроволновой печи
PУCCKИЙ Особенности приготовления пищи в микроволновой печи - Rus-24 - Время выдержки перед подачей (устойка) Пища с более плотной структурой, например мясо, картофель в мундире, выпечка требуют некоторого времени после приготовления перед подачей на стол (внутри или вне печи). За это время тепло пр...
Страница 26 - Проверка готовности еды
PУCCKИЙ Особенности приготовления пищи в микроволновой печи - Rus-25 - Покрытие Пища должна быть накрыта крышкой или пищевой пленкой,пригодной для использования вмикроволновой печи. Следуетнакрывать рыбу, овощи, запеканки,супы. Не требуют крышки соусы,выпечка, картофель в мундире,кондитерские издели...
Страница 27 - Разогревание пищи с заданием мощности и времени
PУCCKИЙ Разогревание пищи с заданием мощности и времени - Rus-26 - Разогревание пищи с заданием мощности и времени / Готовые к употреблению замороженные продукты Готовый к употреблению Мощность Время (в мин.) Дополнительные указания замороженный продукт Хлеб и хлебобулочныеизделия 1 кусок хлеба Высо...
Страница 28 - Размораживание/Турборазморозка; Полезные советы при размораживании
PУCCKИЙ Размораживание/Турборазморозка - Rus-27 - Благодаря этой функции можноразмораживать продукты, простопредварительно введя их вес.Микроволновая печь самавыберет необходимое времяразморозки основных продуктов.Однако не рекомендуетсяИспользовать эту функцию дляпористых продуктов, напримерхлеба, ...
Страница 29 - Технология размораживания и полезные советы
PУCCKИЙ Технология размораживания и полезные советы - Rus-28 - Подготовка к замораживанию продуктов 1. Для заморозки продуктов подходят плотная пластиковая упаковка, специальные мешочки и пленка. 2. Мясо, птицу и рыбу следует замораживать в упаковке в 1-2 слоя, между слоями нужно проложить 2 кусочка...
Страница 30 - Рекомендации
PУCCKИЙ Рекомендации - Rus-29 - Как адаптировать Ваши любимые рецепты к микроволновой печи Чтобы адаптировать обычные рецепты дляприготовления в микроволновой печи, сократитеобычное время приготовления до четверти илитрети. Например, если для приготовления курицы вумеренно горячей духовке требуется ...
Страница 32 - Ответы на часто задаваемые вопросы
PУCCKИЙ Ответы на часто задаваемые вопросы - Rus-31 - Пища быстро остывает после разогревав микроволновом режиме. Суп выкипает из кастрюли приприготовлении в микроволновом иликомбинированном режимах. Пища слишком долго готовится вмикроволновом режиме. Мясо становится жестким приприготовлении в микро...
Страница 33 - Блюда на каждый день; Каша «Гранола»; Помидоры с чесноком
PУCCKИЙ Блюда на каждый день - Rus-32 - Каша «Гранола» Выход: примерно 4 стакана (1 л) Ингредиенты: 500 мл (2 стакана) овсяных хлопьев165 мл ( 2 / 3 стакана) измельченных орехов 85 мл ( 1 / 3 стакана) пророщенных зёрен пшеницы 60 мл ( 1 / 4 стакана) коричневого сахара 60 мл ( 1 / 4 стакана) мёда 5 м...
Страница 34 - Рыба и морепродукты; Рыба в лимонном соке; Филе лосося с соусом
PУCCKИЙ Рыба и морепродукты - Rus-33 - Указания по приготовлению рыбы и морепродуктов в микроволновой печи Установка мощности и времени приготовления рыбы и морепродуктов в микроволновой печи Рыба в лимонном соке 2 порции Ингредиенты: 300г рыбного филе(можно с кожей)Лимонный сок от половины лимонаСо...
Страница 35 - Птица
PУCCKИЙ Птица - Rus-34 - Указания по приготовлению целой птицы в микроволновой печи Специи добавляются по желанию, но соль только после приготовления. Внешний вид блюда можно улучшить, добавив специальный соус для приданиязолотистого цвета, смешанный с тем жеколичеством масла. Можно приготовить какф...
Страница 36 - Куриная печень в сметане; Чахохбили из курицы
PУCCKИЙ Птица - Rus-35 - Курица по-китайски 4 порции Ингредиенты: 10 сушёных китайских грибов10мл (2 чайных ложки) кунжутного масла1 зубчик чеснока, рубленый500г цыплёнок рубленый10 водных каштанов, рубленых125г ростков бамбука, рубленых15мл (1 столовая ложка) соевого соуса10мл (2 чайных ложки) устр...
Страница 37 - Основные блюда из мяса
PУCCKИЙ Основные блюда из мяса - Rus-36 - Указания по приготовлению мягких частей мяса в микроволновой печи Выбирайте одинаковые по форме куски мяса, чтобыдобиться лучшего результата. Положите мясо на решетку для микроволновой печи,которая устанавливается на блюдо. Кусочкиговядины с выступающими час...
Страница 38 - Говядина в соусе чили; Бефстроганов; Плов со свининой
PУCCKИЙ Основные блюда из мяса - Rus-37 - Говядина в соусе чили 4 порции Ингредиенты: 500 г порубленной на кусочки говядины1 нашинкованная луковица 1 мелко порезанный зубчик чеснока30 г (2ст. ложки) приправы чили 400 мл (1 банка) мякоти консервированныхтоматов 200 г (1 банка) консервированной фасоли...
Страница 39 - Блюда из овощей; Указания по приготовлению различных блюд из овощей
PУCCKИЙ Блюда из овощей - Rus-38 - Приготовление свежих овощей в микроволновой печи Положите овощи в емкость. Добавьте 2-3 столовыеложки воды на каждые 500 г овощей. Посолите водуили добавьте соль по окончании готовки. Не солитесами овощи. Накройте емкость стеклянной крышкойили пленкой. Готовьте на ...
Страница 43 - Песто Феттучини; Рис с овощами
PУCCKИЙ Рис, макароны и каши - Rus-42 - Тортеллини с беконом и луком 4 порции Ингредиенты: 600 г свежих тортеллини1,5 л (6 стаканов) кипятка1 порезанная луковица1 зубчик мелко порубленного чеснока3 кусочка мелко порезанного бекона300 мл (2 стакана) сливок15 мл (1 ст. ложка) сыра пармезан5 мл (1 ч. л...
Страница 44 - Десерты; Пудинг с маслом по-шотландски; Варенье из чёрной смородины
PУCCKИЙ Десерты - Rus-43 - Пудинг с маслом по-шотландски 4-6 порций Ингредиенты: 400 г (1 банка) сладкого сгущённого молока30 г сливочного масла5 мл (1 ч. ложка) ванильной эссенции125 мл ( 1 / 2 стакана) молока 190 мл ( 3 / 4 стакана) просеянной муки 250 мл (1 стакан) коричневого сахара125 мл ( 1 / ...