Обогреватели Тепломаш КЭВ-36П7020E 127030 - инструкция пользователя по применению, эксплуатации и установке на русском языке. Мы надеемся, она поможет вам решить возникшие у вас вопросы при эксплуатации техники.
Если остались вопросы, задайте их в комментариях после инструкции.
"Загружаем инструкцию", означает, что нужно подождать пока файл загрузится и можно будет его читать онлайн. Некоторые инструкции очень большие и время их появления зависит от вашей скорости интернета.

11
4
4
3
3
6
6
7
7
2
2
5
5
1
1
1
1
1
1
1
2
2
2
2
2
3
3
3
3
4
4
4
4
A
A
L
L
A
A
B
B
N
N
B
B
C
C
C
C
X1
X1
X3
X3
X2
X2
Завеса 1
Завеса 2...10
1N~50/220
3PE~50/380
3PE~50/380
3PE~50/380
3PE~50/380
кр
бел
кр
кор
кор
ж/з
ж/з 2,6м
ж/з
бел
сер
сер
син
син
черн
черн
Кабель управления
Распределительная
коробка
Кабели управления
завес 2...10
X2
X1
L
L
1
1
2
2
7
7
6
6
5
5
N
N
БЛОК-Е
Кабель БЛОК-Е
(в комплекте с БЛОК-Е)
1
1
1
1
2
красн
син
сер
бел
черн
ж/з
кор
L
1
2
7
6
5
N
IR
03
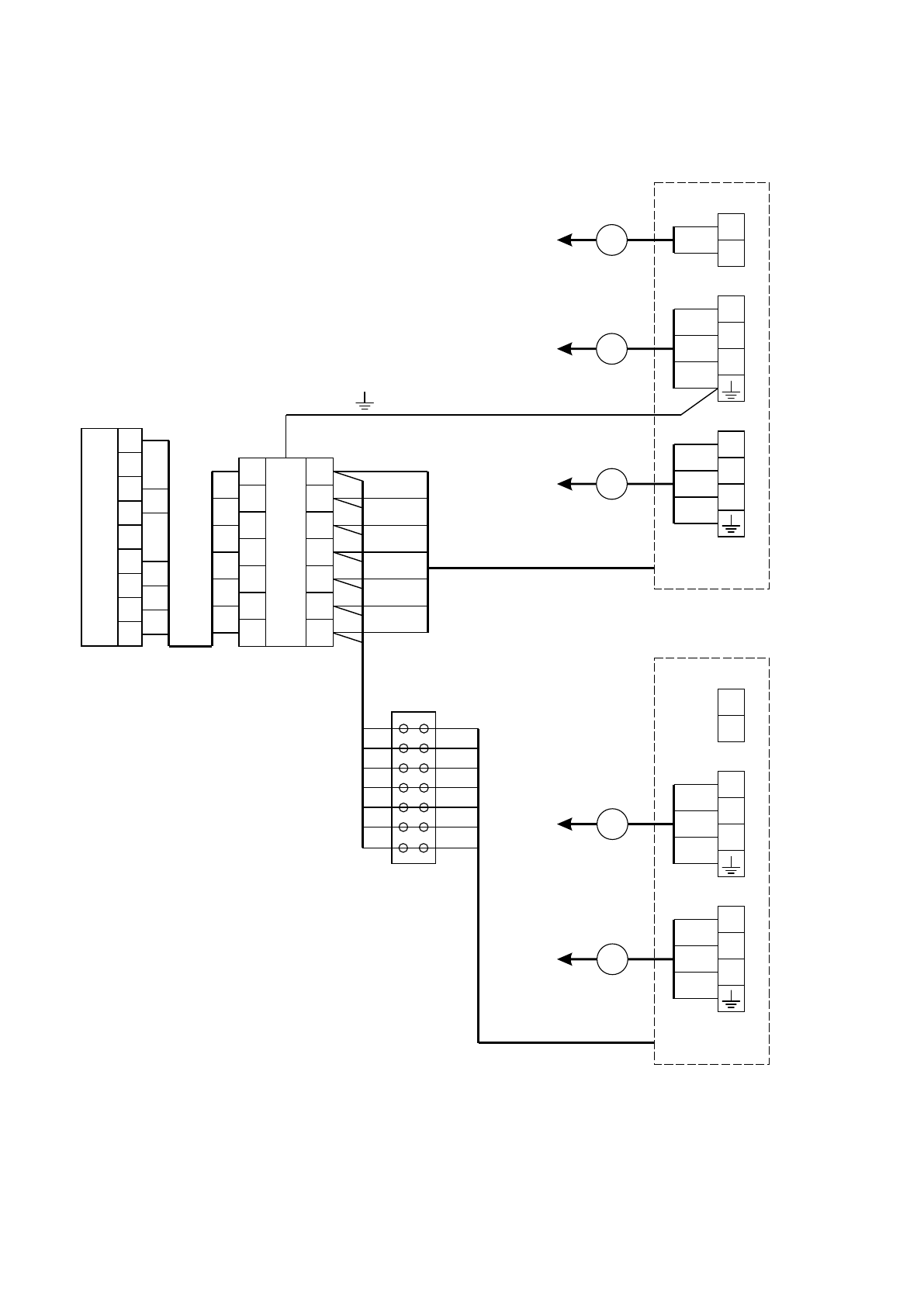
Рисунок 5. Схема подключения от двух до десяти завесы к одному пульту управления IR03 через БЛОК-Е.
Содержание
- 4 П р о д о л ж е н и е т а б л и ц ы 1; УСТРОЙСТВО И ПОРЯДОК РАБОТЫ; струи воздуха из сопла.
- 5 - Трубчатые электронагревательные; Вид А; Блок управления
- 9 Примечание – использовать кабели с многопроволочными жилами; QF; PE; Электрощитовая
- 10 Завеса 1; Кабель управления; IR
- 12 ТЕХНИЧЕСКОЕ ОБСЛУЖИВАНИЕ
- 13 Использование непригодной завесы ЗАПРЕЩЕНО!; ВОЗМОЖНЫЕ НЕИСПРАВНОСТИ И СПОСОБЫ ИХ УСТРАНЕНИЯ
- 14 ГАРАНТИЙНЫЕ ОБЯЗАТЕЛЬСТВА; П р о д о л ж е н и е т а б л и ц ы 4
- 15 Рисунок 6. Габаритные и присоединительные размеры
- 21 ÍÏÎ «Òåïëîìàø»; ëåòî; Êàáåëü óïðàâëåíèÿ çàâåñû; Òåðìîñòàò IR03R
- 22 ДЛЯ ЗАМЕТОК
- 24 СВИДЕТЕЛЬСТВО О ПРИЕМКЕ; Дата изготовления; СВИДЕТЕЛЬСТВО О ПОДКЛЮЧЕНИИ; Подключена к сети в соответствии с п.7 Паспорта; СБ