Обогреватели Ballu BHC-9.001 TR - инструкция пользователя по применению, эксплуатации и установке на русском языке. Мы надеемся, она поможет вам решить возникшие у вас вопросы при эксплуатации техники.
Если остались вопросы, задайте их в комментариях после инструкции.
"Загружаем инструкцию", означает, что нужно подождать пока файл загрузится и можно будет его читать онлайн. Некоторые инструкции очень большие и время их появления зависит от вашей скорости интернета.

15
Приложение 1
Модель
Размеры, мм*
L
A
B
C
D
E
F
BHC-12.500TR
1095
1015
40
40
218
300
280
BHC-18.500TR
1500
1420
40
40
218
300
280
BHC-24.500TR
2010
1930
40
40
218
300
280
BHC-36.500TR
2010
1930
40
40
218
300
280
* Минимальное расстояние от потолка до верхней плоскости завесы – 100 мм.
При монтаже завес вплотную друг к другу необходимо учесть, что передние панели завес выступают за габа-
риты корпуса на 3-5 мм с каждой стороны.
Приложение 2
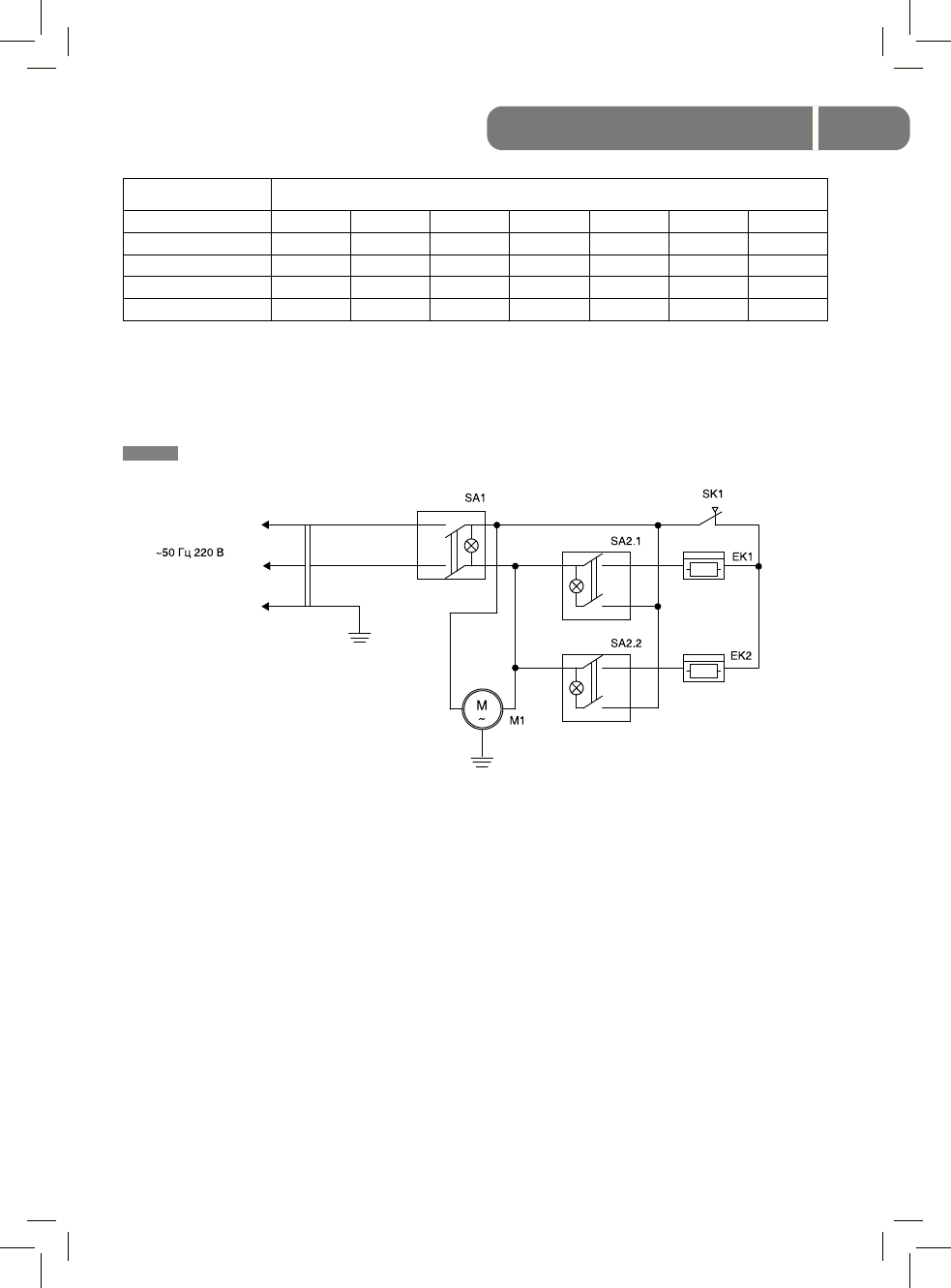
PE
N
L
EK1, EK2 – нагревательные элементы;
SK1 – защитный термостат;
M1 – электродвигатель вентилятора;
XP1 – вилка сетевая.
SA1, SA2 – выключатели;
Рис. 1.
Схема электрическая BHC-3.000SB
Manual Ballu BHC all.indd 15
Manual Ballu BHC all.indd 15
17.10.2011 10:57:41
17.10.2011 10:57:41
Содержание
- 2 Гарантийный талон; Тепловая завеса
- 3 Содержание; Используемые обозначения; Требования, не соблюдение которых может
- 4 Правила безопасности
- 5 Устройство и принцип работы; Устройство и принцип; Управление завесой
- 6 Технические характеристики; Параметр
- 7 Подготовка к работе; Монтаж тепловой завесы; Комплектность; Наименование; Завеса
- 8 Подключение пульта управления; Порядок работы; Подключение к электрической сети; Шнур с вилкой
- 11 Уход и обслуживание; Номер; Осторожное обращение
- 12 Если воздушный поток не нагревается; После транспортирования при отрицательных темпе-; Утилизация; Если завеса не включается; Транспортировка и хранение
- 13 Сертификация; ООО “Ижевский завод тепло-; Поиск неисправностей
- 14 Свидетельство о приемке; (личная подпись) (расшифровка подписи)
- 15 Приложение 1; Установочные размеры завес; Модель
- 16 Приложение 2; SK1 – защитный термостат
- 17 КМ1 – электромагнитное реле
- 18 SK4 – терморегулятор; SK1, SK2 – защитные термостаты без автовозврата
- 20 SK1 - защитный термостат без автовозврата
- 21 SK3– термостат задержки выключения двигателя
- 22 ГАРАНТИЙНЫЙ ТАЛОН
- 24 сохраняется у клиента; УНИВЕРСАЛЬНЫЙ ОТРЫВНОЙ ТАЛОН; на гарантийное обслуживание