Страница 2 - РУКОВОДСТВО ПО ЭКСПЛУАТАЦИИ; СОДЕРЖАНИЕ
-2- РУКОВОДСТВО ПО ЭКСПЛУАТАЦИИ СОДЕРЖАНИЕ Меры предосторожности .......................................................................................... 3Обращение с дисками ............................................................................................... 5Установка ...................
Страница 3 - МЕРы ПРЕДОСТОРОЖНОСТИ
-3- РУКОВОДСТВО ПО ЭКСПЛУАТАЦИИ -3- Благодарим Вас за покупку автомобиль-ной мультимедийной системы с цифровым 7'' TFT ЖК сенсорным монитором MDD-7120S. Перед подключением, эксплуатацией и/или настройкой данного аппарата для обе-спечения безопасности тщательно изучите настоящее руководство пользоват...
Страница 4 - Очистка передней панели и ЖК-экрана
-4- РУКОВОДСТВО ПО ЭКСПЛУАТАЦИИ - Если водитель отвлекает свое внимание на монитор устройства во время вожде-ния, то это может привести к потере кон-троля над дорожной ситуацией и в конеч-ном итоге стать причиной аварии. - Если стояночный тормоз не активирован, то на дисплее начнет мигать надпись PA...
Страница 5 - УПРАВЛЕНИЕ МР3 ВОСПРОИЗВЕДЕНИЕМ
-5- РУКОВОДСТВО ПО ЭКСПЛУАТАЦИИ ваются карты максимальным объемом: SD – 4Гб. Примечание: a) В связи с постоянным совершенство- ванием производителями конструкции и протоколов обмена карт памяти се-рии SD с другими устройствами, не гарантируется полная совместимость проигрывателя со всеми картами SD....
Страница 6 - УСТАНОВКА
-6- РУКОВОДСТВО ПО ЭКСПЛУАТАЦИИ -6- случае потребуется длительное время для начала воспроизведения МР3 фай-лов или возможен отказ воспроизведе-ния. - При воспроизведении диска со скоро- стью 8 Кбит/сек или «VBR» (Переменная скорость передачи битов), прошедшее время воспроизведения, отображаемое на д...
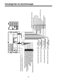
Страница 7 - СОЕДИНЕНИЯ; Стояночный тормоз
-7- РУКОВОДСТВО ПО ЭКСПЛУАТАЦИИ СОЕДИНЕНИЯ Описание подсоединения провода стояночного тормоза 1. Стояночный тормоз 2. Переключатель стояночного тормоза (внутри машины) 3. Провод стояночного тормоза (розовый) 4. К металлической части или корпусу авто- мобиля. Примечание: После подсоединения стояночно...
Страница 9 - Кнопки управления на передней панели
-9- РУКОВОДСТВО ПО ЭКСПЛУАТАЦИИ Кнопки управления на передней панели 1. Разъем для подключения карты памяти SD 2. [ o ]/MUTE Кнопка включения/выключе- ния аппарата/временного отключения звука В режиме выключенного питания крат-ко нажмите кнопку [ o ], чтобы включить аппарат. В режиме включенного пит...
Страница 10 - ПУЛЬТ ДУ
-10- РУКОВОДСТВО ПО ЭКСПЛУАТАЦИИ ПУЛЬТ ДУ 1. [ o ] Кнопка включения/выключения ап- парата 2. MODE Кнопка выбора режима работы 3. [ B ] Кнопка начала воспроизведения/ временной приостановки воспроизве-дения 4. [ j ] Кнопка мгновенного выключения/ включения звука 5. AMS В режиме радио кратко нажмите н...
Страница 11 - Замена батареек в пульте ДУ.
-11- РУКОВОДСТВО ПО ЭКСПЛУАТАЦИИ го сопровождения в режиме видео. 20. RDM В режиме USB/SD кнопка включе- ния режима воспроизведения в случай-ном порядке 21. REPEAT В режиме USB/SD кнопка включения режима повторного воспро-изведения 22. ST В режиме радио кнопка переключе- ния между стерео и моно режи...
Страница 12 - Нажмите и удерживайте в течение
-12- РУКОВОДСТВО ПО ЭКСПЛУАТАЦИИ Переключение в режим AV входа Настройки рулевого пульта Переключение в режим USB Настройки Переключение в режим TV Ночной режим При первом нажатии приглушается яркость подсветки экрана. Повторное нажатие на данный значок пе-реводит аппарат в ночной режим работы. Экра...
Страница 13 - Список файлов в режиме SD/USB
-13- РУКОВОДСТВО ПО ЭКСПЛУАТАЦИИ Описание значков меню: Мгновенное выключение звука Настройки эквалайзера Кратко нажмите на данный значок для перехода к последующей частоте. Нажмите и удерживайте данную кнопку для сканиро-вания радиостанций Кратко нажмите на данный значок для перехода к предыдущей ч...
Страница 14 - для входа в; МЕНЮ НАСТРОЙКИ РУЛЕВОГО ПУЛЬТА
-14- РУКОВОДСТВО ПО ЭКСПЛУАТАЦИИ 3.2.3 Нажмите на значок для входа в меню с видеофайлами. 3.2.4 Нажмите на значок для входа в меню с файлами изображений. 4. МЕНЮ AUX 4.1 Нажмите на значок AUX (если под-ключен внешний источник звуково-го сигнала) 4.2 Нажмите на значок «LOUD»для включения/выключения т...
Страница 15 - Схема рулевого пульта ДУ; Нажимайте на значки [
-15- РУКОВОДСТВО ПО ЭКСПЛУАТАЦИИ 6.1.4 Если Вам необходимо отменить на- стройки кнопок на рулевом пульте ДУ - нажмите на значок «RESET» (сброс). 6.2 Схема рулевого пульта ДУ В случае необходимости (при сопротивле-нии системы менее 12 кОм), соедините про- вод +5В рулевого управления (коричневый/черны...
Страница 16 - МЕНЮ СИСТЕМНыХ НАСТРОЕК
-16- РУКОВОДСТВО ПО ЭКСПЛУАТАЦИИ 8. МЕНЮ СИСТЕМНыХ НАСТРОЕК Нажмите на значок «Setting» в главном меню для входа в меню системных настроек. Описание значков меню: Настройки звука Настройка времени Настройки по умолчанию Общие настройки Системные настройки 8.1 Настройки звука Нажмите на значок для вх...
Страница 17 - Общие настройки
-17- РУКОВОДСТВО ПО ЭКСПЛУАТАЦИИ 8.4 Общие настройки Нажмите на значок для входа в меню Общих настроек. Нажмите на значок «BEEP» для включения/выключения звукового сопровождения кнопок Нажмите на значок «DISABLE_VIDEO» и выберите параметр «Disable (ВЫКЛ)/Enable» (Enable - видеофайлы могут воспроизво...
Страница 18 - Увеличение уровня громкости
-18- РУКОВОДСТВО ПО ЭКСПЛУАТАЦИИ Увеличение уровня громкости Уменьшение уровня громкости Настройка формата принимаемого телевизионного сигнала Настройка формата звука принимае-мого сигнала Автоматический поиск и сохранение телевизионных каналов Мгновенное выключение/включение звука Подтверждение выб...
Страница 19 - ОСНОВНыЕ НЕПОЛАДКИ И СПОСОБы ИХ УСТРАНЕНИЯ; Неисправность
-19- РУКОВОДСТВО ПО ЭКСПЛУАТАЦИИ ОСНОВНыЕ НЕПОЛАДКИ И СПОСОБы ИХ УСТРАНЕНИЯ Неисправность Причина Способ устранения Аппарат не включается Перегорел предохранитель Замените предохранитель Неправильно выполнены под-соединения Подсоедините аппарат пра-вильно Аппарат включен, но нет звука Динамики подсо...
Страница 20 - ТЕХНИЧЕСКИЕ ХАРАКТЕРИСТИКИ
-20- РУКОВОДСТВО ПО ЭКСПЛУАТАЦИИ ТЕХНИЧЕСКИЕ ХАРАКТЕРИСТИКИ ОбщиеНапряжение питания: ................................ 12 B, заземление на минусМаксимальная выходная мощность: .......... 4х50Вт (при 14,4В)Размеры корпуса аппарата (Ш х В х Г): ...... 178 х 143 х 100 мм ВидеоФормат экрана: ...............
Страница 21 - ТЕХНИЧЕСКАЯ ПОДДЕРЖКА
-21- РУКОВОДСТВО ПО ЭКСПЛУАТАЦИИ Уведомляем, что вся упаковка данного прибора НЕ ПРЕДНАЗНАЧЕНА для вторичной упаковки или хранения в ней ПИЩЕВОЙ ПРОДУКЦИИ. ТЕХНИЧЕСКАЯ ПОДДЕРЖКА Единая справочная служба: тел.8-800-100-20-17 service@mysteryelectronics.ru Дополнительную информацию о гарантийном и посл...