Мультиварки Ves SK-A18 - инструкция пользователя по применению, эксплуатации и установке на русском языке. Мы надеемся, она поможет вам решить возникшие у вас вопросы при эксплуатации техники.
Если остались вопросы, задайте их в комментариях после инструкции.
"Загружаем инструкцию", означает, что нужно подождать пока файл загрузится и можно будет его читать онлайн. Некоторые инструкции очень большие и время их появления зависит от вашей скорости интернета.

Руководство
Приступаем
к
работе
Commander SK
37
Редакция
: 7
www.controltechniques.com
Те
Номи
Ме
ха
Клав
Параме
Быстрая
Диаг
О
Спи
Если
ток
>Pr
46
,
а
частота
>Pr
48
,
то
запускается
последовательность
отпускания
тормоза
.
Если
частота
<Pr
49
и
была
подана
команда
останова
электропривода
,
то
тормоз
включается
сразу
же
.
Определяет
интервал
времени
между
соблюдением
условий
по
частоте
и
нагрузке
и
моментом
отпускания
тормоза
.
В
течение
этого
времени
удерживается
рампа
.
Определяет
интервал
времени
между
моментом
отпускания
тормоза
и
прекращением
удержания
рампы
.
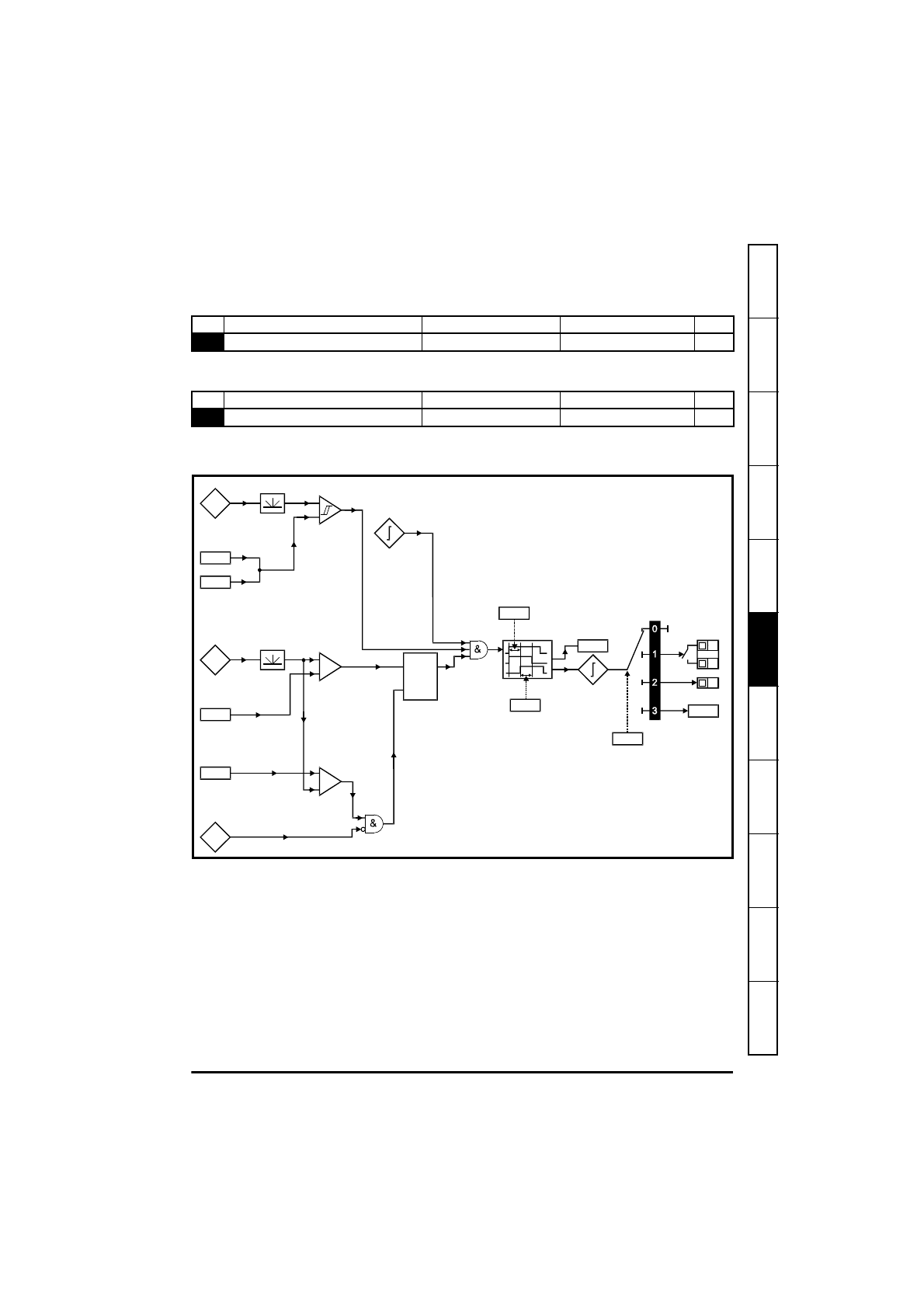
Рис
. 6-12
Функциональная
схема
торможения
№
Функция
Диапазон
По
умолчанию
Тип
50
Задержка
на
включение
тормоза
0,0
до
25,0
с
1.0
RW
№
Функция
Диапазон
По
умолчанию
Тип
51
Задержка
после
отпускания
тормоза
0,0
до
25,0
с
1.0
RW
46
47
+
_
48
49
+
_
+
_
50
51
12
T5
T6
B3
88
85
91
Амплитуда
тока
Электропривод
активен
Порог
тока
отпускания
тормоза
Порог
тока
включения
тормоза
Частота
двигателя
Частота
отпускания
тормоза
Частота
включения
тормоза
Задание
разрешено
Вх
.
Вых
Сброс
Защелка
Удержание
рампы
Задержка
на
включение
тормоза
Задержка
после
отпускания
тормоза
Разрешение
регулятора
тормоза
Тормоз
запрещен
Отпускание
тормоза
Программирует
пользователь
Содержание
- 3 Содержание; Commander SK
- 4 Декларация; Руководство
- 5 Техника
- 7 Регулировка; Control Techniques
- 8 Номинальные; SK A 1 2 XXXXX
- 9 Выходная; Pr
- 10 Механическая; Рис
- 12 Электрическая; Подключение; Внутренний
- 13 Утечка; При
- 14 Если; AC
- 15 ЭМС
- 16 SELV
- 17 VoLt
- 19 Клавиатура; Кнопки; Панель
- 20 Выбор
- 21 Таблица; LoC
- 22 Восстановление
- 23 Параметры; Уровень; Описание
- 30 Коды; diS
- 33 OFF
- 35 Auto
- 36 Ur S; Ur
- 39 до
- 40 Пример; Диагностические
- 41 Быстрая; Управление
- 44 PAd
- 45 Диагностика
- 46 rS; hot; FAIL
- 48 Опции
- 49 Документация; Руководства; IP
- 50 Список
- 52 Информация
Характеристики
Остались вопросы?Не нашли свой ответ в руководстве или возникли другие проблемы? Задайте свой вопрос в форме ниже с подробным описанием вашей ситуации, чтобы другие люди и специалисты смогли дать на него ответ. Если вы знаете как решить проблему другого человека, пожалуйста, подскажите ему :)








Здравствуйте, потерялся силиконовый уплотнитель
запорного клапана выпуска пара. Не могу точно снять размеры, чтобы выписать аналогичный. Напишите точные размеры на мультиварку-скороварку VES модель SK-A18