Морозильные камеры Ardesto IM-A1200SS - инструкция пользователя по применению, эксплуатации и установке на русском языке. Мы надеемся, она поможет вам решить возникшие у вас вопросы при эксплуатации техники.
Если остались вопросы, задайте их в комментариях после инструкции.
"Загружаем инструкцию", означает, что нужно подождать пока файл загрузится и можно будет его читать онлайн. Некоторые инструкции очень большие и время их появления зависит от вашей скорости интернета.

30
EN
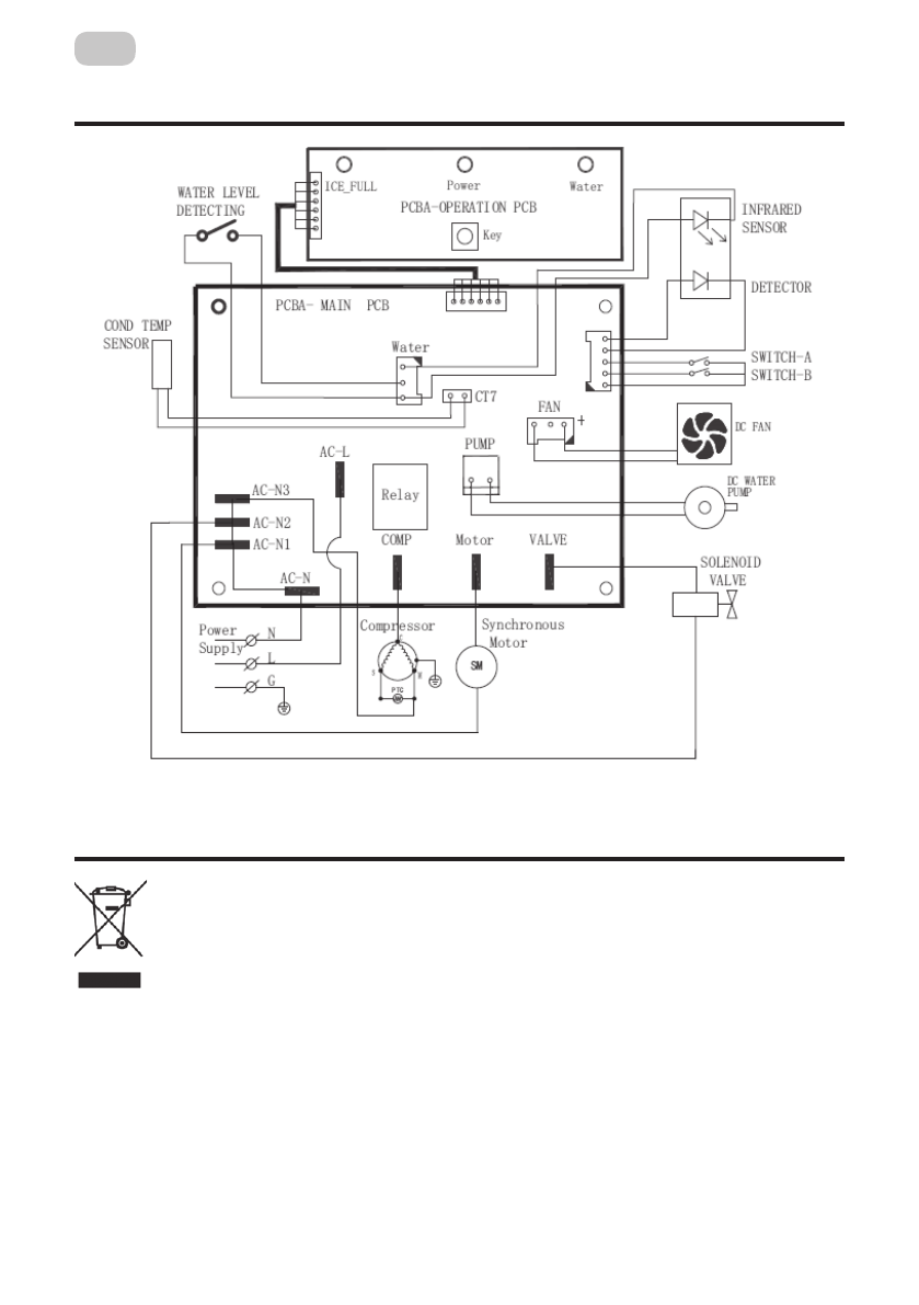
CIRCUIT DIAGRAM
Льодогенератор працює, але
не робить лід.
Компресор перебуває в режимі
захисту від запуску або стався
витік холодоагенту.
Увімкніть і вимкніть пристрій і
перевірте, чи правильно
вставлена вилка в розетку.
Зачекайте 30 хвилин, і пристрій
працюватиме нормально.
Якщо через 30 хвилин
льодогенератор усе ще не
запускається, відключіть його
від електромережі та
зверніться в авторизований
сервісний центр для ремонту
пристрою.
Якщо проблему не вдалося усунути, зверніться до авторизованого сервісного центру.
ЕЛЕКТРИЧНА СХЕМА
CORRECT DISPOSAL OF THIS PRODUCT
This marking indicates that this product should not
be disposed with other household wastes. To prevent
possible harm to the environment or human health from
uncontrolled waste disposal, recycle it responsibly to
promote the sustainable reuse of material resources. To return your
used device, please use the return and collection systems or contact
the retailer where the product was purchased. They can take this
product for environmentally safe recycling.
Packaging of the product is produced by recyclable materials. Sort
them out according to the waste instructions and dispose. Do not
throw them together with the domestic waste.
Характеристики
Остались вопросы?Не нашли свой ответ в руководстве или возникли другие проблемы? Задайте свой вопрос в форме ниже с подробным описанием вашей ситуации, чтобы другие люди и специалисты смогли дать на него ответ. Если вы знаете как решить проблему другого человека, пожалуйста, подскажите ему :)