Морозильные камеры Ardesto IM-A1200SS - инструкция пользователя по применению, эксплуатации и установке на русском языке. Мы надеемся, она поможет вам решить возникшие у вас вопросы при эксплуатации техники.
Если остались вопросы, задайте их в комментариях после инструкции.
"Загружаем инструкцию", означает, что нужно подождать пока файл загрузится и можно будет его читать онлайн. Некоторые инструкции очень большие и время их появления зависит от вашей скорости интернета.

16
UA
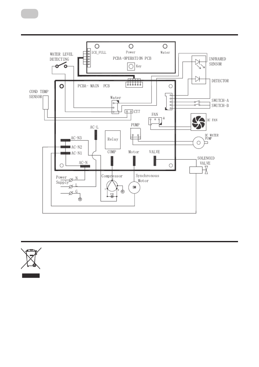
ЕЛЕКТРИЧНА СХЕМА
Льодогенератор працює, але
не робить лід.
Компресор перебуває в режимі
захисту від запуску або стався
витік холодоагенту.
Увімкніть і вимкніть пристрій і
перевірте, чи правильно
вставлена вилка в розетку.
Зачекайте 30 хвилин, і пристрій
працюватиме нормально.
Якщо через 30 хвилин
льодогенератор усе ще не
запускається, відключіть його
від електромережі та
зверніться в авторизований
сервісний центр для ремонту
пристрою.
Якщо проблему не вдалося усунути, зверніться до авторизованого сервісного центру.
ЕЛЕКТРИЧНА СХЕМА
ПРАВИЛЬНА УТИЛІЗАЦІЯ ЦЬОГО ПРИЛАДУ
Це маркування свідчить про те, що пристрій заборонено
утилізувати разом з іншими побутовими відходами. Щоб
уникнути можливої шкоди навколишньому середовищу
або людському здоров’ю, спричиненої неконтрольованою
утилізацією відходів, цей пристрій необхідно утилізувати від-
повідально, щоб забезпечити екологічно безпечне використання
матеріальних ресурсів. Щоб здати старий пристрій для безпечної
утилізації, зверніться в пункт збору відходів електричного й елек-
тронного обладнання або в магазин, де ви придбали пристрій.
Пакувальні матеріали виготовлені з матеріалів, що можуть бути
утилізовані. Розсортуйте сміття відповідно до рекомендацій і ви-
киньте. Не викидайте разом із побутовим сміттям.
Характеристики
Остались вопросы?Не нашли свой ответ в руководстве или возникли другие проблемы? Задайте свой вопрос в форме ниже с подробным описанием вашей ситуации, чтобы другие люди и специалисты смогли дать на него ответ. Если вы знаете как решить проблему другого человека, пожалуйста, подскажите ему :)