Материнские платы GIGABYTE GA P55M UD2 rev 1 1 - инструкция пользователя по применению, эксплуатации и установке на русском языке. Мы надеемся, она поможет вам решить возникшие у вас вопросы при эксплуатации техники.
Если остались вопросы, задайте их в комментариях после инструкции.
"Загружаем инструкцию", означает, что нужно подождать пока файл загрузится и можно будет его читать онлайн. Некоторые инструкции очень большие и время их появления зависит от вашей скорости интернета.

- 8 -
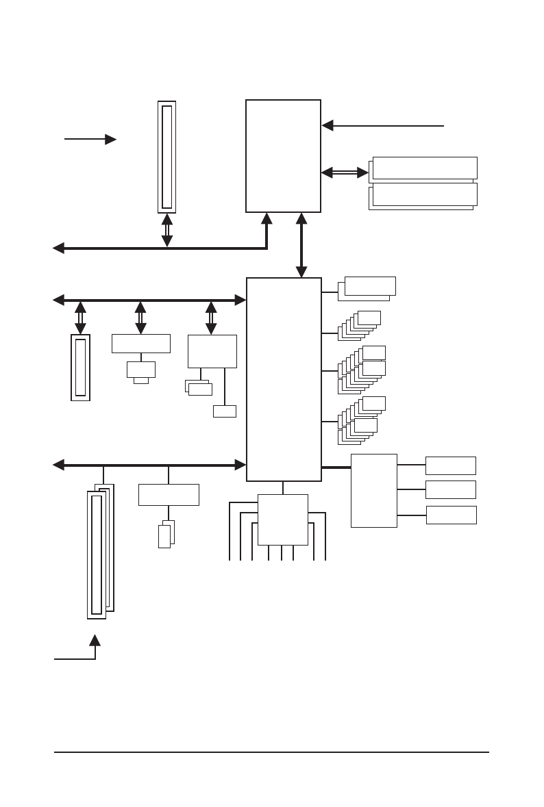
Block Diagram
PS/2 KB/Mouse
Floppy
COM
12 USB Ports
k
14 USB Ports
j
LGA1156
CPU
DMI
Interface
Intel
®
P55
j
Intel
®
H55
k
PCI Bus
PCI Express Bus
PCI Express Bus
IT8720
CPU CLK+/- (133 MHz)
PCIe CLK
(100 MHz)
6 SATA 3Gb/s
Dual BIOS
Center/Subwoofer Speaker Out
Line Out
MIC
Line In
S/PDIF In S/PDIF Out
Side Speaker Out
Surround Speaker Out
CODEC
1 PCI Express x4
2 PCI
PCI CLK
(33 MHz)
TSB43AB23
2 IEEE 1394a
x1
ATA-133/100/66/33
IDE Channel
GIGABYTE
SATA2
2 SATA 3Gb/s
DDR3 2200/1333/1066/800 MHz
Dual Channel Memory
x4
LPC
Bus
LAN
x1
RTL8111D
RJ45
1 PCI Express x16
x16
j
Only for GA-P55M-UD2.
k
Only for GA-P55M-US2.