Материнские платы GIGABYTE GA M52LT D3 rev 2 3 - инструкция пользователя по применению, эксплуатации и установке на русском языке. Мы надеемся, она поможет вам решить возникшие у вас вопросы при эксплуатации техники.
Если остались вопросы, задайте их в комментариях после инструкции.
"Загружаем инструкцию", означает, что нужно подождать пока файл загрузится и можно будет его читать онлайн. Некоторые инструкции очень большие и время их появления зависит от вашей скорости интернета.

- 8 -
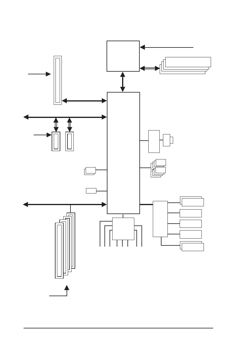
GA-M52LT-D3/GA-M52LT-S3P Motherboard Block Diagram
PS/2 KB/Mouse
Floppy
COM Port
Hyper Transport
NVIDIA
®
nForce 520LE
PCI Express Bus
iTE
IT8720
CPU CLK+/- (200 MHz)
ATA-133/100/66/33 IDE Channel
8 USB 2.0/1.1
LPC
Bus
Dual Channel Memory
Center/Subwoofer Speaker Out
Line Out
MIC
Line In
S/PDIF In S/PDIF Out
Side Speaker Out
Surround Speaker Out
CODEC
2 SATA 3Gb/s
PCIe CLK
(100 MHz)
x1
x1
2 PCI Express x1
PCI Bus
4 PCI
PCI CLK
(33 MHz)
LAN
Realtek
RTL8201EL
RJ45
DDR3 1666(O.C.)/1333/1066 MHz
AM3 CPU
PCIe CLK
(100 MHz)
1 PCI Express x16
Dual BIOS
LPT Port
 
  
  
  
  
  
  
  
  
  
  
  
  
  
  
  
  
  
  
  
  
  
  
  
  
  
  
  
  
  
  
  
  
  
  
  
  
  
  
  
  
  
  
  
  
  
  
  
  
  
  
  
  
  
  
  
  
  
  
  
  
  
  
  
  
  
  
  
  
  
  
  
  
  
  
  
  
  
  
  
  
  
  
  
  
  
  
  
  
  
  
  
  
  
  
  
 


