Материнские платы GIGABYTE GA 945GCM S2L - инструкция пользователя по применению, эксплуатации и установке на русском языке. Мы надеемся, она поможет вам решить возникшие у вас вопросы при эксплуатации техники.
Если остались вопросы, задайте их в комментариях после инструкции.
"Загружаем инструкцию", означает, что нужно подождать пока файл загрузится и можно будет его читать онлайн. Некоторые инструкции очень большие и время их появления зависит от вашей скорости интернета.

- 8 -
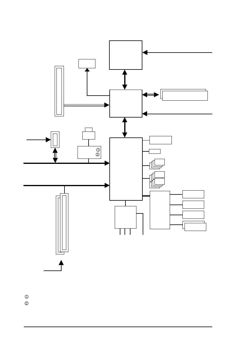
Line-Out(Front Speaker Out)
MIC(Center/Subwoofer Speaker Out)
Line-In(Rear Speaker Out)
SPDIF Out
CODEC
Block Diagram
LGA775
Processor
Host
Interface
Intel
®
945GC
GMCH CLK
(333
(Note 1)
/266/200/133 MHz)
Intel
®
ICH7
BIOS
2 PCI
PCI Bus
PCI Express Bus
Dual Channel Memory
4 SATA 3Gb/s
PCI CLK
(33 MHz)
PCIe CLK
(100 MHz)
PCI Express x16
8 USB Ports
IT8718
F l o p p y
PS/2 KB/Mouse
LPT Port
CPU CLK+/-
(333
(Note 1)
/266/200/133 MHz)
D-Sub
1 PCI Express x1
PCIe CLK
(100 MHz)
x 1
ATA-100/66/33 IDE Channel
COM Port
DDR2 667/533/400 MHz
(Note 2)
Only for GA-945GCM-S2L.
Only for GA-945GCM-S2C.
(Note 1) Enable use of a Core
TM
2 CPU with 1333 MHz FSB through overclocking. You must install the
FSB 1333 MHz Core
TM
2 CPU with DDR2 533 (or above) memory module(s).
(Note 2) Use of a 1066/800 MHz FSB CPU is required if you wish to install DDR2 667 MHz memory.
RJ45
LAN
RTL8111C
RTL8101E