Материнские платы GIGABYTE GA 8IPE1000 rev 4 x - инструкция пользователя по применению, эксплуатации и установке на русском языке. Мы надеемся, она поможет вам решить возникшие у вас вопросы при эксплуатации техники.
Если остались вопросы, задайте их в комментариях после инструкции.
"Загружаем инструкцию", означает, что нужно подождать пока файл загрузится и можно будет его читать онлайн. Некоторые инструкции очень большие и время их появления зависит от вашей скорости интернета.

- 7 -
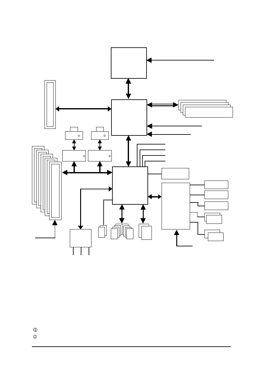
Block Diagram
Only for GA-8IPE1000-G.
Only for GA-8IPE1000-L.
Pentium 4
Socket 478
CPU
CPUCLK+/-(100/133/200MHz)
Intel 865PE
HCLK+/- (100/133/200MHz)
Dual Channel
DDR 400/333/266MHz DIMM
PCICLK
(33MHz)
5 PCI
PCI Bus 33MHz
33MHz
48MHz
SMSC
LPC47M997-
NR
14.318MHz
BIOS
Floppy
PS/2 KB/Mouse
LPT Port
ZCLK (66 MHz)
2 COM Ports
Line In
Mic In
ATA33/66/100
IDE Channels
Intel ICH5
CODEC
Line Out
RJ45
RTL8110S
8 USB
Ports
14MHz
AGPCLK 66MHz
AGP 4X/8X
AC97 Link
2 Serial
ATA
System Bus
400/533/800 MHz
DDR
RJ45
RTL8100C
Game Port
66MHz