Материнские платы GIGABYTE GA 8ILMT4 - инструкция пользователя по применению, эксплуатации и установке на русском языке. Мы надеемся, она поможет вам решить возникшие у вас вопросы при эксплуатации техники.
Если остались вопросы, задайте их в комментариях после инструкции.
"Загружаем инструкцию", означает, что нужно подождать пока файл загрузится и можно будет его читать онлайн. Некоторые инструкции очень большие и время их появления зависит от вашей скорости интернета.

Technical Reference
- 49 -
English
Revision History
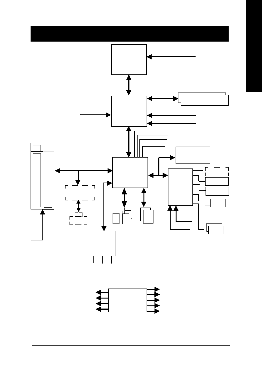
Chapter 4 Technical Reference
Pentium 4
C P U
Intel
82845GL
ITE8712
AC97
CODEC
FWH
Intel
ICH 4
CPUCLK
±
(100/133MHz)
System Bus 400MHz
DDR RAM
200/266 MHz
HCLK
±
(100/133MHz)
GMCHCLK (66MHz)
66 MHz
33 MHz
14.318 MHz
48 MHz
24 MHz
33 MHz
LPC BUS
AGPCLK
(66MHz)
3 PCI
PCICLK
(33MHz)
RTL8100BL
AC97 Link
MIC
LINE-IN
LINE-OUT
6 USB
Ports
(2.0/1.1)
ATA33/66/100
IDE Channels
CLK
GEN
HCLK
±
(100/133MHz)
CPUCLK
±
(100/133MHz)
AGPCLK (66MHz)
MCHCLK (66MHz)
ICH3V66 (66MHz)
PCICLK (33MHz)
USBCLK (48MHz)
14.318 MHz
33 MHz
Game Port
Floppy
LPT Port
PS/2
KB/Mouse
C O M
Ports
Block Diagram
RJ45