Магнитолы Alpine IVA-D106R - инструкция пользователя по применению, эксплуатации и установке на русском языке. Мы надеемся, она поможет вам решить возникшие у вас вопросы при эксплуатации техники.
Если остались вопросы, задайте их в комментариях после инструкции.
"Загружаем инструкцию", означает, что нужно подождать пока файл загрузится и можно будет его читать онлайн. Некоторые инструкции очень большие и время их появления зависит от вашей скорости интернета.

75
-RU
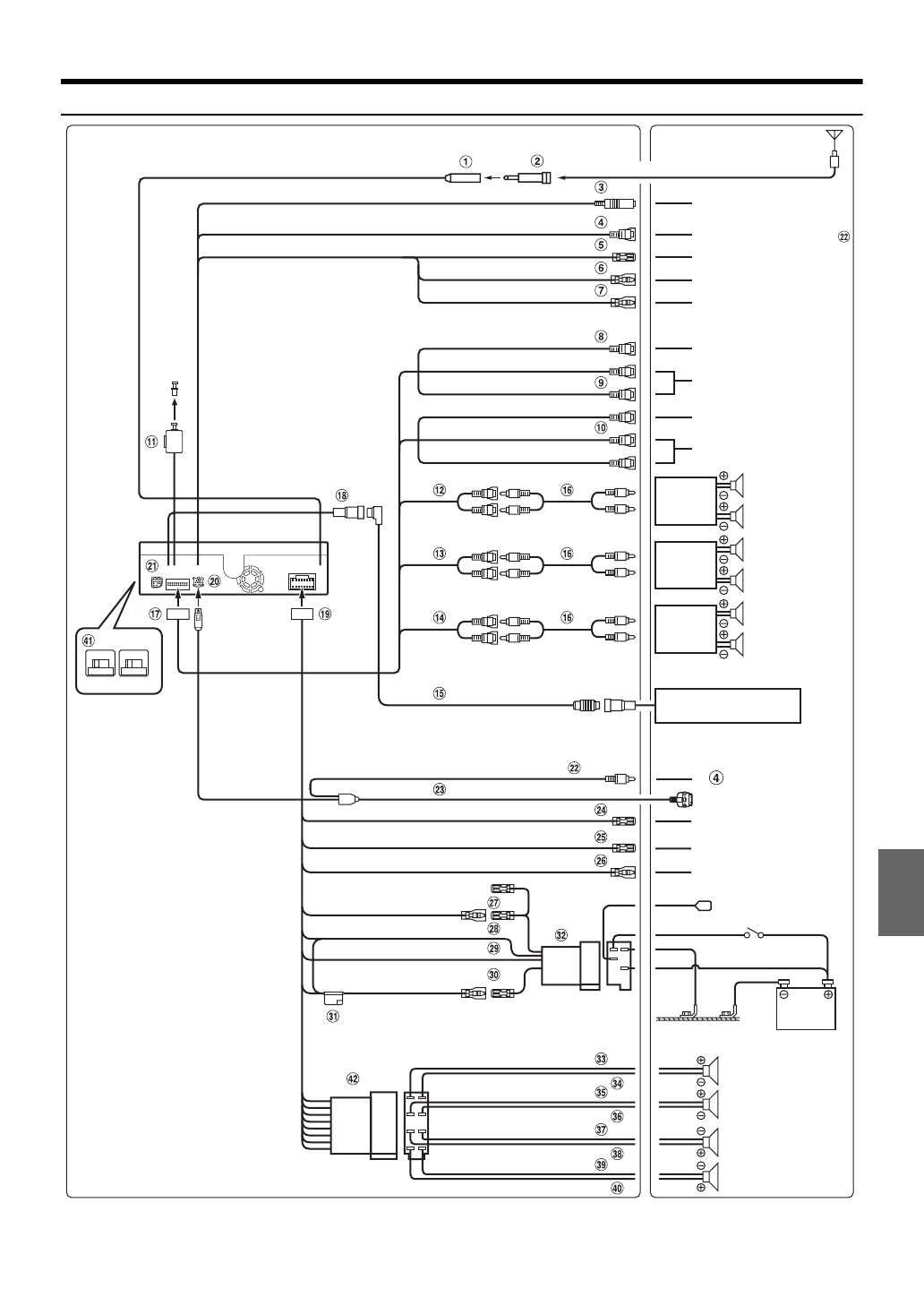
Соединения
•
Переведите переключатель системы в положение “NORM” при подключении только устройства для смены компакт-дисков (если не
используется совместимый с шиной Ai-NET эквалайзер).
Если подключен аудиопроцессор IMPRINT, выберите положение EQ/DIV.
*
Переключатели системы находятся на правой стороне устройства (если смотреть на переднюю панель).
*
EQ/DIV
NORM
(Красный)
К iPod
Чейнджер компакт-дисков
(приобретается
дополнительно)
Усилитель
Усилитель
Усилитель
Тыловой левый
Тыловой правый
Фронт. левый
Фронт. правый
Сабвуфер
К разъемам выхода
аудиосигнала (П, Л)
К разъемам входа
аудиосигнала (П, Л)
К разъему видеовыхода
К разъему видеовхода
(Белый)
(Желтый)
(Красный)
(Белый)
(Желтый)
REVERSE (оранжевый/белый)
Remout IN (белый/коричневый)
Remout Out (белый/коричневый)
К плюсовой клемме
сигнального провода
лампочки заднего хода
автомобиля
К выходному проводу ДУ
К входному проводу ДУ
К камере заднего вида или
К блоку интерфейсу рулевого
пульта ДУ
Антенна
Антенный ISO-разъем
К усилителю или эквалайзеру
К питанию антенны
К телефону автомобиля
К сигнальному проводу
стояночного тормоза
Батарея
Замок зажигания
Фронтальный левый
Тыловой левый
Тыловой правый
Фронтальный правый
Динамики
(синий/белый)
(Синий)
(розовый/черный)
(желтый/синий)
(Желтый)
(Черный)
(Красный)
(Зеленый)
(Зеленый/черный)
(Белый/черный)
(Серый)
(Фиолетовый/черный)
(Фиолетовый)
AUDIO INTERRUPT IN
REMOUT TURN-ON
PARKING BRAKE
ACC
GRD
POWER ANT
BATTERY
(Серый/черный)
(Белый)
К
(Желтый)
Содержание
- 3 РУССКИЙ; эксплуатации; ПРЕДУПРЕЖДЕНИЕ
- 5 Установка и соединения
- 6 Инструкция по эксплуатации; НЕ РАЗБИРАТЬ И НЕ ИЗМЕНЯТЬ.
- 7 МЕРЫ ПРЕДОСТОРОЖНОСТИ
- 8 Диски, воспроизводимые на; Воспроизводимые диски
- 9 Советы по созданию собственных компакт-дисков; ALL
- 10 Терминология
- 11 Комплектация; Расположение элементов управления; Приступая к работе
- 13 Работа с СЕНСОРНОЙ ПАНЕЛЬЮ
- 14 Прослушивание радио; Радио
- 15 Работа RDS
- 16 Режим приоритетного приема новостей
- 18 Воспроизведение; Повторное воспроизведение
- 21 Отображение экрана режима DVD
- 22 Отображение экрана главного меню
- 23 Поиск по программе; Остановка воспроизведения; Перемотка вперед/назад
- 24 Замедленное воспроизведение; Выбор папки
- 26 Переключение угла просмотра; Выбор языка звуковой дорожки
- 27 Информация о дисках DivX; Переключение из меню диска
- 28 фейдера, тембров ВЧ и НЧ, фильтра высоких
- 29 Функция поиска
- 31 Отмена функции “Simultaneous”
- 32 Операция настройки DVD-проигрывателя; Настройка; Изменение настроек языка
- 33 Настройка языка субтитров; Изменение настройки цифрового выхода
- 35 Изменение настроек экрана ТВ
- 36 Операции по настройки радио; Настройка радио; Отображение RDS времени
- 37 Режим PI SEEK; Основные настройки; Отображение времени
- 38 Настройка времени; Настройка перехода на летнее время; Переключение на русский шрифт
- 39 Операции с системными настройками; Системные настройки; Переключение функции датчика ДУ
- 40 Настройка режима навигации
- 41 Настройка Bluetooth соединения
- 42 Настройки дисплея; Изменение угла наклона монитора
- 43 Операция настройки Visual EQ; Выбор цвета подсветки шрифта
- 45 Загрузка данных
- 46 Настройка режима MultEQ; Настройка уровня MX
- 47 Настройка КРОССОВЕРА
- 48 Настройки графического эквалайзера
- 49 Сохранение настроек в памяти; Восстановление предварительной настройки
- 50 Информация о временной коррекции; Пример 2. Точка прослушивания: все сидения
- 51 Информация о кроссовере
- 52 Информация о технологии IMPRINT; ВИДЕНИЕ И РЕАЛЬНОСТЬ
- 53 Настройка внешнего аудиопроцессора
- 54 Настройка динамиков
- 56 Регулировка фазы
- 57 Настройка режима управления басом; Настройка Dolby Digital; Настройка режима “Bass Compressor”
- 58 Настройка уровня DVD
- 59 Использование режима Pro Logic II; Настройка линейного СИГНАЛА PCM
- 62 iPod
- 63 подкаста; Поиск по имени исполнителя
- 64 О дисках DVD; Информация
- 73 ТЕХНИЧЕСКИЕ ХАРАКТЕРИСТИКИ; CLASS 1
- 74 ПРЕДОСТЕРЕЖЕНИЯ; ВЫПОЛНЯЙТЕ ПРАВИЛЬНЫЕ ПОДКЛЮЧЕНИЯ.; НЕ УСТАНАВЛИВАЙТЕ УСТРОЙСТВО В МЕСТАХ, ГДЕ ОНО МОЖЕТ; Меры предосторожности
- 75 Установка
- 77 Соединения
- 79 Пример системы