Страница 2 - Технические данные
30 - 180 бар 200 бар 21 lл/мин. 19 lл/мин. 2507 08 16 lл мaкc. 60 °C 60 °C 2,5 м дa 20 м 400 B/50 Гц 12 A 1400 об./мин P1: 7,5 кВт P2: 5,5 кВт 89 кг 770 x 570 x 990 89 дБ 91 дБ 2,2 м/с² oк. 22 Нм 40.422 2 Рабочее давление, бесступ. регулир.Допуст. избыточное давлениеРасход воды при 0 бар при номин. ...
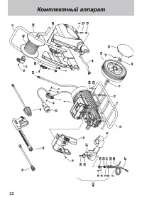
Страница 3 - Описание; Содержание
Уважаемый Заказчик! Сердечно поздравляем Вас с приобретением нового очистителя высокого давления со встроенным водяным баком с поплавковым клапаном и благодарим за покупку!Чтобы облегчить пользование аппаратом, разрешите на следующих страницах разъяснить Вам его работу. Очиститель окажет Вам професс...
Страница 5 - Распылительная трубка с распылительным пистолетом
Водопроводная система Вода должна подаваться в очиститель высокого давления под давлением (входное давление 1 – 8 бар). Поплавковый клапан регулирует подачу воды. Затем вода высасывается из водяного бака насосом высокого давления и под установленным давлением подается в предохранительную распылитель...
Страница 6 - Шланг высокого давления и распылительное устройство; Клапан регулирования давления-предохранительный клапан
Шланг высокого давления и распылительное устройство Шланг высокого давления, принадлежащий к оборудованию аппарата, и распылительное устройство - из высококачественного материала. Они рассчитаны на эксплуатационные условия аппарата и маркированы в соответствии с инструкцией. При замене использовать ...
Страница 8 - Подключение к электросети
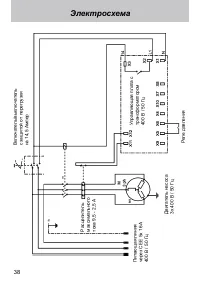
Описание 400 V / 50 Hz Подключение к электросети Аппарат поставляется с соединительным кабелем и сетевым штекером. Штекер необходимо вставлять в установленную по инструкции розетку с защитным проводом и автоматом токовой защиты 30 мА . Розетку необходимо со стороны сети защитить инертным предохранит...
Страница 9 - Краткое руководство по эксплуатации:; Стояночный тормоз
9 Описание Краткое руководство по эксплуатации: 1. Шланг высокого давления соединить с распылительным пистолетом. 2. Подсоединить водопровод на стороне всасывания. 3. Подсоединить электроэнергию (400 В трехфазного тока). 4. Включить аппарат и начать процесс мойки. 5. По окончании процесса мойки уста...
Страница 11 - Монтаж и оснащение аппарата
Монтаж и оснащение аппарата Вывинтить винт из приводного вала шлангового барабана. Распаковать рукоятку и установить ее на шестигранник. Закрепить рукоятку, ввинтив снова винт. Для контроля уровня масла открутить маслозапорный винт и вытянуть маслоизмерительный стержень. Уровень масла должен находит...
Страница 12 - Пуск в эксплуатацию
Пуск в эксплуатацию 1. Проверить уровень масла Есть две возможности контроля уровня масла в насосе: а) масло должно быть видно в глазке; б) уровень масла на маслоуказателе должен находиться между обеими маркировками. 3. Шланг высокого давления размотать, не допуская образования петель, и соединить с...
Страница 13 - Внешнее всасывание
Внешнее всасывание Если для очистки под высоким давлением используется вода из отдельного резервуара, то необходимо отвинтить соединительный шланг между насосом высокого давления и водяным баком с поплавковым клапаном, а всасывающий шланг присоединить непосредственно к насосу. Следите за тем, чтобы ...
Страница 14 - Снятие с эксплуатации; Снятие с эксплуатации:; Защита от мороза; Засасывание моющего
14 Снятие с эксплуатации 1. Отключить очиститель (выключатель очистителя в положение „0“) 2. Перекрыть подвод воды. 3. Кратковременно раскрыть пистолет, пока не создастся давление. 4. Заблокировать пистолет. 5. Открутить водяной шланг и пистолет. 6. Отсоединить сетевой штекер. 7. Зимой: насос хранит...
Страница 15 - Указания по технике безопасности
Указания по технике безопасности Относительно отдачи - см. указание на стр. 2 ! Предохранительный затвор на пистолете перекидывать после каждого пользования, чтобы предотвратить непроизвольное распыление! 15
Страница 19 - с дополнительными принадлежностями KRÄNZLE
с дополнительными принадлежностями KRÄNZLE Мойка автомашин, стекол, жилых автоприцепов, катеров и т.д. Ротационная моечная щетка с удлинителем 40 см и ниппелем ST 30 М 22 х 1,5. Чистка труб, каналов, стоков. Шланг для чистки труб с соплом KN и ниппелем ST 30 M 22 x 1,5. Ротирующая точечная струя для...
Страница 21 - Клапаны загрязнены или залипли!
21 Манометр не показывает полное давление Вода выходит толчками Клапаны могут залипнуть, если аппаратом долго не пользовались. сделай сам ! Клапаны загрязнены или залипли! Шланг высокого давления вибрирует Разогните канцелярскую скрепку... Если клапан засорен, манометр показывает малое или вообще ни...
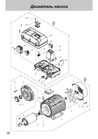
Страница 36 - Старлет II
36 Старлет II Поз. Обозначение Шт. № для зак. Пистолет „Старлет“ с удлинителем 12.320 2 Ремонтный комплект „Старлет II“ 12.299 состоящий из: 1шт. поз.: 8, 9, 13-16, 24-26 1 Ventilkörper mit Handgriff 1 12.294 2 Schutzhülse 1 12.295 3 Abdeckschutz 1 12.296 4 Betätigungshebel grau 1 12.298 3 5 Sicheru...
Страница 37 - Турбокиллер
37 Турбокиллер Поз. Обозначение Шт. № для зак. 11 Sprühkörperschutz 1 41.528 12 Sprühkörper 1 41.529 13 O-Ring 6,86x1,78 1 41.521 14 Düsensitz 1 41.522 15 Düse 04 für quadro 800 1 41.532 0 15.1 Düse 055 für quadro 1000 1 41.532 15.2 Düse 08 für qudro 1200 1 41.537 16 Ring 1 41.533 17 Rotor 1 41.534 ...
Страница 39 - Общие инструкции
39 Испытания Предупреждение несчастных случаев Аппараты при необходимости, однако не реже, чем каждые 12 месяцев, должны подвергаться испытаниям компетентным лицом на предмет обеспечения безопасной эксплуатации, в соответствии с “Инструкциями для работы с аппаратами, распыляющими жидкости”. Результа...
Страница 40 - аппратов фирмы KRÄNZLE для чистки под высок. давлением; Указания руководства по эксплуатации являются составной; Протокол испытаний; Очистители высокого давления должны через каждые 12
40 аппратов фирмы KRÄNZLE для чистки под высок. давлением Агрегат №: Агрегат, тип: Выдержка из инструкции для жидкостных распылителей (ZH 1/406) “Головного союза промышленного профессионального общества”.Испытания Жидкостные распылители при необходимости , однако не реже, чем каждые 12 месяцев, долж...
Страница 41 - Гарантия
Гарантия 41 Гарантийное заявление Гарантия действительна исключительно при дефектах материала или изготовления, износ не попадает под гарантию.Машину следует эксплуатировать в соответствии с настоящим руководством по эксплуатации. Руководство по эксплуатации является частью гарантийных предписаний. ...
Страница 43 - Свидетельство о соответствии
I. Kränzle GmbH Elpke 97 . 33605 Bielefeld Настоящим мы заявляем, что конструктивное исполнение очистителей высокого давления: тех. документация прилагается: Номинальный расход: обеспечивает соблюдение следующих директив и их изменений для очистителей высокого давления: уровень звуковой замеренный: ...