Страница 2 - Описание устройства
Описание устройства Kränzle 1132 2 Ручка, эргономически оформленная Пистолета высокого давленияИнжектор высокого давления для добавокГоловка насоса из специальной латуниМанометр больших размеров, из нержавеющей стали Бесступенчатое регулирование давления Приспособление для намотки кабеля длиной 5 м ...
Страница 3 - Содержание
Содержание Стр. 3 Описание устройства .................................................................................................... 2 Содержание ................................................................................................................ 3 Технические данные .................
Страница 4 - Технические данные
Рабочее давление, бесступенчато регулируемое 1 - 13 M П a (10-130 бар ) Размер сопла 042 Допускаемое избыточное давление 15 MПa (150 бар ) Расход воды при 2.800 об./мин 10 л/мин Макс. давление воды на входе 1,0 MПa (10 бар ) Подвод горячей воды макс. 60 °C Шланговый барабан нет Шланг высокого давлен...
Страница 5 - Всё это Вы купили
Всё это Вы купили 1. Очиститель высокого давления Kränzle 1132 2. Шланг высокого давления из металлической ткани, 10 м 3. Безопасный распылительный пистолет с изолированной ручкой, резьбовым соединением 4. Копье „Vario-Jet“ с трубой из нержавеющей стали 5. Руководство по эксплуатации 5
Страница 6 - Общие инструкции; Область использования
Общие инструкции Область использования Машины использовать исключительно для чистки струей высокого давления со средствами для чистки или струей высокого давления без средства для чистки. Испытания Аппараты при необходимости, однако не реже, чем каждые 12 месяцев, должны подвергаться испытаниям комп...
Страница 7 - Указания по технике безопасности
Указания по технике безопасности Учтите, что при чистке водой под высоким давлением на копье возникает ощутимая отдача. Поэтому обеспечьте устойчивость его положения. (См. технические данные, стр. 4) Предохранительный затвор на пистолете перекидывать после каждого пользования, чтобы предотвратить не...
Страница 10 - Снабжение водой; На что Вам обязательно следует обращать внимание:
Снабжение водой Соблюдайте инструкции предприятия, снабжающего Вас водой.Согласно EN 61 770 аппарат не разрешается прямо подключать к общей сети снабжения питьевой водой.Однако кратковременное подключение разрешено согласно DVGW (Германский Союз газового и водного хозяйства), если в подводящий водоп...
Страница 11 - Проблема недостатка электроэнергии; Подключение к электросети
Проблема недостатка электроэнергии Если к Вашей электрической сети подключено слишком много потребителей, то напряжение и сила тока, имеющееся в распоряжении, могут значения снизиться. Вследствие этого двигатель аппарата высокого давления не запускается или даже перегорает. Электропитание может быт ...
Страница 12 - Система для воды и чистки; Распылительная трубка с распылительным пистолетом; Клапан регулирования давления-предохранительный клапан; Техника Kränzle
Система для воды и чистки Вода должна подаваться в насос высокого давления под давлением (входное давление 1 – 10 бар) или напрямую засасываться из безнапорного сосуда. Затем вода под давлением подается насосом высокого давления в предохранительную распылительную трубку. Струя высокого давления обра...
Страница 13 - Символы, используемые на аппарате
Реле защиты двигателя Двигатель защищается от перегрузки при помощи реле защиты двигателя. При перегрузке реле защиты двигателя отключает двигатель. При повторном отключении двигателя от реле защиты двигателя устранить причину неисправности (см. стр. 11). Замену и контроль разрешается выполнять толь...
Страница 14 - Установка – Месторасположение; Аппарат не разрешается устанавливать и; Пуск в эксплуатацию
Установка – Месторасположение Аппарат не разрешается устанавливать и эксплуатировать ни в пожароопасных или взрывоопасных помещениях, ни в лужах. Аппарат не разрешается эксплуатировать под водой. Пуск в эксплуатацию 2. Перед каждым пуском в работу проверять чистоту сетки на входе воды. Вручную откру...
Страница 15 - Соблюдать осторожность в случае горячей воды на входе; При работе с горячей входной водой, имеющей
6. Шланг высокого давления разматывать прямо и без образования петель. (При удлинении шланга высокого давления соблюдать максимальную длину 20 м!) 7. Насадить шланг высокого давления на пистолет. 8. Шланг высокого давления прикрутить к пистолету крепко и герметично под давлением. 5. Копье прикрутить...
Страница 17 - Засосать средство для чистки; Всасывание добавок
Соблюдать инструкции производителя моющего средства (например, по защитному оснащению) и инструкции по сточным водам.Внимание, растворитель! Никогда не засасывайте жидкости, содержащие растворители, как растворители лаков, бензин, масло или подобные жидкости. Соблюдать указания изготовителей добавоч...
Страница 18 - Снятие с эксплуатации; Хранение с экономией места
Снятие с эксплуатации 0 1. Отключить очиститель 0 2. Перекрыть подвод воды 0 3. Кратковременно раскрыть пистолет, пока не создастся давление 0 4. Заблокировать пистолет 0 5. Открутить водяной шланг и пистоле т 0 6. Опорожнить пистолет: двигатель включить примерно на 20 секунд 0 7. Отсоединить сетево...
Страница 19 - Гарантийное заявление
19 Гарантийное заявление Гарантия действительна исключительно при дефектах материала или изготовления, износ не попадает под гарантию. Машину следует эксплуатировать в соответствии с настоящим руководством по эксплуатации. Руководство по эксплуатации является частью гарантийных предписаний. Гарантия...
Страница 20 - Небольшой ремонт; сделай сам без затруднений; Внимание! При каждом ремонте вытягивать
Небольшой ремонт сделай сам без затруднений Манометр показывать полное давление, а из сопла вода не выходит: Высока вероятность, что на входе забито сито или сопло. Манометр показывать полное давление, вода из копья не выходит или выходит очень мало. (В манометре нет воды, речь идет об гликоль для д...
Страница 22 - Возможная причина No 1: Утечка
Небольшой ремонт сделай сам без затруднений После закрытия пистолета манометр снова показывает полное давление. Аппарат постоянно включается и выключается. Возможная причина № 1: Утечка После закрытия пистолета аппарат должен отключиться, а манометр должен показывать „0“ бар. Если манометр продолжае...
Страница 23 - При повреждении насоса от неисправных
Порядок действий: Аппарат отключить, сетевой штекер вытянуть. Перекрыть подачу воды. Открутить выход насоса. После закрытия пистолета манометр снова показывает полное давление. Аппарат постоянно включается и выключается. При повреждении насоса от неисправных уплотнительных колец вследствие засасыван...
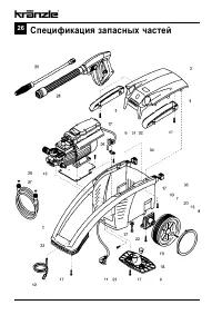
Страница 33 - Kränzle 1132 - Корпус клапана
Kränzle 1132 - Корпус клапана 33 Поз. Обозначение Шт. № для зак. Поз. Обозначение Шт. № для зак. 1 Ventilgehäuse 1 49.020 1 2 Ventilstopfen 5 41.01 1 3 Ventilstopfen mit R1/4“ IG 1 41.01 1 1 4 Ventile (rot) 6 41.612 5 Dichtstopfen M 8 x 1 1 13.158 6 Dichtstopfen M 10 x 1 1 43.043 7 O-Ring 12 x 2 14 ...
Страница 37 - Свидетельство о соответствии ЕС
37 Kränzle 1132 Manfred Bauer, Fa. Josef Kränzle Rudolf-Diesel-Str. 20, 89257 Illertissen K 1132: 600 l/h Директива для машин 2006/42/EC Директива по электромагнитной совместимости 2004/108/EC Директива об уровне шума 2005/88/ EC , статья 13 „Высоконапорные водоструйные аппараты“, приложение 3, част...
Страница 38 - Протокол испытаний для Очистители высокого давления
38 Типовая табличка (имеется) Руковод. по эксплуатации (имеется) Защитные кожухи и устройства Напорная линия (плотность) Манометр (Функция) Поплавковый клапан (плотность) Pаспылительное устройство (маркировка) Шланг высок. давления/соединение (поврежд., маркировка) Предохранительный клапан открывает...