Страница 2 - Технические данные
2 10 - 180 бар 200 бар 14,0 lл/мин. 13,5 lл/мин. 25045 045 10 lл мaкc. 60 °C 60 °C 2,5 м дa 20 м 400 B/50 Гц 8,5 A 1400 об./мин P1: 5,5 кВт P2: 4,0 кВт 60 кг 780 x 395 x 870 84 дБ 89 дБ 88 дБ 2,1 м/с² oк. 20 Нм 40.432 quadro 799 TST Технические данные Технические данные 10 - 150 бар 165 бар 10,0 lл/...
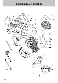
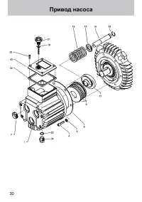
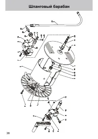
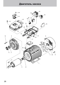
Страница 3 - Описание; Содержание
Уважаемый Заказчик! Сердечно поздравляем Вас с приобретением нового очистителя высокого давления со встроенным водяным баком с поплавковым клапаном и благодарим за покупку!Чтобы облегчить пользование аппаратом, разрешите на следующих страницах разъяснить Вам его работу. Очиститель окажет Вам професс...
Страница 4 - Конструкция; Функциональные элементы
6 Клапан моющего средства 7 Шланг высокого давления 8 Распылительный пистолет 9 Сменная распылительная трубка с плоскоструйным соплом и защитным элементом для сопла 10 Сменная распылительная трубка с “грязекиллером” 1 Патрубок подключения водяного шланга с фильтром 2 Крышка водяного бака с поплавков...
Страница 5 - Распылительная трубка с распылительным пистолетом
Водопроводная система Вода должна подаваться в очиститель высокого давления под давлением (входное давление 2 – 8 бар). Поплавковый клапан регулирует подачу воды. Затем вода высасывается из водяного бака насосом высокого давления и под установленным давлением подается в предохранительную распылитель...
Страница 6 - Шланг высокого давления и распылительное устройство; Клапан регулирования давления-предохранительный клапан
Шланг высокого давления и распылительное устройство Шланг высокого давления, принадлежащий к оборудованию аппарата, и распылительное устройство - из высококачественного материала. Они рассчитаны на эксплуатационные условия аппарата и маркированы в соответствии с инструкцией. При замене использовать ...
Страница 8 - Подключение к электросети
Описание quadro 799 quadro 899 400 B/50 Гц Подключение к электросети Аппарат поставляется с соединительным кабелем и сетевым штекером. Штекер необходимо вставлять в установленную по инструкции розетку с защитным проводом и автоматом токовой защиты 30 мА . Розетку необходимо со стороны сети защитить ...
Страница 9 - Краткое руководство по эксплуатации:; Стояночный тормоз
9 Описание Краткое руководство по эксплуатации: 1. Шланг высокого давления соединить с распылительным пистолетом. 2. Подсоединить водопровод на стороне всасывания. 3. Подсоединить электроэнергию (quadro 599: 230B/50Гц переменного тока; quadro 799/899: 400B/50Гц трехфазного тока). 4. Включить аппарат...
Страница 11 - Пуск в эксплуатацию
Пуск в эксплуатацию 11 Чтобы привести очиститель высокого давления в положение передвижения, (1) придавите ногой откидную опору, а затем (2) потяните аппарат на себя. 1. Проверить уровень масла Есть две возможности контроля уровня масла в насосе: а) масло должно быть видно в глазке; б) уровень масла...
Страница 13 - Внешнее всасывание
Пуск в эксплуатацию 5. Аппарат можно выборочно подключать к напорному водопроводу с холодной или горячей водой с температурой до 60°C (см. стр. 2). Поперечное сечение шланга должно быть не менее 3/4“ = 16 мм (свободный проход). Сетка №1 должно быть всегда чистым. Перед каждым пуском в эксплуатацию п...
Страница 14 - Снятие с эксплуатации; Засасывание моющего средства:; Защита от мороза
Соблюдать инструкции производителя моющего средства (например, по защитному оснащению) и инструкции по сточным водам. Открыть дозировочный клапан только, если химическая сетка вставлена в жидкость. Всосанный воздух разрушает уплотнения насоса!!! Дефекты, возникшие в результате всосанного воздуха на ...
Страница 15 - Указания по технике безопасности
15 Указания по технике безопасности Относительно отдачи - см. указание на стр. 2 ! Предохранительный затвор на пистолете перекидывать после каждого пользования, чтобы предотвратить непроизвольное распыление!
Страница 19 - с дополнительными принадлежностями KRÄNZLE
19 с дополнительными принадлежностями KRÄNZLE Мойка автомашин, стекол, жилых автоприцепов, катеров и т.д. Ротационная моечная щетка с удлинителем 40 см и ниппелем ST 30 М 22 х 1,5. Чистка труб, каналов, стоков. Шланг для чистки труб с соплом KN и ниппелем ST 30 M 22 x 1,5. Ротирующая точечная струя ...
Страница 21 - Клапаны загрязнены или залипли!
Манометр не показывает полное давление Вода выходит толчками Клапаны могут залипнуть, если аппаратом долго не пользовались. сделай сам ! Клапаны загрязнены или залипли! Шланг высокого давления вибрирует Разогните канцелярскую скрепку... Если клапан засорен, манометр показывает малое или вообще никак...
Страница 41 - грязекиллер
41 грязекиллер Поз. Обозначение Шт. № для зак. 1 Sprühkörper 1 41.520 2 O-Ring 6,88 x 1,68 1 41.521 3 Düsensitz 1 41.522 4 Düse 035 (quadro 599) 1 41.523 1 4.1 Düse 045 (quadro 799) 1 41.523 4.1 Düse 06 (quadro 899) 1 41.523 5 5 Stabilisator 1 41.524 6 O-Ring 1 40.016 1 7 Sprühstopfen R1/4“ IG 1 41....
Страница 44 - Общие инструкции
44 Испытания Предупреждение несчастных случаев Аппараты при необходимости, однако не реже, чем каждые 12 месяцев, должны подвергаться испытаниям компетентным лицом на предмет обеспечения безопасной эксплуатации, в соответствии с “Инструкциями для работы с аппаратами, распыляющими жидкости”. Результа...
Страница 45 - Свидетельство о соответствии
I. Kränzle GmbH Elpke 97 . 33605 Bielefeld Настоящим мы заявляем, что конструктивное исполнение очистителей высокого давления: тех. документация прилагается: Номинальный расход обеспечивает соблюдение следующих директив и их изменений для очистителей высокого давления: уровень звуковой замеренный: м...
Страница 46 - Протокол испытаний для Очистители
46 Типовая табличка (имеется) Руковод. по эксплуатации (имеется) Защитные кожухи и устройства Напорная линия (плотность) Манометр (Функция) Поплавковый клапан (плотность) Pаспылительное устройство (маркировка) Шланг высок. давления/соединение (поврежд., маркировка) Предохранительный клапан открывает...