Страница 2 - Описание устройства
Описание устройства Kränzle 2160 TS, 2160 TST, Kränzle 2195 TS, 2195 TST, Kränzle 2175 TS, 2175 TST 2 Ручка, эргономически оформленнаяПриспособление для намотки кабеля длиной 5 мМесто для укладки пистолета с разбрызгивающим копьем во время перерывов в работеКрупногабаритный шланговый барабан со шлан...
Страница 3 - Содержание; Cторон
Описание устройства ............................................................................ 2Содержание .......................................................................................... 3Технические данные ............................................................................. 4О...
Страница 4 - Технические данные
4 Рабочее давление, бесступенчато регулируемое 30 - 140 бар 30 - 180 бар Размер сопла 25045 25030 Допускаемое избыт. давление 160 бар 195 бар Расход воды при 1400 об./мин 11 л/мин при 1400 об./мин 8 л/мин Подвод горячей воды макс. 60 °C макс. 60 °C Высота всасывания 2,5 м 2,5 м Шланговый барабан нет...
Страница 6 - Всё это Вы купили
6 3. Насадка-грязекиллер с трубой из нержавеющей стали Всё это Вы купили 1. Очиститель высокого давления Kränzle 2160 TST, 2195 TST, 2175 TST со шланговым барабаном и шлангом высокого давления длиной 15 м из металлической ткани, номинальный диаметр 6 или 2. Безопасный распылительный пистолет с изоли...
Страница 7 - Общие инструкции; Область использования; Промышленные очистители высокого давления должны; Предупреждение несчастных случаев; Утечки масла: При выходе масла сразу же обратиться в
7 Общие инструкции Область использования Машины использовать исключительно для чистки струей высокого давления со средствами для чистки или струей высокого давления без средства для чистки. Испытания Аппараты при необходимости, однако не реже, чем каждые 12 месяцев, должны подвергаться испытаниям ко...
Страница 8 - Указания по технике безопасности
8 Указания по технике безопасности Учтите, что при чистке водой под высоким давлением на копье возникает ощутимая отдача. (см. технические данные, стр. 4) Предохранительный затвор на пистолете перекидывать после каждого пользования, чтобы предотвратить непроизвольное распыление! При использовании ко...
Страница 10 - Подключение воды
10 На что Вам обязательно следует обращать внимание: Проблема недостатка воды Если замеренное количество воды слишком мало, то Вам следует подключиться к другому месту, обеспечивающему достаточное количество воды. Недостаток воды ведет к повышенному износу уплотнений (без гарантии) В распоряжении до...
Страница 11 - Подключение к электросети; Проблема недостатка электроэнергии
Подключение к электросети Аппарат поставляется с соединительным кабелем и сетевым штекером. Штекер необходимо вставлять в установленную по инструкции розетку с защитным проводом и автоматом токовой защиты 30 мА . Розетку необходимо со стороны сети защитить инертным предохранителем 16 А. При использо...
Страница 12 - Техника Kränzle; Система для воды и чистки; Распылительная трубка с распылительным; Клапан регулирования давления-предохранительный
12 Техника Kränzle Система для воды и чистки Вода должна подаваться в насос высокого давления под давлением или напрямую засасываться из безнапорного сосуда. Затем вода под давлением подается насосом высокого давления в предохранительную распылительную трубку. Струя высокого давления образуется благ...
Страница 14 - Установка – Месторасположение; Аппарат не разрешается устанавливать и; Пуск в эксплуатацию
Установка – Месторасположение Аппарат не разрешается устанавливать и эксплуатировать ни в пожароопасных или взрывоопасных помещениях, ни в лужах. Аппарат не разрешается эксплуатировать под водой. 14 Пуск в эксплуатацию 4. Поставить аппарат вертикально. Вывернуть крепежный винт из шестигранника шланг...
Страница 15 - Соблюдать осторожность в случае горячей воды на входе!; При работе с горячей входной водой, имеющей
15 9. Положить аппарат горизонтально. Эксплуатация аппаратов допускается только в горизонтальном положении! Смотать шланг высокого давления со шлангового барабана прямо и без образования петель.n. 7. Насадить шланг высокого давления на пистолет. 8. Шланг высокого давления крепко прикрутить к пистоле...
Страница 17 - Прямое всасывание; Перед первым процессом всасывания насос или
17 Прямое всасывание Отбор воды из прудов, бочек для дождевой воды и т.п. Аппарат благодаря мощности всасывания насоса (высота всасывания до 2,5 м, макс. длина шланга 3 м) обеспечивает возможность засасывания воды для чистки из отдельных резервуаров или прудов. Перед первым процессом всасывания насо...
Страница 18 - Всасывание добавок; С засасыванием средства для чистки:
Добавка должна быть нейтральной с параметром рН 7-9. Использовать только добавки, предназначенные для применения в очистителях высокого давления.Соблюдать инструкции производителя моющего средства (например, по защитному оснащению) и инструкции по сточным водам.Никогда не засасывайте жидкости, содер...
Страница 19 - Снятие с эксплуатации; Хранение с экономией места
19 Снятие с эксплуатации 0 1. Отключить очиститель 0 2. Перекрыть подвод воды 0 3. Кратковременно раскрыть пистолет, пока не создастся давление 0 4. Заблокировать пистолет 0 5. Открутить водяной шланг и пистоле т 0 6. Опорожнить пистолет: двигатель включить примерно на 20 секунд 0 7. Отсоединить сет...
Страница 20 - Небольшой ремонт; сделай сам без затруднений; Манометр показывать полное давление, а из сопла вода не; Внимание! При каждом ремонте вытягивать
20 Небольшой ремонт сделай сам без затруднений Манометр показывать полное давление, а из сопла вода не выходит: Высока вероятность, что на входе забито сито или сопло. Внимание! При каждом ремонте вытягивать сетевой штекер! Если чистка при помощи проволоки не привела к нужному результату, то сопло с...
Страница 21 - Манометр показывает слишком малое давление, из сопла
Поочередно наверните все 6 клапанов. (латунные винты с шестигранной головкой, расположенные вертикально и горизонтально рядами по 3 шт.) 21 Манометр показывает слишком малое давление, из сопла выходит непостоянная струя: возможно, что забиты или заклеились клапаны. Манометр показывает слишком малое ...
Страница 22 - Внимание! При утечке гарантия вследствие
22 Небольшой ремонт сделай сам без затруднений После закрытия пистолета манометр снова показывает полное давление. Аппарат постоянно включается и выключается. Возможная причина № 1: Утечка После закрытия пистолета аппарат должен отключиться, а манометр должен показывать „0“ бар. Если манометр продол...
Страница 23 - Внимание! При повреждении насоса от
23 Открутить выход насоса. Снять обратный клапан и проверить на наличие загрязнений или повреждения уплотнительного кольца. Дефектные уплотнительные кольца заменить. После закрытия пистолета манометр снова показывает полное давление. Аппарат постоянно включается и выключается. Возможная причина № 2:...
Страница 26 - Свидетельство о соответствии ЕС
Kränzle 2160 TS / TS T, Kränzle 2195 TS / TS T, Kränzle 2175 TS / TS T, Manfred Bauer, Fa. Josef Kränzle Rudolf-Diesel-Str. 20, 89257 Illertissen K 2160 TS / TS T: 660 l/h K 2195 TS / TS T: 480 l/h K 2175 TS / TS T: 720 l/h директива для машин 2006/42/EWG EWG директива по электромагнитной совместимо...
Страница 27 - Гарантийное заявление
27 Гарантийное заявление Гарантия действительна исключительно при дефектах материала или изготовления, износ не попадает под гарантию. Машину следует эксплуатировать в соответствии с настоящим руководством по эксплуатации. Руководство по эксплуатации является частью гарантийных предписаний. Гарантия...
Страница 28 - Универсальность благодаря
28 Вращающаяся моечная щетка с удлинителем 400 мм, Заказ № 41 050 1 Копье для чистки днища снизу, с удлинителем, 800 мм, Заказ № 41 075 Шланг с соплом для чистки труб, 10 m - Заказ № 41 058 1 20 m - Заказ № 41 058 2 25 m - Заказ № 41 058 3 30 m - Заказ № 41 058 4 Универсальность благодаря принадлежн...
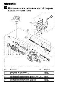
Страница 40 - Привод насоса
40 Привод насоса Поз. Обозначение Шт. № для зак. 1 Gehäuseplatte für 18 mm Plunger 1 41.020 2 2 Öldichtung 18 x 28 x 7 3 41.031 3 O-Ring Viton 88 x 2 1 41.021 1 4 Plungerfeder 3 41.033 5 Federdruckscheibe 18 mm 3 41.034 6 Plunger 18 mm 3 41.032 1 7 Sprengring 18 mm 3 41.035 8 Taumelscheibe 12,0° (K2...
Страница 43 - Шланговый барабан
43 Шланговый барабан Поз. Обозначение Шт. № для зак. 1 Seitenschale 2 48.101 2 Trommelteil 1 48.102 3 Knickschutz 1 40.162 4 Kunststoffschraube 5,0 x 20 5 43.018 5 Antriebswelle 1 48.104 7 Lagerklotz links 1 43.810 8 Schraube 6,0 x 30 4 43.423 9 Lagerklotz rechts 1 43.811 10 Verbindungsrohr 1 48.014...
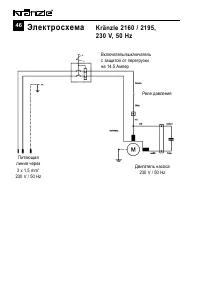
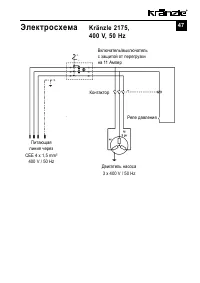
Страница 46 - Электросхема
46 Электросхема Kränzle 2160 / 2195, 230 V, 50 Hz Включатель/выключатель с защитой от перегрузки на 14,5 Ампер Реле давления Двигатель насоса 230 V / 50 Hz Питающая линия через 3 x 1,5 mm 2 , 230 V / 50 Hz