Котел ZOTA SMART ZS 30 - инструкция пользователя по применению, эксплуатации и установке на русском языке. Мы надеемся, она поможет вам решить возникшие у вас вопросы при эксплуатации техники.
Если остались вопросы, задайте их в комментариях после инструкции.
"Загружаем инструкцию", означает, что нужно подождать пока файл загрузится и можно будет его читать онлайн. Некоторые инструкции очень большие и время их появления зависит от вашей скорости интернета.

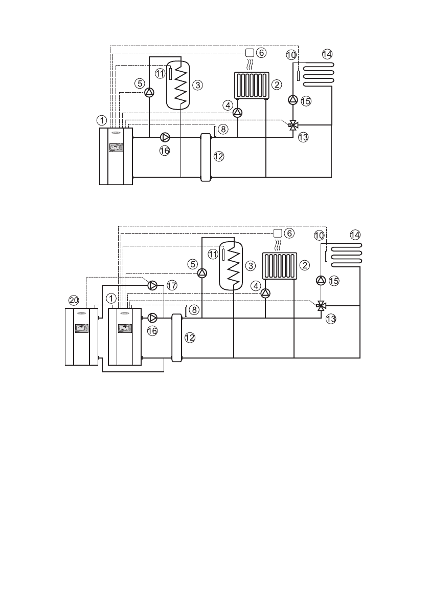
32
Рис.9 Упрощенная схема подключения котла с
гидроразделителем, контуром ГВС и теплого пола.
Рис.10 Упрощенная схема подключения двух котлов в каскаде с
гидроразделителем, контуром ГВС и теплого пола.
1 – Электроводонагреватель
2 – Отопительные приборы
3 – Бак водонагревателя ГВС.
4 – Циркуляционный насос контура
отопления (насос1)
5 – Циркуляционный насос контура
ГВС (насос2)
6 – Датчик температуры помещения
(tдатч.1)
7 – Датчик температуры воздуха
(tдатч.4)
8 – Датчик температуры
гидроразделителя (tдатч.6)
9 – Датчик температуры внешний
(tдатч.2)
10 – Датчик температуры воды (tдатч.3)
11 – Датчик температуры ГВС (tдатч.5)
12 – Гидроразделитель
13 – Трехходовой клапан с приводом
14 – Контур теплого пола
15 – Насос контура клапана
16 – Насос контура гидроразделителя
17 – Насос ведомого котла (насос1)
18 – Насос основного твердотопливного
котла (насос3)
19 – Насос вспомогательного котла
(насос1)
20 – Электроводонагреватель ведомый
в каскаде
21 – Твердотопливный котел

 
  
  
  
  
  
  
  
  
  
  
  
  
  
  
  
  
  
  
  
  
  
  
  
  
  
  
  
  
  
  
  
  
  
  
  
  
  
  
  
  
  
  
  
  
  
  
  
 



