Котел Protherm Скат 6КR 13 - инструкция пользователя по применению, эксплуатации и установке на русском языке. Мы надеемся, она поможет вам решить возникшие у вас вопросы при эксплуатации техники.
Если остались вопросы, задайте их в комментариях после инструкции.
"Загружаем инструкцию", означает, что нужно подождать пока файл загрузится и можно будет его читать онлайн. Некоторые инструкции очень большие и время их появления зависит от вашей скорости интернета.
Загружаем инструкцию

31
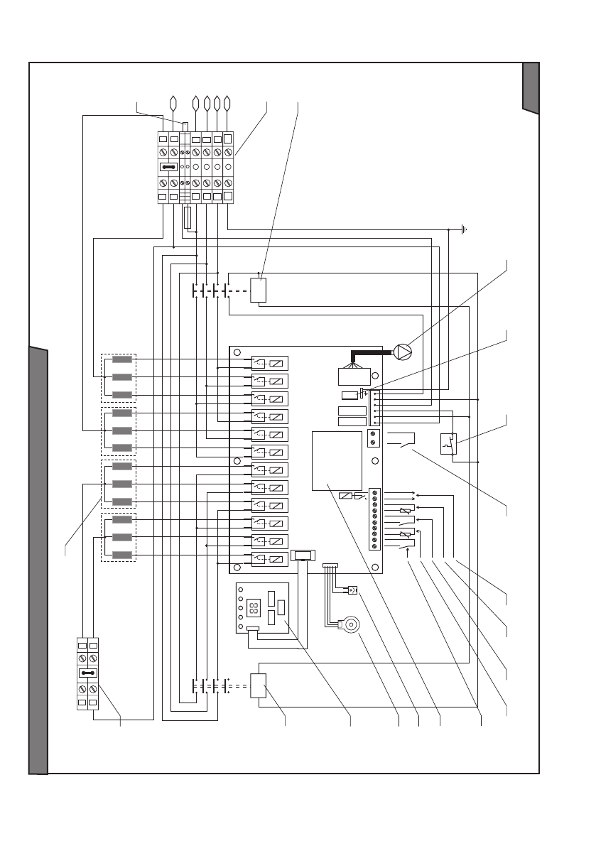
Электричес
кая сх
ема к
от
ла PRO
THERM Скат 28 (24) кВт
Рис.
10
+
-
Mo
d
PE
PE
U
V
W
N
N
W
V
U
N
N
HDO
HT
N
N
N
N
K8
K5
K1
K2
T80mA
T1,6A
J1
J3
N
U
V
W
PE
RE1
RE12
1
10
1
1
1
J2
A1 A2
A1 A2
1
2
3
4
5
6
7
8
9
10
11
12
13
14
15
16
17
18
28 kW (4 x 7kW)
24 kW (4 x 6kW)
19
T6,3A
S2 S1
Содержание
- 2 версия; Настенный электрический котел; CKAT
- 5 Введение
- 7 Управление и сигнализация; Панель управления
- 8 Выбор режима считывания
- 9 Выбор режима настройки; Регулирование температуры отопления
- 11 Сообщения о неисправностях котла; дисплей
- 13 Характеристика котла; Мощность; Плавное регулирование мощности
- 14 Запуск котла; Запуск и выключение котла; Эксплуатация котла без комнатного
- 16 Защитные функции котла
- 18 Техническое обслуживание и уход; Подпитка системы отопления
- 20 Технические параметры
- 21 Присоединительные размеры котла
- 22 Принципиальная схема котла
- 23 Минимальные расстояния
- 24 Комплектность поставки
- 25 Распределительный трубопровод; Чистота системы отопления; Термостатические клапаны
- 26 Установка котла
- 27 Электрическое подключение котла; После подключения сетевых проводов
- 28 Подключение к однофазной сети; Подключение котла к однофазной сети
- 29 Подключение внешнего накопительного бака ГВС
- 30 Схема подключения к электрокотлу бойлера косвенного нагрева
- 31 Описание к электрическим схемам
- 36 Электрическая схема подключения котла через реле разгрузки