Котел Ferroli Econcept 35A - инструкция пользователя по применению, эксплуатации и установке на русском языке. Мы надеемся, она поможет вам решить возникшие у вас вопросы при эксплуатации техники.
Если остались вопросы, задайте их в комментариях после инструкции.
"Загружаем инструкцию", означает, что нужно подождать пока файл загрузится и можно будет его читать онлайн. Некоторые инструкции очень большие и время их появления зависит от вашей скорости интернета.

ECONCEPT 35 A
35
fi g. 22
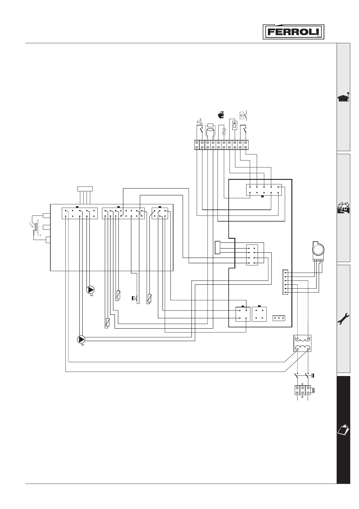
4.6 Schema elettrico
14
25
36
19
21
0
31
1
41
2
51
3
61
4
71
5
81
6
16
27
38
49
51
0
V1
V2
T
72
138
139
10
5
94
83
72
61
4
2
3
1
L
N
Legenda
16
V
entilator
e
32
Cir
colator
e riscaldamento modulant
34
Sensor
e temperatura riscaldamento
44
V
alvola gas
49
Te
rmostato di sicur
ezza
72
Te
rmostato ambiente
81
Elettr
odo d’accensione
82
Elettr
odo dl rilevazione
98
Interruttor
e
130
Cir
colator
e bollitor
e
137
Sonda di pr
essione
138
Sonda esterna
139
Unità ambiente
155
Sonda bollitor
e
186
Sensor
e di ritorno
191
Sensor
e temperatura fumi
202
Trasformator
e
7
3
6
2
5
1
8
4
GND
5V
OUT
123456
4
2
3
1
24 V DC
24 V DC-
155
44
81
82
98
16
Eco/Comfort
202
32
130
34
49
X1
DISPLAY
X2
230 V.
24 V.
186
191
X5
X3
137
X1
X12
X11
X7
X6
N
L
230 V
F2A
PWM
fi g. 22