Котел Ferroli Atlas D 42 KI 130 - инструкция пользователя по применению, эксплуатации и установке на русском языке. Мы надеемся, она поможет вам решить возникшие у вас вопросы при эксплуатации техники.
Если остались вопросы, задайте их в комментариях после инструкции.
"Загружаем инструкцию", означает, что нужно подождать пока файл загрузится и можно будет его читать онлайн. Некоторые инструкции очень большие и время их появления зависит от вашей скорости интернета.

ATLAS D 30 K 100
52
RU
cod. 3540S361 - 08/2009 (Rev. 00)
5.4
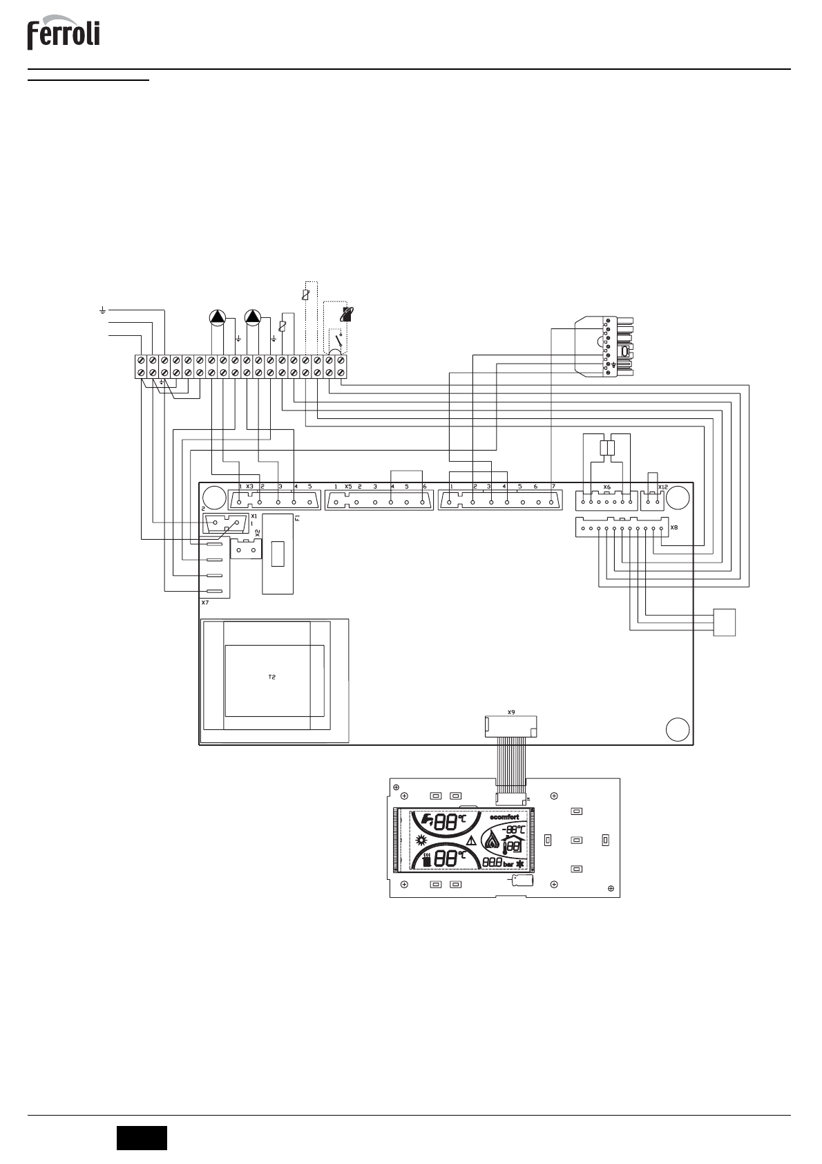
ɗɥɟɤɬɪɢɱɟɫɤɚɹ ɫɯɟɦɚ
ɪɢɫ
. 20 -
ɗɥɟɤɬɪɢɱɟɫɤɚɹ ɫɯɟɦɚ
32
ɐɢɪɤɭɥɹɰɢɨɧɧɵɣ ɧɚɫɨɫ ɫɢɫɬɟɦɵ ɨɬɨɩɥɟɧɢɹ
42
Ⱦɚɬɱɢɤ ɬɟɦɩɟɪɚɬɭɪɵ ɜɨɞɵ ɜ ɫɢɫɬɟɦɟ Ƚȼɋ
72
Ʉɨɦɧɚɬɧɵɣ ɬɟɪɦɨɫɬɚɬ
130
ɐɢɪɤɭɥɹɰɢɨɧɧɵɣ ɧɚɫɨɫ ɛɨɣɥɟɪɚ
138
Ⱦɚɬɱɢɤ ɧɚɪɭɠɧɨɣ ɬɟɦɩɟɪɚɬɭɪɵ
139
ȿɞɢɧɢɰɚ ɫɪɟɞɵ
211
Ɋɚɡɴɟɦ ɝɨɪɟɥɤɢ
246
Ⱦɚɬɱɢɤ ɞɚɜɥɟɧɢɹ
278
Ⱦɜɨɣɧɨɣ ɞɚɬɱɢɤ
(
ɩɪɟɞɨɯɪɚɧɢɬɟɥɶɧɵɣ
+
ɬɟɦɩɟɪɚɬɭɪɚ ɜɨɞɵ ɜ ɫɢɫɬɟɦɟ
ɨɬɨɩɥɟɧɢɹ
)
DBM06
T° T°
278
OUT
+5V
GND
246
L
N
4
5
6
7
8
9 10 11 12 13 14 15 16 17 18
DSP05
L
N
230V
50Hz
42
32
138
139
72
L1
N
T1
T2
S3
B4
130
211