Котел Bosch ZSC 35-3 MFA 7716704327 - инструкция пользователя по применению, эксплуатации и установке на русском языке. Мы надеемся, она поможет вам решить возникшие у вас вопросы при эксплуатации техники.
Если остались вопросы, задайте их в комментариях после инструкции.
"Загружаем инструкцию", означает, что нужно подождать пока файл загрузится и можно будет его читать онлайн. Некоторые инструкции очень большие и время их появления зависит от вашей скорости интернета.

Сведения о приборе
|
11
ru
6 720 613 213 (2007/10)
3.10
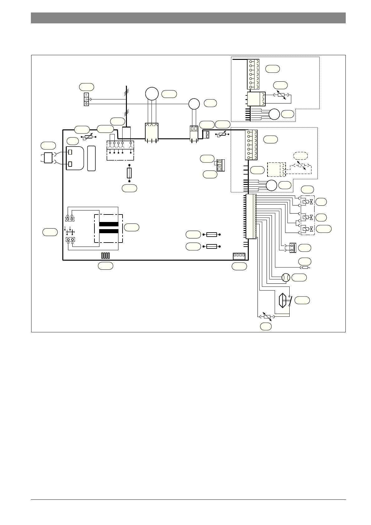
Электрическая схема
Рис 5
4.1
Трансформатор высокого напряжения
6
Ограничитель температуры
6.3
Датчик температуры горячей воды (ZWC)
18
Отопительный насос
32
Ионизационный контроль пламени
33
Запальный электрод
36
Датчик температуры в подающей магистрали
52
Электромагнитный клапан 1
52.1
Электромагнитный клапан 2
56
Газовая арматура
68
Регулирующий электромагнит
84
Двигатель 3-ходового клапана
135
Кнопка включения/выключения
136
Терморегулятор подающей линии отопительного контура
151
Предохранитель T 2,5 A, 230 В переменного тока
153
Трансформатор
161
Перемычка
226
Вентилятор
228
Дифференциальное реле давления
300
Кодирующий штекер
302
Разъем для подключения провода защитного заземления
303
Присоединение датчика бойлера NTC (ZSC)
310
Терморегулятор горячей воды
312
Предохранитель T 1,6 A, 24 В постоянного тока
313
Предохранитель T 0,5 A, 5 В постоянного тока
315
Клеммная колодка для регулятора (EMS-Bus-шина) и
датчика наружной температуры
319
Клеммная колодка термостата бойлера или внешнего
ограничителя
328
Клеммная колодка 230 В переменного тока
328.1
Перемычка
413
Расходомер (турбина) (ZWC)
428
Подключение циркуляционного насоса (на объекте)
432
Температурный датчик бойлера NTC (ZWC,
принадлежности)
463
Диагностический разъем
6 720 613 243-05.1O
230 V
9V/25 V
230V/AC
135
153
312
313
300
ST19
315
303
319
161
ST15
ST8
ST9
ST17
56
32
6
4.1
ST5
ST4
33
68
52
52.1
413
228
36
226
M
18
M
ST10
L
N
Ls
LR
328.1
328
302
151
+
–
A
F
136
310
463
432
ZSC
84
M
ST25
428
ST19
315
ST15
6.3
+
–
A
F
ZWC
ST17
84
M
Характеристики
Остались вопросы?Не нашли свой ответ в руководстве или возникли другие проблемы? Задайте свой вопрос в форме ниже с подробным описанием вашей ситуации, чтобы другие люди и специалисты смогли дать на него ответ. Если вы знаете как решить проблему другого человека, пожалуйста, подскажите ему :)