Котел Baxi POWER HT (85-150 кВт) - инструкция пользователя по применению, эксплуатации и установке на русском языке. Мы надеемся, она поможет вам решить возникшие у вас вопросы при эксплуатации техники.
Если остались вопросы, задайте их в комментариях после инструкции.
"Загружаем инструкцию", означает, что нужно подождать пока файл загрузится и можно будет его читать онлайн. Некоторые инструкции очень большие и время их появления зависит от вашей скорости интернета.

Power HT
руководство
для
технического
персонала
газовые
напольные
котлы
36
21.
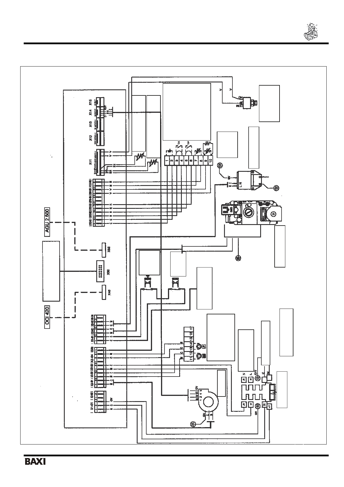
Схемы
электрических
соединений
21.1 POWER HT 1.850 – 1.1000
R =
красный
G/V
=
желто
-
зеленый
B =
белый
Ц
вет
пр
ово
д
ов
:
С
=
голубой
М
=
кори
чневый
N =
чер
ны
й
гидравлический
прессостат
элек
трод
заж
ига
ни
я
ус
трой
ств
о
заж
ига
ни
я
Газ
овый
клапа
н
дат
чик
температуры
(N
TC
)
возврата
ко
нту
ра
отопления
термоста
т
-
дат
чик
тя
ги
термоста
т
перегрева
Электрод
ко
нтрол
я
пламени
се
ть
электропита
н
.
плавкий
предохра
нитель
Клеммн
ая
колодка
электропи
тания
Программируемы
й
вых
од
230
В
вен
тилято
р
Подсоединение
:
11-12:
на
со
с
конт
ура
отопления
13-14:
на
со
с
си
сте
м
ы
ГВС
ДИС
П
ЛЕЙ
Подсоединение
:
1-2:
дист
ан
ционн
ое
управ
.
QAA73
3-4:
комна
тный
те
рмоста
т
5-6:
термо
стат
дл
я
си
стем
ы
«
теп
л
ые
полы
»
7-8:
дат
чик
ул
ич
но
й
тем
-
ры
9-10:
датчик
тем
-
ры
бака
-
на
копит
еля
ко
нт
ур
а
ГВС
дат
чик
температуры
(N
TC
)
на
вх
оде
в
ко
нту
ра
отопления
Характеристики
Остались вопросы?Не нашли свой ответ в руководстве или возникли другие проблемы? Задайте свой вопрос в форме ниже с подробным описанием вашей ситуации, чтобы другие люди и специалисты смогли дать на него ответ. Если вы знаете как решить проблему другого человека, пожалуйста, подскажите ему :)