Котел Baxi POWER HT (85-150 кВт) - инструкция пользователя по применению, эксплуатации и установке на русском языке. Мы надеемся, она поможет вам решить возникшие у вас вопросы при эксплуатации техники.
Если остались вопросы, задайте их в комментариях после инструкции.
"Загружаем инструкцию", означает, что нужно подождать пока файл загрузится и можно будет его читать онлайн. Некоторые инструкции очень большие и время их появления зависит от вашей скорости интернета.

Power HT
руководство
для
технического
персонала
газовые
напольные
котлы
15
10.1
Потери
напора
в
котле
.
Модель
Power HT
Минимальный
расход
воды
,
л
/
ч
Расход
воды
с
∆
t=20°
К
л
/
ч
1.850
1.1000
1.1150
1.1200
1.1500
1900
2100
2300
2600
3300
3700
4300
4800
5200
6500
Проверьте
,
чтобы
расход
воды
не
был
ниже
минимального
-
для
защиты
от
перегрева
котла
.
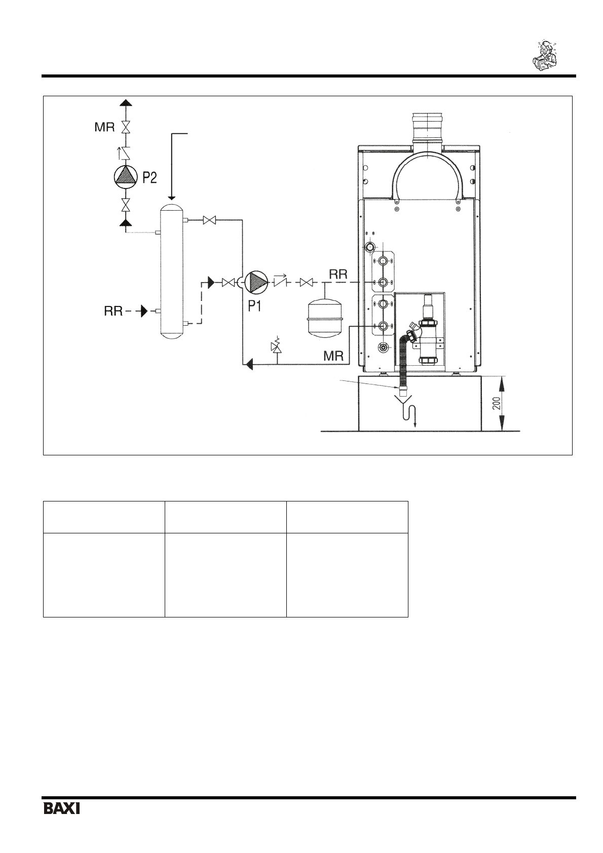
Рис
. 6
Отвод
конденсата
Выбирать
гидравлический
сепаратор
следует
в
зависимости
от
значения
гидравлического
напора
,
приведенного
ниже
в
таблице
Характеристики
Остались вопросы?Не нашли свой ответ в руководстве или возникли другие проблемы? Задайте свой вопрос в форме ниже с подробным описанием вашей ситуации, чтобы другие люди и специалисты смогли дать на него ответ. Если вы знаете как решить проблему другого человека, пожалуйста, подскажите ему :)