Котел Baxi Nuvola-3 140 Fi / 240 Fi (i) / 280 Fi (i) - инструкция пользователя по применению, эксплуатации и установке на русском языке. Мы надеемся, она поможет вам решить возникшие у вас вопросы при эксплуатации техники.
Если остались вопросы, задайте их в комментариях после инструкции.
"Загружаем инструкцию", означает, что нужно подождать пока файл загрузится и можно будет его читать онлайн. Некоторые инструкции очень большие и время их появления зависит от вашей скорости интернета.

Nuvola 3
руководство
для
технического
персонала
28
газовые
настенные
котлы
30.
Электрическое
присоединение
зонального
оборудования
.
30.1
Присоединение
релейной
платы
.
Релейная
плата
не
входит
в
комплект
поставки
котла
и
заказывается
отдельно
.
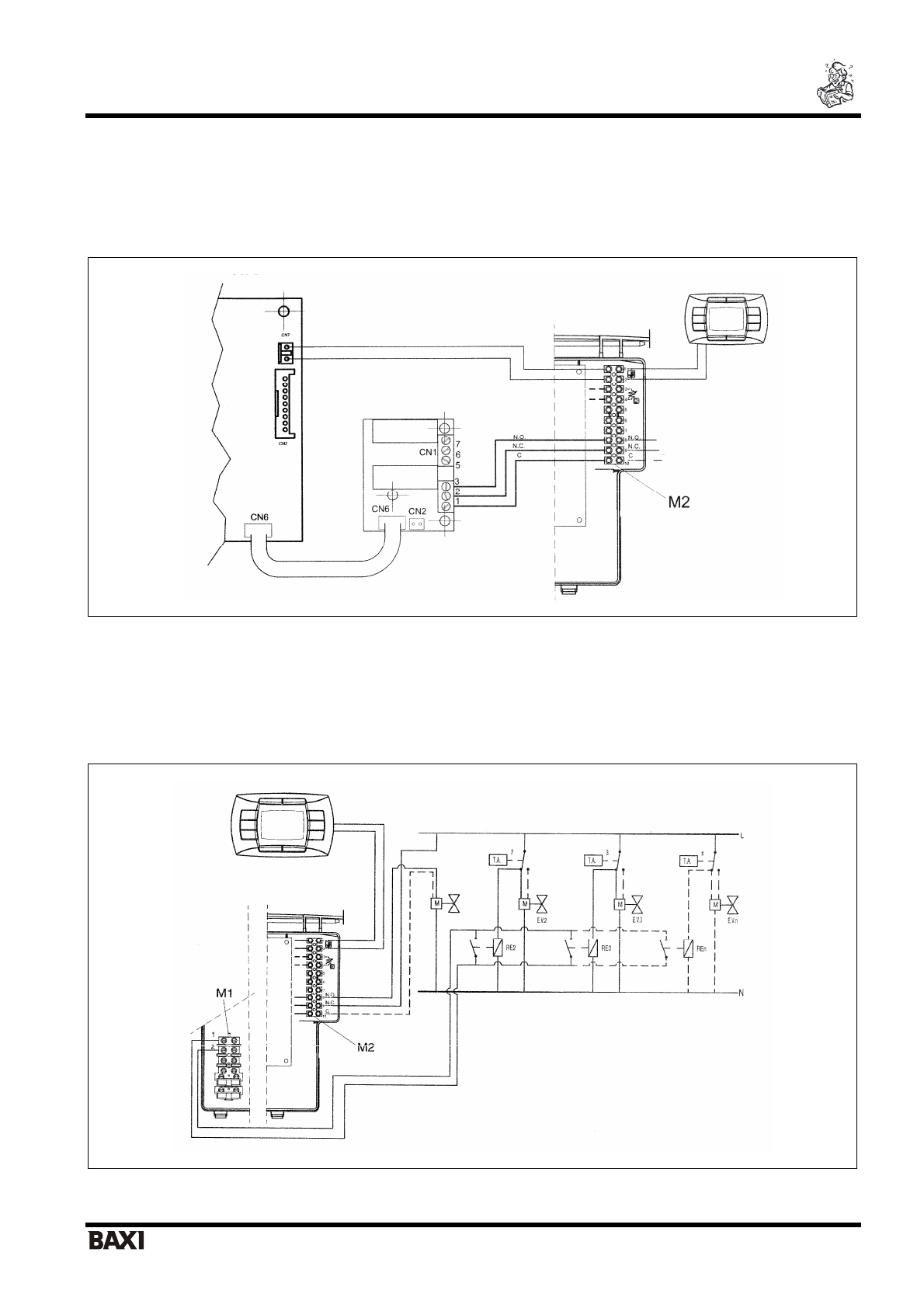
Присоедините
клеммы
1-2-3
коннектора
CN1
релейной
платы
к
клеммам
10-9-8
клеммной
колодки
М
2
(
Рис
.18).
Рис
.18
30.2
Присоединение
зонального
оборудования
.
Электрические
контакты
зон
,
не
контролируемых
дистанционным
управлением
,
должны
быть
запараллелены
и
подсоединены
к
клеммам
1-2 «
ТА
»
клеммной
колодки
М
1
.
Существующая
перемычка
должна
быть
удалена
.
Зона
,
контролируемая
с
помощью
дистанционного
управления
,
управляется
электрическим
клапаном
зоны
1,
как
показано
на
рис
.19.
Рис
.19
Внимание
:
:
проверьте
,
чтобы
параметр
F04 = 2
(
как
установлено
на
заводе
-
глава
21)
Электронная
плата
котла
Релейная
плата
реле
1
реле
2
ЗОНА
2,
КОМНАТНЫЙ
ТЕРМОСТАТ
ЗОНА
3,
КОМНАТНЫЙ
ТЕРМОСТАТ
ЗОНА
N,
КОМНАТНЫЙ
ТЕРМОСТАТ
электро
клапан
зона
1
ЗОНА
1,
ПАНЕЛЬ
УПРАВЛЕНИЯ
ЗОНА
1