Котел BAXI LUNA-TEC 24 GA - инструкция пользователя по применению, эксплуатации и установке на русском языке. Мы надеемся, она поможет вам решить возникшие у вас вопросы при эксплуатации техники.
Если остались вопросы, задайте их в комментариях после инструкции.
"Загружаем инструкцию", означает, что нужно подождать пока файл загрузится и можно будет его читать онлайн. Некоторые инструкции очень большие и время их появления зависит от вашей скорости интернета.
Загружаем инструкцию

7108195.01 (1-09/12)
82
S
E
C
T
IO
N
A
2
5
1
A
1
3
1
4
1
5
1
6
1
7
1
9
2
0
2
1
2
2
1
5
2
3
2
4
1
8
B
D
F
M
2
3
4
2
6
9
2
6
C
1
0
2
7
LU
NA
DU
O
-T
E
C 1.12
-
1
.2
4 -
1
.2
8
1
2
5
1
3
1
4
1
5
1
6
1
7
1
9
2
0
2
1
2
2
1
5
2
3
2
4
1
8
A
B
D
E
F
C
6
M
2
3
4
5
7
9
1
1
1
2
1
0
8
LU
NA
DU
O
-T
E
C 24
-
2
8 -
3
3 -
4
0
CG_221
2
Содержание
- 2 БАКСИ; АО; УКАЗАТЕЛЬ
- 3 ОПИСАНИЕ СИМВОЛОВ; Запрещается делать / использовать указанное рядом с символом.; МЕРЫ БЕЗОПАСНОСТИ
- 4 ОБЩИЕ ПРЕДУПРЕЖДЕНИЯ; создав тем самым опасную ситуацию.; Контур отопления; следовать указаниям инструкций по их применению.; РЕКОМЕНДАЦИИ ПО ЭКОНОМИИ ЭНЕРГИИ; Управление системой отопления
- 5 ВВОД КОТЛА В ЭКСПЛУАТАЦИЮ; РЕГУЛИРОВКА ТЕМПЕРАТУРЫ ПОДАЧИ ОТОПЛЕНИЯ И ГОРЯЧЕЙ ВОДЫ
- 6 ВЫКЛЮЧЕНИЕ НА ДЛИТЕЛЬНЫЙ ПЕРИОД. ЗАЩИТА ОТ ЗАМЕРЗАНИЯ; ниже 5 °C включает горелку до достижения температуры, равной 30 °C.; ПЕРЕВОД КОТЛА НА ДРУГОЙ ТИП ГАЗА; В случае необходимости смены типа газа,; Описание неисправности; Отключите не несколько секунд электропитание котла.
- 7 МЕНЮ ИНФОРМАЦИИ О КОТЛЕ; ОПИСАНИЕ; ВЫКЛЮЧЕНИЕ КОТЛА; ИНСТРУКЦИИ ПО ПЛАНОВОМУ ТЕХОБСЛУЖИВАНИЮ
- 8 ПРЕДУПРЕЖДЕНИЯ ПЕРЕД МОНТАЖОМ; ПРЕДУПРЕЖДЕНИЕ ПО ПОВОДУ ДОПОЛНИТЕЛЬНОГО НАСОСА; Форма шаблона приведена в конце руководства в приложении; КОМПЛЕКТ ПОСТАВКИ; АКСЕССУАРЫ
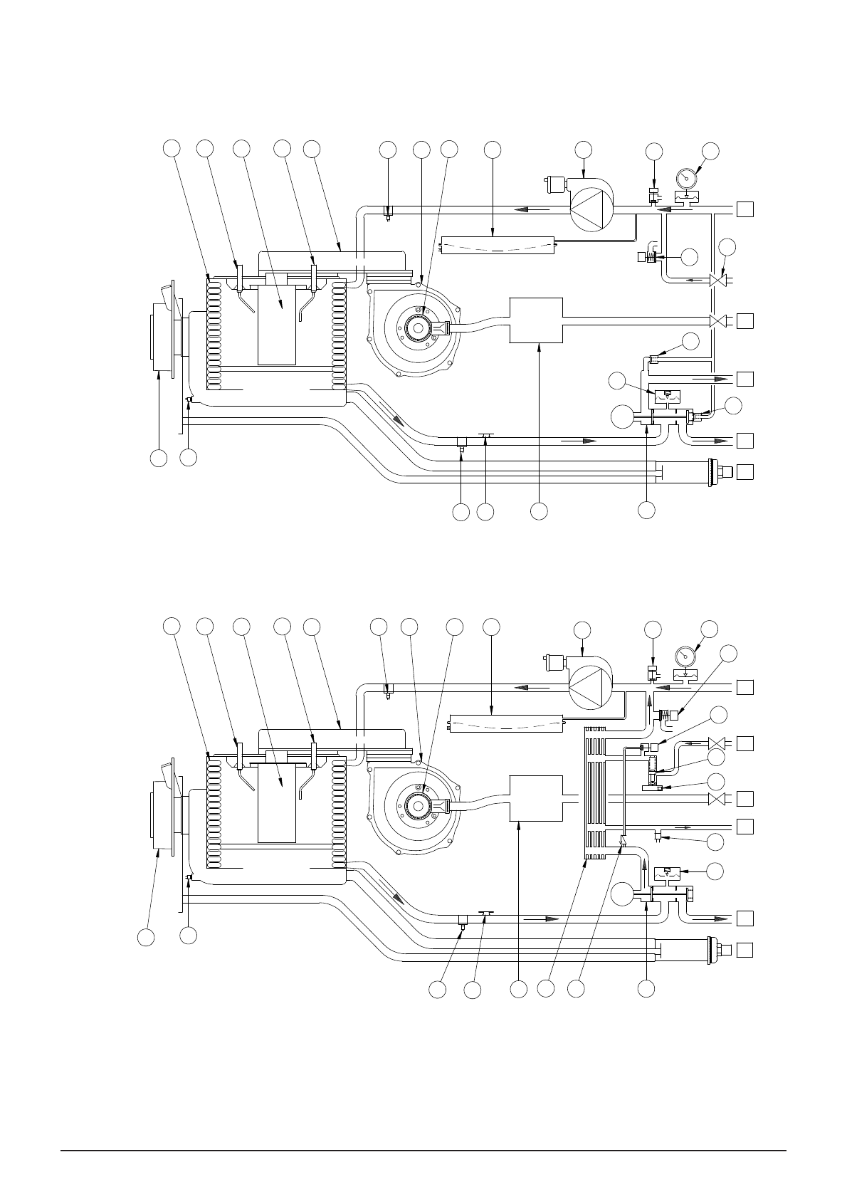
- 9 МОНТАЖ ДЫМОХОДА И ВОЗДУХОВОДА; ПРЕДУПРЕЖДЕНИЯ; КОАКСИАЛЬНЫЕ ДЫМОХОДЫ; 0° отвод сокращает возможную полную длину трубы на 1 метр.; “SECTION” D; РАЗДЕЛЬНЫЕ ДЫМОХОДЫ; 0° отвод сокращает возможную полную длину трубы на 0,5 метра.
- 10 ЭЛЕКТРИЧЕСКИЕ СОЕДИНЕНИЯ; “SECTION” B; КЛЕММНАЯ КОЛОДКА M1; Фаза; КЛЕММНИК M2
- 11 СПЕЦИАЛЬНЫЕ ФУНКЦИИ
- 12 и удерживайте в течение 2; ФУНКЦИЯ УДАЛЕНИЯ ВОЗДУХА ИЗ СИСТЕМЫ ОТОПЛЕНИЯ; КОНТРОЛЬ ПРОДУКТОВ СГОРАНИЯ; CO
- 13 Обозначения на рисунке; НАСТРОЙКА ПАРАМЕТРОВ; ОПИСАНИЕ ПАРАМЕТРОВ; Pi
- 14 УСТРОЙСТВА ДЛЯ РЕГУЛИРОВАНИЯ И БЕЗОПАСНОСТИ; MIN; MAX
- 15 ЕЖЕГОДНОЕ ТЕХОБСЛУЖИВАНИЕ; Дождитесь охлаждения камеры сгорания и труб.; ГИДРАВЛИЧЕСКИЙ УЗЕЛ; В регионах, где жесткость воды выше значения; “SECTION” E; ОЧИСТКА ФИЛЬТРА ХОЛОДНОЙ ВОДЫ; В гидравлическом узле котла (; РАСПОЛОЖЕНИЕ ЭЛЕКТРОДОВ
- 16 ЗАМЕНА ДЕТАЛЕЙ; ФУНКЦИЯ РЕГУЛИРОВАНИЯ СОСТАВА; ФУНКЦИЯ АВТОМАТИЧЕСКОЙ КАЛИБРОВКИ
- 17 ТЕХНИЧЕСКИЕ ХАРАКТЕРИСТИКИ; II
Характеристики
Остались вопросы?Не нашли свой ответ в руководстве или возникли другие проблемы? Задайте свой вопрос в форме ниже с подробным описанием вашей ситуации, чтобы другие люди и специалисты смогли дать на него ответ. Если вы знаете как решить проблему другого человека, пожалуйста, подскажите ему :)
Часто задаваемые вопросы
Как посмотреть инструкцию к BAXI LUNA-TEC 24 GA?
Необходимо подождать полной загрузки инструкции в сером окне на данной странице
Руководство на русском языке?
Все наши руководства представлены на русском языке или схематично, поэтому вы без труда сможете разобраться с вашей моделью
Как скопировать текст из PDF?
Чтобы скопировать текст со страницы инструкции воспользуйтесь вкладкой "HTML"