Кондиционеры LORIOT SKY íàðóæíûé áëîê LAC-09AS-OUT - инструкция пользователя по применению, эксплуатации и установке на русском языке. Мы надеемся, она поможет вам решить возникшие у вас вопросы при эксплуатации техники.
Если остались вопросы, задайте их в комментариях после инструкции.
"Загружаем инструкцию", означает, что нужно подождать пока файл загрузится и можно будет его читать онлайн. Некоторые инструкции очень большие и время их появления зависит от вашей скорости интернета.

18 Электрический кондиционер воздуха www.loriot.ru
Руководство по эксплуатации
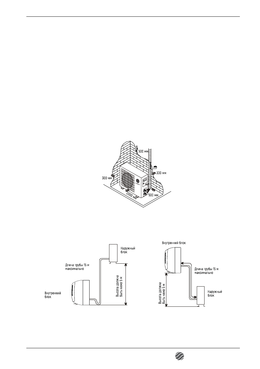
Наружный блок
1. Не устанавливайте наружный блок рядом с источниками тепла, пара
или воспламеняющегося газа.
2. Не устанавливайте блок в слишком ветреных или пыльных местах.
3. Не устанавливайте блок там, где ходят люди. Выберите место, где
выхлоп воздуха и шум не будет мешать соседям.
4. Избегайте установку блока там, где он будет подвержен воздействию
прямых солнечных лучей (в противном случае используйте дополни-
тельную защиту прибора, которая, не должна препятствовать свобод-
ному впуску и выпуску воздуха).
5. Оставьте расстояние между прибором и какими-либо объектами, как
показано на рисунке (Рис. 3), чтобы обеспечить свободную циркуля-
цию воздуха.
6. Подберите для наружного блока устойчивое и безопасное место.
7. Если наружный блок вибрирует во время работы, подложите под него
резиновую подкладку.
рис. 3
Схема установки
рис. 4
Установка кондиционера может осуществляться только специалистами.
Покупатель доложен удостовериться в наличии у компании по установке
или специалиста соответствующей квалификации и опыта.
Содержание
- 3 ваши средства и свой ресурс работы.; - Золоченое покрытие теплообменника; движений и получить быстрый доступ ко всем узлам конструкции.
- 4 Руководство по эксплуатации; Блоки электрических кондиционеров воздуха
- 5 одержание
- 6 ажная
- 8 ехничеСкие; Таблица 1
- 10 СлоВия; Таблица 2; Режим; Охлаждение; пиСание
- 11 омплект
- 12 ульт
- 13 Автоматический режим работы «AUTO»
- 14 Режим вентиляции «FAN»
- 15 Режим «HEALTH»
- 17 Внутренний Блок
- 18 Наружный блок
- 19 СтаноВка
- 20 Выберите место в стене для сверления отверстия для трубы (при не-
- 21 Монтаж труб для циркуляции хладагента
- 22 Дренаж конденсата внутреннего блока
- 24 Электрические соединения
- 25 пуСк
- 26 оСледние
- 27 нФормация; Для различных моделей схемы электропроводки могут быть разными.
- 28 оиСк; устранения неисправностей, указанных в таблице 3.
- 29 ход
- 30 Уважаемые покупатели!
- 31 Условия Гарантийных обязательств.; Таблица; Температурные требования
- 33 арантийный
- 35 ОТРЫВНОЙ ТАЛОН













