Кондиционеры Lessar LS-HE18TTA2/LU-HE18UTA2 - инструкция пользователя по применению, эксплуатации и установке на русском языке. Мы надеемся, она поможет вам решить возникшие у вас вопросы при эксплуатации техники.
Если остались вопросы, задайте их в комментариях после инструкции.
"Загружаем инструкцию", означает, что нужно подождать пока файл загрузится и можно будет его читать онлайн. Некоторые инструкции очень большие и время их появления зависит от вашей скорости интернета.

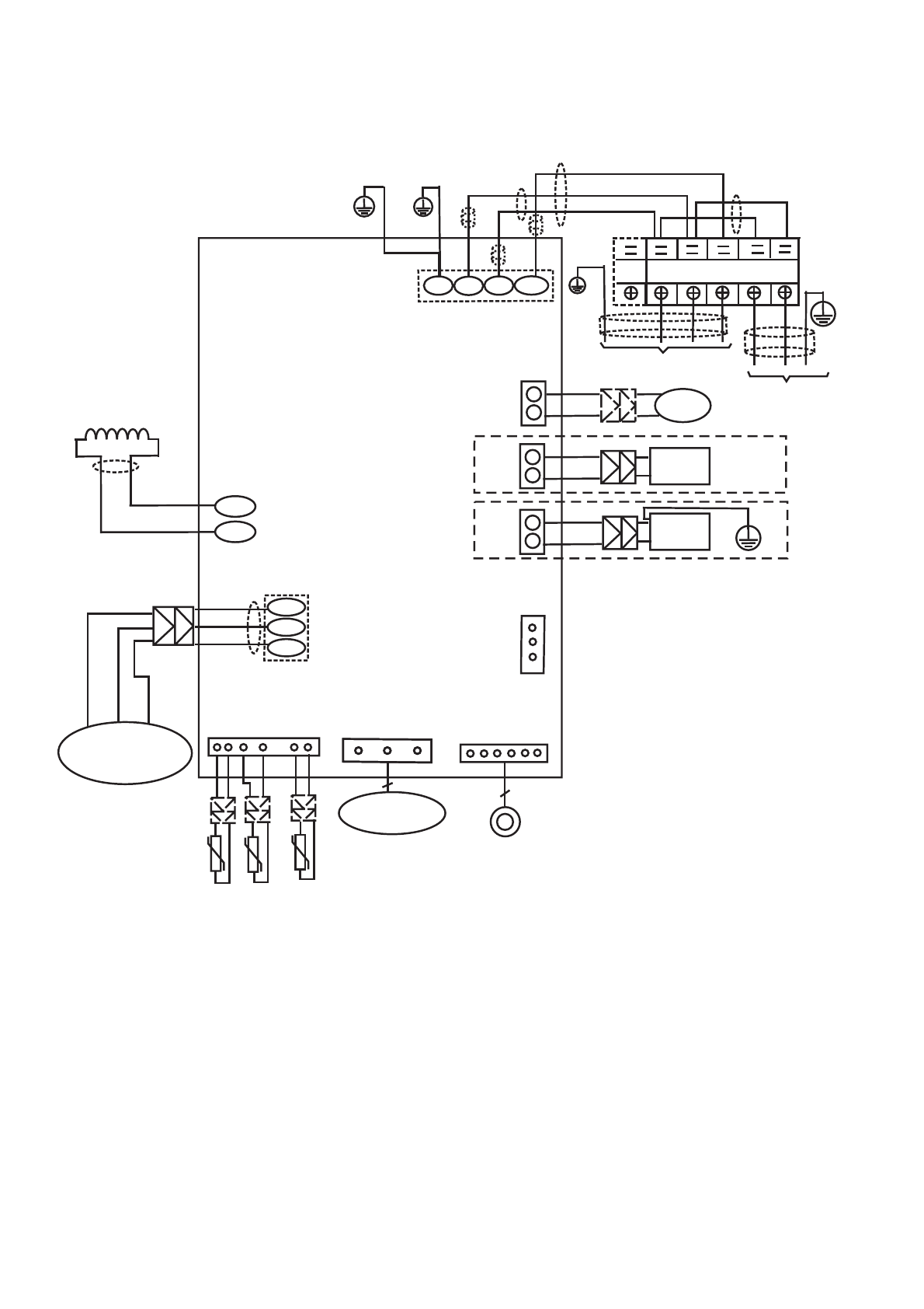
61
Наружные
блоки
LU-HE18UTA2
4-WAY
CN 7
3
5/6
CN 31
CN 15
Ɉɉɐɂə
CN 60
ɩɨɞɨɝɪɟɜ
ɤɚɪɬɟɪɚ
CN 17
Ɉɉɐɂə
ɫɢɧɢɣ
ɤɨɪɢɱɧɟɜɵɣ
ɠɟɥɬɵɣɢɥɢɱɟɪɧɵɣ
S
2(N)
L N
Ʉɪ
ɫɢɧɢɣɢɥɢɱɟɪɧɵɣ
1(L)
Y/G
Ⱦɚɬɱɢɤɬɟɦɩɜɨɡɞɭɯɚ
Ⱦɚɬɱɢɤɬɟɦɩɟɪɚɬɭɪɵɧɚɝɧɟɬɚɧɢɹ
CN 21
Ⱦɚɬɱɢɤɬɟɦɩɬɟɩɥɨɨɛɦɟɧɧɢɤɚ
ɠɡ
ɤɨɦɩɪɟɫɫɨɪ
U
V
W
ɫɢɧɢɣ
ɤɪɚɫɧɵɣ
ɱɟɪɧɵɣ
ɋɢɧɢɣ
Ʉɪ
Ȼɟɥ
CN 25
CN 1A
CN 3 CN 1 CN 2 CN 16
CN 50
CN 30
CN 29
CN 28
ɫɢɧɢɣ
ɤɪ
ɱɟɪɧ
ɫɢɧɢɣɢɥɢ
ɛɟɥɵɣ
CN 9
CN 32
Y/G
ɠɡ
Y/G
ɉɅȺɌȺ
ɍɉɊȺȼɅȿɇɂə
ɞɪɨɫɫɟɥɶ
(;9ɤɥɚɩɚɧ
Ʉɜɧɭɬɪɟɧɧɟɦɭɛɥɨɤɭ
ɩɨɞɨɝɪɟɜ
ɩɨɞɞɨɧɚ
ɉɢɬɚɧɢɟ
ɫɢɧɢɣɢɥɢ
ɛɟɥɵɣ
ɜɟɧɬɢɥɹɬɨɪ