Кондиционеры Lessar LS-HE18TTA2/LU-HE18UTA2 - инструкция пользователя по применению, эксплуатации и установке на русском языке. Мы надеемся, она поможет вам решить возникшие у вас вопросы при эксплуатации техники.
Если остались вопросы, задайте их в комментариях после инструкции.
"Загружаем инструкцию", означает, что нужно подождать пока файл загрузится и можно будет его читать онлайн. Некоторые инструкции очень большие и время их появления зависит от вашей скорости интернета.

38
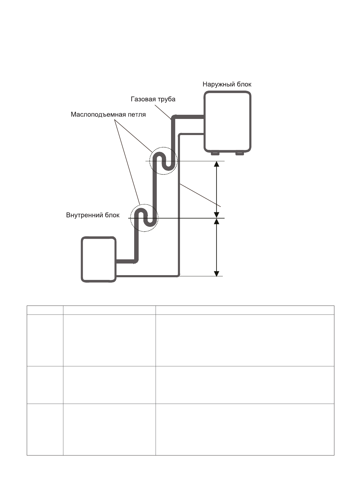
Если
наружного
блок
установлен
выше
внутреннего
блока
:
Рекомендуется
не
увеличивать
диаметр
вертикальных
всасывающих
линий
хладагента
,
так
как
в
системе
должен
поддерживаться
возврат
масла
в
компрессор
за
счет
высокой
скорости
всасываемого
газа
.
Если
скорости
упадут
ниже
7,62
м
/
с
,
возврат
масла
будет
уменьшен
.
Мас
-
лоподьемные
петли
в
нисходящем
газовом
трубопроводе
могут
предотвратить
это
.
Маслоподьемные
петли
следует
устанавливать
через
каждые
6
м
вертикального
участка
вса
-
сывающей
линии
.
ɀɢɞɤɨɫɬɧɚɹɬɪɭɛɚ
ɦ
ɦ
Основные
требования
к
монтажу
фреонопровода
Принцип
Возможные
проблемы
Контрмеры
Отсутствие
влаги
Дождь
/
снег
могут
попасть
в
трубы
при
монтаже
.
При
хранении
труб
на
холоде
в
них
изнутри
может
образовы
-
ваться
конденсат
.
При
монтаже
в
трубы
может
попасть
жидкость
.
Проверить
трубопроводы
перед
началом
монтажа
.
Тщательно
производить
изоляцию
трубопроводов
при
монтаже
и
при
протаскивании
через
препятствия
.
Не
производить
монтаж
при
атмосферных
осадках
/
тщательно
защищать
трубы
вплоть
до
их
запаивания
Чистота
Отсутствие
посторонних
пред
-
метов
в
трубопроводах
.
Пайка
только
в
среде
азота
.
Проверяйте
трубопроводы
на
наличие
посторонних
предметов
внутри
перед
началом
монтажа
(
вы
не
можете
контролировать
процесс
хранения
до
поступления
на
объект
).
Все
работы
по
пайке
трубопроводов
должны
производиться
только
в
среде
инертного
газа
азота
Герметич
-
ность
Ошибки
пайки
.
Ошибки
монтажа
.
Повреждения
уже
после
про
-
ведения
монтажа
.
Обязательно
провести
тестирование
под
давлением
отдельных
участков
трубопровода
после
их
завершения
.
Обязательно
провести
тестирование
под
давлением
всей
сети
трубопроводов
после
окончательного
монтажа
всей
системы
.
Обязательно
проводить
актирование
всех
этапов
проверки
в
присутствии
представителя
заказчика
с
подписанием
актов
приемки