Кондиционеры Lessar LS-H55SKA4A/LU-H55SKA4A - инструкция пользователя по применению, эксплуатации и установке на русском языке. Мы надеемся, она поможет вам решить возникшие у вас вопросы при эксплуатации техники.
Если остались вопросы, задайте их в комментариях после инструкции.
"Загружаем инструкцию", означает, что нужно подождать пока файл загрузится и можно будет его читать онлайн. Некоторые инструкции очень большие и время их появления зависит от вашей скорости интернета.

36
LU- H48SK A4A
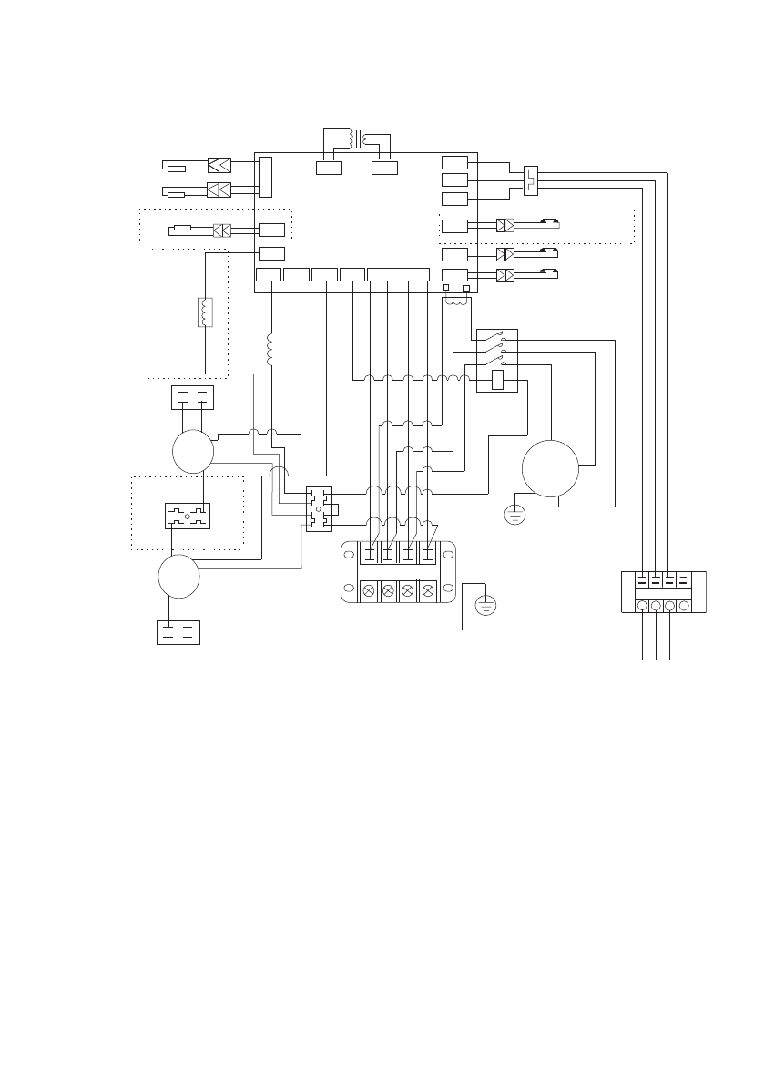
основная плата
управления
трансформатор
CN5
CN9
CN1
CN3
CN4
CN15
CN7
CN8
детектор
тока
CN2
CN11
CN13
CN12
CN14
CN10
CN17
CN6
R
T3 датчик
темп. трубы
R
T4 датчик
темп. воздуха
ОПЦИЯ
ОПЦИЯ
ОПЦИЯ
RT5
нагрева-
тель
картера
оранжевый
оранжевый
2
1
3
к внутреннему блоку
XTТ2
XTT4
коричн.
синий
черный
К2 реле низкого давления
К1 реле высокого давления
К3 реле темп. нагнетания
к внутреннему блоку
XT1
или к питанию
3ф / 380 В / 50 Гц
XT3
A B C
N
KM8
2
4
6
A2
A1
1
3
5
красный
белый
синий
компрессор
U(R)
V(S)
W(T)
вентилятор 2
конденсатор
вентилятора
красный
желтый
белый
коричн.
XT6
коричн.
вентилятор 1
конденсатор
вентилятора
красный
желтый
синий
синий
белый
XT5
4-х
одо
вой
клапан
синий
синий
красный
красный
бе
лый
синий
черный
черный
синий
или черный
ОПЦИЯ
Содержание
- 3 Меры предосторожности; При установке
- 5 Перед первым пуском подайте питание
- 6 Назначение; Принцип работы кондиционера в режиме охлаждения; Функция защиты от обмерзания
- 7 Авторестарт
- 8 Комплектность сплит-системы
- 9 Спецификация
- 12 Диаметры фреонопроводов
- 13 Установка; Предостережение; Выбор места; Перед установкой
- 14 Установка внутреннего блока
- 15 Установка трубопровода отвода конденсата
- 16 Проверка дренажа; Установка сливного штуцера в наружном блоке; Установка наружного блока
- 17 Необходимые расстояния для монтажа и обслуживания
- 18 Перемещение и установка; Монтаж соединительной трубы; каждые 3 метра; Процедура соединения труб
- 19 Развальцовка труб
- 21 Удаление воздуха вакуумным насосом; Общая информация
- 23 Пожалуйста, обратите внимание
- 24 Вакуумирование; Порядок действий
- 25 Заправка
- 26 Процедура проверки
- 27 Изоляция
- 28 Электрические соединения; Электропроводка; Подключение наружного блока; Снимите защитную панель
- 29 Правила безопасности
- 31 Регламентное техническое обслуживание; Регламент технического обслуживания
- 32 Коды ошибок
- 33 Схемы соединений; L N
- 37 C N
- 38 Дата производства оборудования
- 39 Место производства оборудования