Кондиционеры Lessar LS-H55SKA4A/LU-H55SKA4A - инструкция пользователя по применению, эксплуатации и установке на русском языке. Мы надеемся, она поможет вам решить возникшие у вас вопросы при эксплуатации техники.
Если остались вопросы, задайте их в комментариях после инструкции.
"Загружаем инструкцию", означает, что нужно подождать пока файл загрузится и можно будет его читать онлайн. Некоторые инструкции очень большие и время их появления зависит от вашей скорости интернета.

33
10.
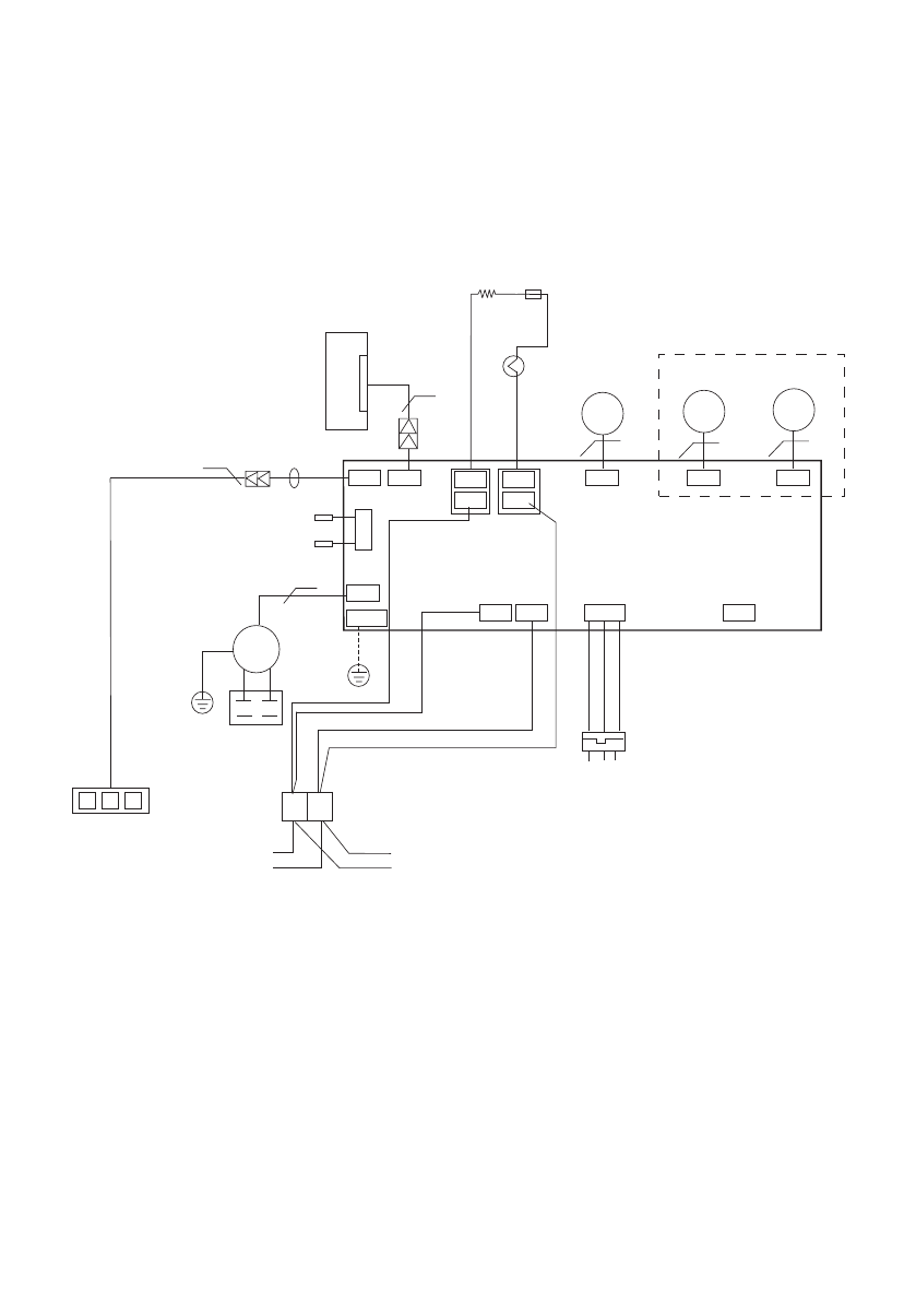
Схемы соединений
Внутренние блоки
LS-H24SK A2
Основная плата
управления
CN12
CN10
CN1
CN14
CN4
CN104
CN8
CN7
CN21
CN13
CN15
CN6
CN23
CN24
CN25
CN26
RL9
RL10
двигатели вертикальных
жалюзи (опция)
5
5
двигатель
горизонтальных
жалюзи
5
электрический нагреватель
предохранитель
выключатель
красный
черный
пла
та дисплея
4
XTT3
красный
черный
XTT4
к наружному блоку
3
RT2 датчик темп. трубы
RT 1 датчик темп. воздуха
конденсатор
вентилятора
вентилятор
5 (4)
XT1
L N
к наружному блоку
питание
220 В / 50 Гц
красный
черный
к наружному блоку
(3, 4, 5)
XTT2
же
лтый
бе
лый
синий
Содержание
- 3 Меры предосторожности; При установке
- 5 Перед первым пуском подайте питание
- 6 Назначение; Принцип работы кондиционера в режиме охлаждения; Функция защиты от обмерзания
- 7 Авторестарт
- 8 Комплектность сплит-системы
- 9 Спецификация
- 12 Диаметры фреонопроводов
- 13 Установка; Предостережение; Выбор места; Перед установкой
- 14 Установка внутреннего блока
- 15 Установка трубопровода отвода конденсата
- 16 Проверка дренажа; Установка сливного штуцера в наружном блоке; Установка наружного блока
- 17 Необходимые расстояния для монтажа и обслуживания
- 18 Перемещение и установка; Монтаж соединительной трубы; каждые 3 метра; Процедура соединения труб
- 19 Развальцовка труб
- 21 Удаление воздуха вакуумным насосом; Общая информация
- 23 Пожалуйста, обратите внимание
- 24 Вакуумирование; Порядок действий
- 25 Заправка
- 26 Процедура проверки
- 27 Изоляция
- 28 Электрические соединения; Электропроводка; Подключение наружного блока; Снимите защитную панель
- 29 Правила безопасности
- 31 Регламентное техническое обслуживание; Регламент технического обслуживания
- 32 Коды ошибок
- 33 Схемы соединений; L N
- 37 C N
- 38 Дата производства оборудования
- 39 Место производства оборудования