Кондиционеры Lessar LS-H55SKA4A/LU-H55SKA4A - инструкция пользователя по применению, эксплуатации и установке на русском языке. Мы надеемся, она поможет вам решить возникшие у вас вопросы при эксплуатации техники.
Если остались вопросы, задайте их в комментариях после инструкции.
"Загружаем инструкцию", означает, что нужно подождать пока файл загрузится и можно будет его читать онлайн. Некоторые инструкции очень большие и время их появления зависит от вашей скорости интернета.

34
LS-H48SK A4A; LS-H55SK A4A
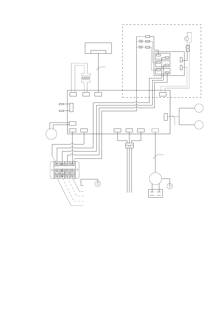
A
B
C
N
RT
2 датчик темп. трубы
RT
1 датчик темп. воздуха
CN8
CN3
CN2
CN21
основная плата управления
CN7
CN1
1
CN19
CN22
CN20
CN27
CN16
CN5
CN4
трансформатор
плата дисплея
12(7)
электрический нагреватель
(предусмотрен только для модели 48к)
плата
электрического
нагревателя
CN405
CN406
предохранители
выключатель
нагрев
ат
ели
черный
3
3
3
4
4
4
10
горизонтальные
жалюзи
4 (3)
вентилятор
конденсатор
вентилятора
XTT2
к наружному
блоку
XTT4
черный
синий
коричн.
двигатели
вертикальных
жалюзи
(опция)
черный
красный
красный
синий
белый
XT1
к наружному блоку
XT3
Содержание
- 3 Меры предосторожности; При установке
- 5 Перед первым пуском подайте питание
- 6 Назначение; Принцип работы кондиционера в режиме охлаждения; Функция защиты от обмерзания
- 7 Авторестарт
- 8 Комплектность сплит-системы
- 9 Спецификация
- 12 Диаметры фреонопроводов
- 13 Установка; Предостережение; Выбор места; Перед установкой
- 14 Установка внутреннего блока
- 15 Установка трубопровода отвода конденсата
- 16 Проверка дренажа; Установка сливного штуцера в наружном блоке; Установка наружного блока
- 17 Необходимые расстояния для монтажа и обслуживания
- 18 Перемещение и установка; Монтаж соединительной трубы; каждые 3 метра; Процедура соединения труб
- 19 Развальцовка труб
- 21 Удаление воздуха вакуумным насосом; Общая информация
- 23 Пожалуйста, обратите внимание
- 24 Вакуумирование; Порядок действий
- 25 Заправка
- 26 Процедура проверки
- 27 Изоляция
- 28 Электрические соединения; Электропроводка; Подключение наружного блока; Снимите защитную панель
- 29 Правила безопасности
- 31 Регламентное техническое обслуживание; Регламент технического обслуживания
- 32 Коды ошибок
- 33 Схемы соединений; L N
- 37 C N
- 38 Дата производства оборудования
- 39 Место производства оборудования