Кондиционеры Electrolux ESVMO-400-A - инструкция пользователя по применению, эксплуатации и установке на русском языке. Мы надеемся, она поможет вам решить возникшие у вас вопросы при эксплуатации техники.
Если остались вопросы, задайте их в комментариях после инструкции.
"Загружаем инструкцию", означает, что нужно подождать пока файл загрузится и можно будет его читать онлайн. Некоторые инструкции очень большие и время их появления зависит от вашей скорости интернета.
Загружаем инструкцию
 
34
electrolux
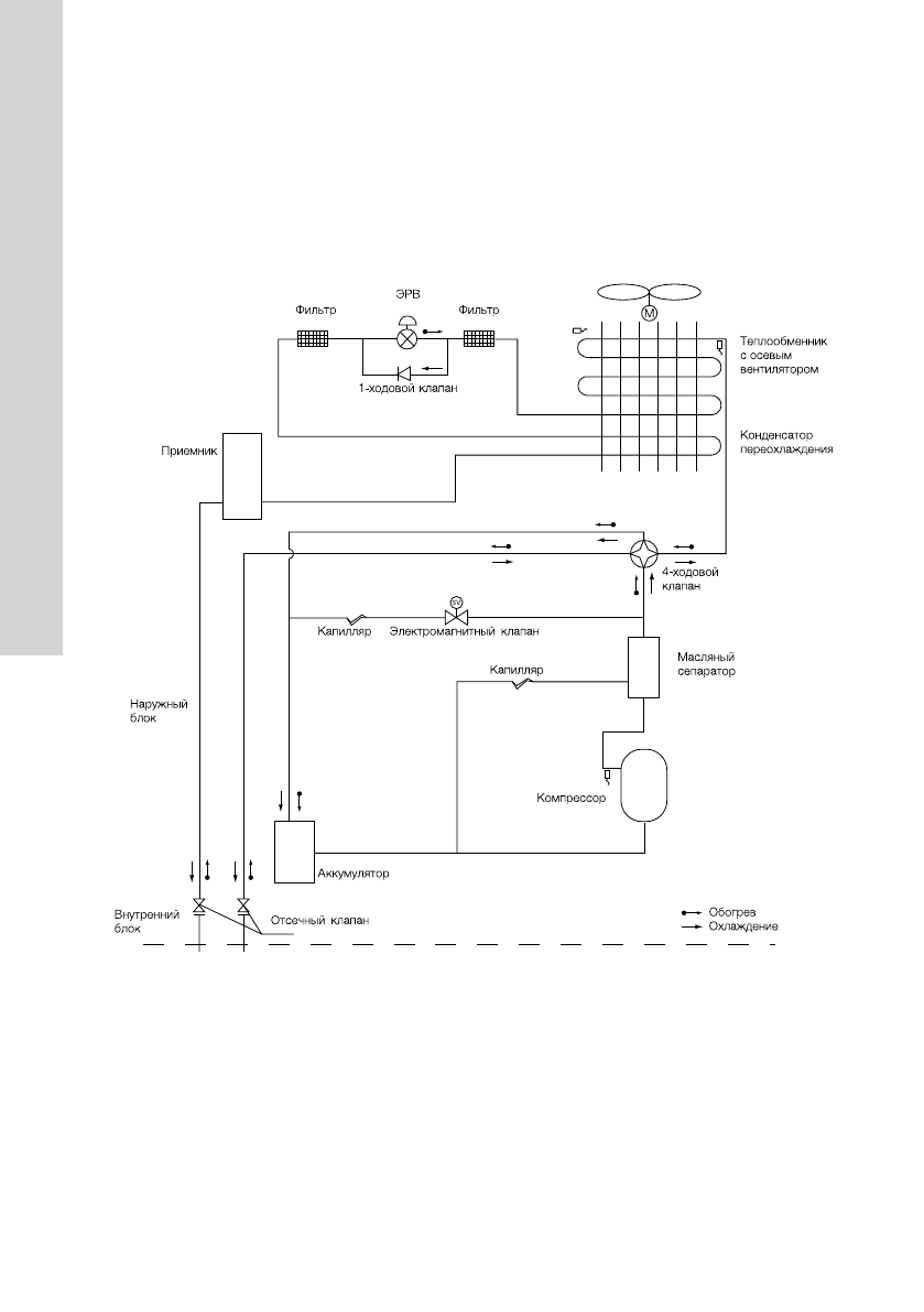
пРинцип Работы  
наРУжноГо блока
наружный блок с тепловым 
насосом мультизональной системы 
кондиционирования
Содержание
- 3 наружные блоки мультизональных систем; Указания для пользоВателя; ОСТОРОЖНО
 - 5 прокладка кабеля; комбинации модульных блоков и выбор автомата.
 - 6 Рекомендуемые комбинации модульных блоков и; питание внутренних блоков.; Примечания; оборудование заземления; Сопротивление заземления должно соответство-; контроль уровня шума
 - 7 дополнительные принадлежности; избегайте прямого солнечного света.; Установка наружного блока
 - 11 Сервисное пространство многомодульных блоков.
 - 12 при монтаже «зад к заду»
 - 13 ЭлектРиЧеСкие Соединения; Примечание
 - 14 диаметр труб между наружным блоком и трой-
 - 15 Соединительная труба модулей блока должна
 - 16 примеры монтажа труб между модулями наруж-
 - 18 агрегаты производительностью 60 кВт и выше
 - 19 Размеры соединительных труб; Замечание; Соединение тройника
 - 21 СлаботоЧная коММУтация; ) На линии связи последнего внутреннего
 - 22 Соединение одиночного наружного блока
 - 23 Соединение модульного наружного блока через
 - 24 задание блоков
 - 25 DIP-переключатели модульных наружных блоков
 - 29 заполнение системы хладагентом; на заводе наружные блоки заполняются хлада-
 - 30 ) Заправка хладагента через газовую трубу
 - 31 жидкостная линия; проверка после монтажа
 - 32 Следующие ситуации не являются неисправностями
 - 33 послепродажное обслуживание; проверка перед пробным пуском
 - 36 обСлУжиВание
 - 37 Во избежание поражения электрическим током; техниЧеСкие данные; ность и шум измерялись на заводе.; диапазон рабочих температур
 - 38 Эксплуатационные параметры наружных блоков
 - 39 Утилизация; Сертификат соответствия:
 - 40 ГаРантийные обязательСтВа
 - 42 Сведения о монтажных и пусконаладочных работах*; Сведения о гарантийном ремонте
 - 44 Electrolux is a registered trademark used under
 
 
 
 
 
 
 
 
 
 
 
 
 
 
 
 
 
 
 
 
 
 
 
 
 
 
 
 
 
 
 
 
 
 
 
 
 
 
 
 
 
 
 
 
 











