Кондиционеры Daikin JEHCCU-CL1 - инструкция пользователя по применению, эксплуатации и установке на русском языке. Мы надеемся, она поможет вам решить возникшие у вас вопросы при эксплуатации техники.
Если остались вопросы, задайте их в комментариях после инструкции.
"Загружаем инструкцию", означает, что нужно подождать пока файл загрузится и можно будет его читать онлайн. Некоторые инструкции очень большие и время их появления зависит от вашей скорости интернета.

O-CU06-DEC14-1
All specifications are subjected to change by the manufacturer without prior notice.
The English text is the
original instruction. Other languages are the translations of the original instructions.
19
JEHSCU0400CM3
,
JEHSCU0500CM3, JEHSCU0600CM3, JEHSCU0680CM3,
JEHSCU0400CL3, JEHSCU0500CL3, JEHSCU0600CL3
JEHSCU0800CM3, JEHSCU1000CM3
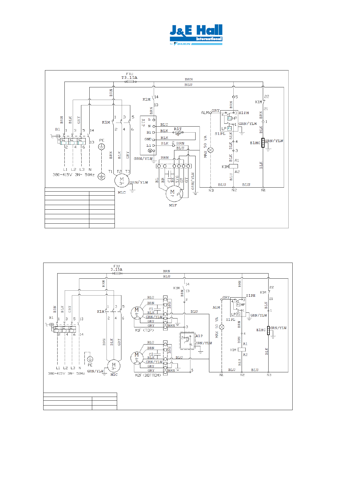
NOTE:
REMOVE LINK 4 TO 3 BEFORE CONNECTING TO CONTROLLER
- - - IS THE FIELD W IRING
A1P: FAN SPEED CONTROLLER
M1C: CO MPRESSOR
B1/ MOTOR CIRCUIT BREAKER
M1F CONDENSER FAN
C1: FAN CAPACITOR
R1T: LIQUID LINE TEMPERATURE SENSOR
E1HC: CRANKCASE HEATER
S1PH: HIGH PRESSURE SW ITCH
F1U: FUSE
S1PL: LOW PRESSURE SW ITCH
K1M: CONTACTOR
SETTING, B1
MODEL
VALUE <A>
JEHS/JEHSCU0400B3(C)M3
11,0
JEHS/JEHSCU0500B3(C)M3
14,0
JEHS/JEHSCU0600B3(C)M3
14,0
JEHS/JEHSCU0680B3(C)M3
15,0
JEHS/JEHSCU0400B3(C)L3
10,0
JEHS/JEHSCU0500B3(C)L3
12,0
JEHS/JEHSCU0600B3(C)L3
14,5
NOTE:
REMOVE LINK 17 TO 18 BEFORE CONNECTING TO CONTROLLER
- - - IS THE FIELD W IRING
A1P: FAN SPEED CONTROLLER
B1: MOTOR CIRCUIT BREAKER
C1, C2: FAN CAPACITOR
E1HC: CRANKCASE HEATER
F1U: FUSE
K1M: CONTACTOR
M1C: CO MPRESSOR
M1F & M2F: CONDENSER FAN
S1PH: HIGH PRESSURE SW ITCH
S1PH: LOW PRESSURE SW ITCH
SETTING, B1
MODEL
VALUE <A>
JEHS&JEHSCU-0800-B4(C)-M-3
17A
JEHS&JEHSCU-1000-B4(C)-M-3
22A