Кондиционеры Daikin EWAQ-GZXS - инструкция пользователя по применению, эксплуатации и установке на русском языке. Мы надеемся, она поможет вам решить возникшие у вас вопросы при эксплуатации техники.
Если остались вопросы, задайте их в комментариях после инструкции.
"Загружаем инструкцию", означает, что нужно подождать пока файл загрузится и можно будет его читать онлайн. Некоторые инструкции очень большие и время их появления зависит от вашей скорости интернета.

D-EIMAC01109-14EU - 29/208
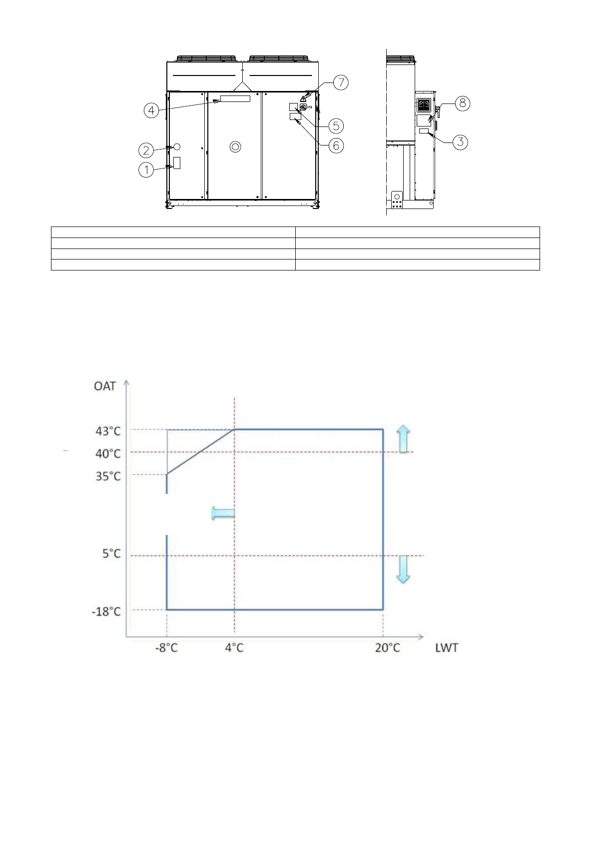
Identification de l'étiquette
Figure 4 - Limites de fonctionnement
Leaving Water temperature (°C)
Remarque
Les graphiques ci-dessus représentent les lignes directrices relatives aux limites de fonctionnement de l'intervalle. Veuillez vous
référer au Chiller Selection Software (CSS) pour obtenir les limites réelles des conditions de fonctionnement pour chaque tai lle.
Légende
Température ambiante (°C)
= Température d'entrée d'air du condenseur (°C)
Température de sortie d'eau (°C)
= Température de l'eau en sortie de l'évaporateur (°C)
1
– Symbole du gaz non inflammable
5
– Avertissement serrage des câbles
2
– Type de gaz
6
– Avertissement tension dangereuse
3
– Données de la plaque signalétique de l'unité
7
– Symbole indiquant un danger électrique
4
– Logo du fabricant
8
– Instructions de levage
Te
mpératu
re
a
mbi
an
te
(°C)
Température de sortie d'eau (°C)
Le groupe de froid peut fonctionner
avec charge partielle
Option charge ambiante nécessaire
Option glycol
nécessaire
Содержание
- 88 Описание; электрическими схемами, сертифицированными; При получении агрегата; Хранение; Идентификация табличек
- 89 Рисунок 2 - Предельные рабочие значения; частичной
- 90 Техника безопасности; Руководства по; Шум
- 91 Рисунок 3 - Подъем агрегата
- 92 : Указания по подъему агрегата
- 93 Монтажная позиция; Требования к месту установки
- 95 Рисунок 5 - Схема подключения гидравлических линий к испарителю; рекуперации тепла s; Обработка воды; Таблица 1 - Допустимое содержание примесей в воде
- 96 Электрическая система; Указания общего характера; Эксплуатация агрегата; Обязанности оператора; Сервисное и гарантийное обслуживание
- 97 Срок службы; Таблица 2 - График проведения планового техобслуживания; Операции; Информация об используемом хладагенте; Утилизация












