Кондиционеры Daikin EWAQ-GZXS - инструкция пользователя по применению, эксплуатации и установке на русском языке. Мы надеемся, она поможет вам решить возникшие у вас вопросы при эксплуатации техники.
Если остались вопросы, задайте их в комментариях после инструкции.
"Загружаем инструкцию", означает, что нужно подождать пока файл загрузится и можно будет его читать онлайн. Некоторые инструкции очень большие и время их появления зависит от вашей скорости интернета.

D-EIMAC01109-14EU - 205/208
zmogljivosti enote nižje in padci tlaka višji. Vse zaščitne
sisteme enote, kakršen je sistem za zaščito pred
zmrzovanjem,
in nizkotlačno zaščito je treba ponovno
nastaviti.
12.
Pred izolacijo vodovodnih cevi se prepričajte, da ne
prihaja do puščanja.
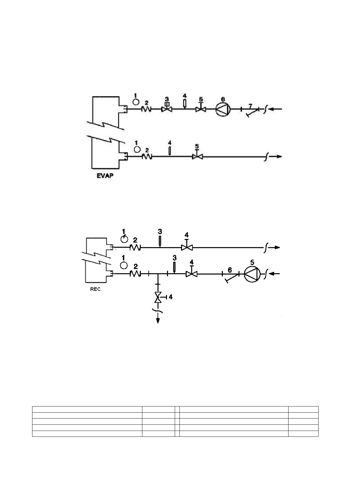
Slika 5 - Vezava vodovodnih cevi za izparilnik
1.
Manometer
2.
Gibka spojka
3.
Pretočno stikalo
4.
Temperature probe
5.
Izolacijski ventil
6.
Črpalka
7.
Filter
Slika 6 - Vezava vodovodnih cevi za izmenjevalnike rekuperatorja toplote
1.
Manometer
2.
Gibka spojka
3.
Temperaturna sonda
4.
Izolacijski ventil
5.
Črpalka
6.
Filter
Obdelava vode
Pred zagonom črpalke očistite vodovodni sistem. Nečistoča,
vodni k
amen, drobci rje in drugi delci se lahko kopičijo v
izmenjevalniku toplote in tako zmanjšujejo njegovo sposobnost
toplotne izmenjave. Poveča se lahko tudi padec tlaka in
posledično zmanjša pretok vode. Ustrezna obdelava vode
lahko torej zmanjša tveganje korozije, erozije, tvorjenja
vodnega kamna ipd. Kakšna vrsta obdelave vode je
najprimernejša se določi lokalno, glede na vrsto sistema in
lastnosti vode.
Proizvajalec ne odgovarja za morebitne poškodbe ali
nepravilno delovanje naprave, ki bi bili posledica nepravilnega
izvajanja ali neizvajanja postopka obdelave vode.
Preglednica 20 - Sprejemljive mejne vrednosti kakovosti vode
pH (25°C)
6,8
8,0
Skupna trdota (mg CaCO
3
/ l)
200
Električna prevodnost
S/cm (25°C)
800
Železo (mg Fe / l)
1,0
Kloridov ion (mg Cl
-
/ l)
200
Sulfidov ion (mg S
2 -
/ l)
Nobenega
Sulfatov ion (mg SO
2
4
-
/ l)
200
Amonijev ion (mg NH
4
+
/ l)
1,0
Alkalnost (mg CaCO
3
/ l)
100
Silicijev dioksid (mg SiO
2
/ l)
50
Содержание
- 88 Описание; электрическими схемами, сертифицированными; При получении агрегата; Хранение; Идентификация табличек
- 89 Рисунок 2 - Предельные рабочие значения; частичной
- 90 Техника безопасности; Руководства по; Шум
- 91 Рисунок 3 - Подъем агрегата
- 92 : Указания по подъему агрегата
- 93 Монтажная позиция; Требования к месту установки
- 95 Рисунок 5 - Схема подключения гидравлических линий к испарителю; рекуперации тепла s; Обработка воды; Таблица 1 - Допустимое содержание примесей в воде
- 96 Электрическая система; Указания общего характера; Эксплуатация агрегата; Обязанности оператора; Сервисное и гарантийное обслуживание
- 97 Срок службы; Таблица 2 - График проведения планового техобслуживания; Операции; Информация об используемом хладагенте; Утилизация












