Кондиционеры Daikin EWAQ-GZXS - инструкция пользователя по применению, эксплуатации и установке на русском языке. Мы надеемся, она поможет вам решить возникшие у вас вопросы при эксплуатации техники.
Если остались вопросы, задайте их в комментариях после инструкции.
"Загружаем инструкцию", означает, что нужно подождать пока файл загрузится и можно будет его читать онлайн. Некоторые инструкции очень большие и время их появления зависит от вашей скорости интернета.

D-EIMAC01109-14EU - 165/208
berendezés beindítása előtt ajánlatos a vizet a megfelelő módon
kezelni és a szokásos vizsgálatokat elvégezni.
Ha a vízvezetékbe fagyállóként glikolt önt, ügyeljen arra, hogy az
elszívónyomást csökkentse; a berendezés teljesítménye csökken, és
a nyomás esés nő. A gép minden biztonsági renszerét, pl. fagyálló és
a kis nyomás elleni védelem újra be kell állítani.
A vízvezetékek szigetelése előtt ellenőrizze, hogy a vezeték nem
folyik-e.
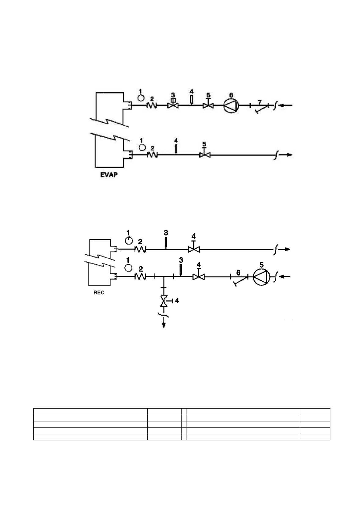
Ábra 5 - A vízvezetékek bekötése a párologtatóba
1.
Manométer
2.
Fexibilis csatlakozó
3.
Áramlás kapcsoló
4.
Hőmérséket mérő szonda
5.
Izoláló szelep
6.
Szivattyú
7.
Szűrő
Ábra 6 - Vízvez
etékek bekötése a hővisszanyerő hőcserélőkhöz
1.
Manométer
2.
Fexibilis csatlakozó
3.
Hőmérséket mérő szonda
4.
Izoláló szelep
5.
Szivattyú
6.
Szűrő
A víz kezelése
A
berendezés
beindítása
előtt,
tisztítsa
ki
a
vízvezetékrendszert. Piszok, vízkő, rozsdás üledék és egyéb
anyagok lerakódhatnak a hőcserélő belsejében csökkentve a
hőcserélő teljesítményét. Valamint növelheti a nyomás esést,
csökkentve ezzel az átfolyó víz mennyiségét. A víz megfelelő
kezelésével csökkentheti a korrózó, erózió, vízkőképződés,
stb. veszélyét.
A megfelelő vízkezelést helyben kell
meghatározni a renszer és a víz tulajdonságai alapján.
A gyártó nem vonható felelősségre a nem megfelelő
vízkezelésből származó károkért vagy a berendezés elégtelen
működéséért.
Táblázat 1 -
Az elfogadható vízminőség határértékei
pH (25°C)
6,8
8,0
Összes vízkeménység (mg CaCO
3
/ l)
200
Elektromos vezetőképesség
S/cm (25°C)
800
Vas (mg Fe / l)
1,0
Klórion (mg Cl
-
/ l)
200
Szulfidion (mg S
2 -
/ l)
Nincs
Szulfátion (mg SO
2
4
-
/ l)
200
Ammóniumion (mg NH
4
+
/ l)
1,0
Alkalinitás (mg CaCO
3
/ l)
100
Szilíciumdioxid (mg SiO
2
/ l)
50
Содержание
- 88 Описание; электрическими схемами, сертифицированными; При получении агрегата; Хранение; Идентификация табличек
- 89 Рисунок 2 - Предельные рабочие значения; частичной
- 90 Техника безопасности; Руководства по; Шум
- 91 Рисунок 3 - Подъем агрегата
- 92 : Указания по подъему агрегата
- 93 Монтажная позиция; Требования к месту установки
- 95 Рисунок 5 - Схема подключения гидравлических линий к испарителю; рекуперации тепла s; Обработка воды; Таблица 1 - Допустимое содержание примесей в воде
- 96 Электрическая система; Указания общего характера; Эксплуатация агрегата; Обязанности оператора; Сервисное и гарантийное обслуживание
- 97 Срок службы; Таблица 2 - График проведения планового техобслуживания; Операции; Информация об используемом хладагенте; Утилизация












