Кондиционеры Daikin EWAQ-GZXS - инструкция пользователя по применению, эксплуатации и установке на русском языке. Мы надеемся, она поможет вам решить возникшие у вас вопросы при эксплуатации техники.
Если остались вопросы, задайте их в комментариях после инструкции.
"Загружаем инструкцию", означает, что нужно подождать пока файл загрузится и можно будет его читать онлайн. Некоторые инструкции очень большие и время их появления зависит от вашей скорости интернета.

D-EIMAC01109-14EU - 199/208
Identifikacija nalepke
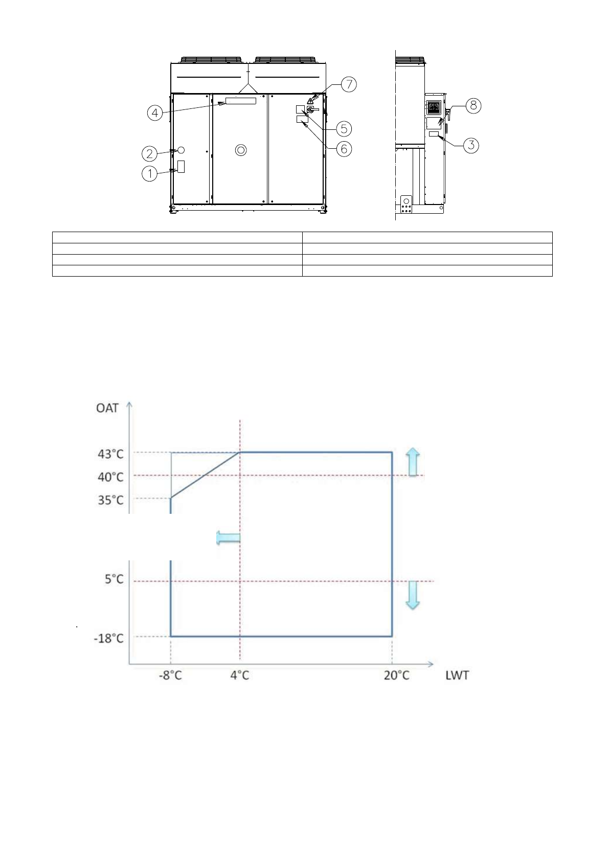
Slika 21 - Omejitve delovanja
Leaving Water temperature (°C)
Opomba
Zgornja risba predstavlja smernice glede omejitev delovanja. Glejte Chiller Selection Software (programsko opremo za izbiro
hladilnega agregata) (CSS) glede realnih omejitev delovanja za vsako velikost.
Legenda
Delovna temperatura (°C)
= (°C) = Temperatura zraka na vhodu v kondenzator (°C)
Temperatura vode na izhodu (°C)
= Temperatura vode na izhodu iz uparja (°C)
1
– Simbol nevnetljivega plina
5
–
Opozorilo glede privitosti vodnikov
2
–
Vrsta plina
6
– Nevarna napetost
3
– Identifikacijska ploščica enote
7
– Simbol nevarne električne napetosti
4
– Logotip proizvajalca
8
– Navodila za dvigovanje
Del
ovna
tem
p
e
ra
tu
ra
(°
C)
Temperatura vode na izhodu (°C)
V tem območju lahko klimatska
naprava
deluje
z
delno
obremenitvijo
Opcija nizke temperature okolja
zahtevana
Opcija
glikola
zahtevana
Содержание
- 88 Описание; электрическими схемами, сертифицированными; При получении агрегата; Хранение; Идентификация табличек
- 89 Рисунок 2 - Предельные рабочие значения; частичной
- 90 Техника безопасности; Руководства по; Шум
- 91 Рисунок 3 - Подъем агрегата
- 92 : Указания по подъему агрегата
- 93 Монтажная позиция; Требования к месту установки
- 95 Рисунок 5 - Схема подключения гидравлических линий к испарителю; рекуперации тепла s; Обработка воды; Таблица 1 - Допустимое содержание примесей в воде
- 96 Электрическая система; Указания общего характера; Эксплуатация агрегата; Обязанности оператора; Сервисное и гарантийное обслуживание
- 97 Срок службы; Таблица 2 - График проведения планового техобслуживания; Операции; Информация об используемом хладагенте; Утилизация












